Автомобильные Форумы POKATILI.RU

Форумы Добровольного Общества Взаимного Обеспечения на Дорогах
Текущее время: Пт апр 24, 2026 9:24

Часовой пояс: UTC + 4 часа [ Летнее время ]




Начать новую тему Ответить на тему  [ Сообщений: 681 ]  На страницу Пред.  1 ... 42, 43, 44, 45, 46
Автор Сообщение
СообщениеДобавлено: Сб авг 09, 2014 12:11 
Не в сети
ученик форума
ученик форума

Зарегистрирован: Чт дек 31, 2009 16:40
Сообщения: 44
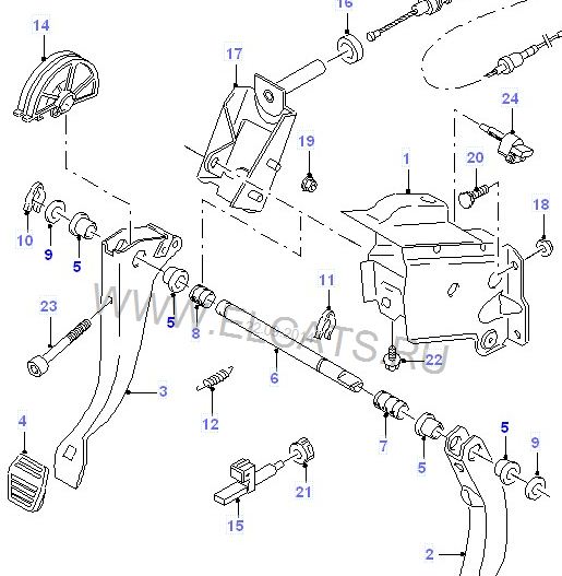
Собственно и ко мне пришла беда сектора, ехал, ушла педаль сцепления в пол и все, приехали. Разобрал как и писали, снял справа скобу, а дальше тянешь ось в лево и слаживаешь аккуратно все что с нее слетает в том же порядке. Сектор поменял, купил SWAG, взял еще один про запас, стоят где-то 5$, запасной так же промажу несколькими слоями эпоксидки в районе оси, там хватает места для этого. Кину пару фот, может кому пригодится. Но есть вопрос к тем кто тоже крутил все это. Скажите пружина одним концом крепится к выступу в полу это понятна, а вот вторым, где она должна красиво крепится к педали? Я ее куда-то подтыкнул, все работает но чутка поскрипывает, хотелось бы всё доделать по уму. Вот может кто помнит укажите. :)


Вложения:
Снимок3.JPG
Снимок3.JPG [ 58.84 КБ | Просмотров: 6060 ]
Снимок2.JPG
Снимок2.JPG [ 71.81 КБ | Просмотров: 6060 ]
Снимок1.JPG
Снимок1.JPG [ 81.68 КБ | Просмотров: 6060 ]

_________________
Ford Escort 95 HCS 1.3 CFI 5-дверный хэтчбек
Вернуться к началу
 Профиль  
 
СообщениеДобавлено: Сб авг 09, 2014 12:18 
Не в сети
профессионал форума
профессионал форума
Аватара пользователя

Зарегистрирован: Пт окт 01, 2010 23:34
Сообщения: 1805
Откуда: Москва
Зачем эпоксидкой? Какого диаметра сектор? они разные бывают. Какая пружина, у Вас ручная регулировка!

_________________
RS2000 92 г, Немец
http://www.drive2.ru/cars/ford/escort/e ... iger199/2/

RS2000 92 г, Немец


Вернуться к началу
 Профиль  
 
СообщениеДобавлено: Вт авг 12, 2014 19:55 
Не в сети
ученик форума
ученик форума

Зарегистрирован: Чт дек 31, 2009 16:40
Сообщения: 44
Ну пружина которая педаль к полу тянет. Где она там к педали правильно крепится, вытянул и не припомню откуда. :)

_________________
Ford Escort 95 HCS 1.3 CFI 5-дверный хэтчбек


Вернуться к началу
 Профиль  
 
СообщениеДобавлено: Чт авг 28, 2014 16:45 
Не в сети
профессионал форума
профессионал форума
Аватара пользователя

Зарегистрирован: Пт окт 01, 2010 23:34
Сообщения: 1805
Откуда: Москва
Нет пружин которые педаль к полу тянут!

_________________
RS2000 92 г, Немец
http://www.drive2.ru/cars/ford/escort/e ... iger199/2/

RS2000 92 г, Немец


Вернуться к началу
 Профиль  
 
СообщениеДобавлено: Пн сен 22, 2014 20:13 
Не в сети
ученик форума
ученик форума

Зарегистрирован: Чт дек 31, 2009 16:40
Сообщения: 44
всё там есть :) 12 она :cool:


Вложения:
Снимок.JPG
Снимок.JPG [ 59.61 КБ | Просмотров: 6005 ]

_________________
Ford Escort 95 HCS 1.3 CFI 5-дверный хэтчбек
Вернуться к началу
 Профиль  
 
СообщениеДобавлено: Пн сен 22, 2014 20:19 
Не в сети
профессионал форума
профессионал форума
Аватара пользователя

Зарегистрирован: Пт окт 01, 2010 23:34
Сообщения: 1805
Откуда: Москва
Она одним концом к педали крепится за выемку, другим за сектор.

_________________
RS2000 92 г, Немец
http://www.drive2.ru/cars/ford/escort/e ... iger199/2/

RS2000 92 г, Немец


Вернуться к началу
 Профиль  
 
Показать сообщения за:  Поле сортировки  
Начать новую тему Ответить на тему  [ Сообщений: 681 ]  На страницу Пред.  1 ... 42, 43, 44, 45, 46

Часовой пояс: UTC + 4 часа [ Летнее время ]


Кто сейчас на конференции

Сейчас этот форум просматривают: нет зарегистрированных пользователей и гости: 10


Вы не можете начинать темы
Вы не можете отвечать на сообщения
Вы не можете редактировать свои сообщения
Вы не можете удалять свои сообщения
Вы не можете добавлять вложения

Найти:
Перейти:  
cron
POWERED_BY
Русская поддержка phpBB
[ Time : 0.030s | 16 Queries | GZIP : Off ]