Автомобильные Форумы POKATILI.RU

Форумы Добровольного Общества Взаимного Обеспечения на Дорогах
Текущее время: Ср апр 22, 2026 14:33

Часовой пояс: UTC + 4 часа [ Летнее время ]




Начать новую тему Ответить на тему  [ Сообщений: 370 ]  На страницу Пред.  1 ... 21, 22, 23, 24, 25
Автор Сообщение
СообщениеДобавлено: Пт авг 02, 2013 23:24 
Не в сети
Модератор раздела FAQ
Модератор раздела FAQ
Аватара пользователя

Зарегистрирован: Вт фев 28, 2006 16:15
Сообщения: 6483
Откуда: Москва.
Машина: другой Ford
Разобрал насос который прошёл 275 тыс. :
Его внутренности.
Статор. Внутри корпуса 2 постоянных магнита.:

Изображение

Ротор крутит небольшую турбинку снизу на валу :

Изображение

Турбинка загоняет топливо снизу и оно проходит через весь корпус насоса вверх:

Изображение

Ротор. В его верхнем торце - коллектор. Видно, что он изношен, протёрт щётками:

Изображение
Крупнее:
Изображение

Щётки сверху :

Изображение

Одна изношена больше другой.
Возможно , тут и пропадал контакт.

Изображение

Каких либо подшипников нет. Обычные бронзовые втулки, смазка бензином.

_________________
С уважением, Михаил.
Променял Эскорт 16V на Форд-Фокус II и III.


Вернуться к началу
 Профиль  
 
СообщениеДобавлено: Вт ноя 26, 2013 13:12 
Не в сети
ученик форума
ученик форума

Зарегистрирован: Пн май 18, 2009 21:08
Сообщения: 9
Откуда: Москва, Зеленоград
Может кому будет полезно - благодаря этому форуму взял бош вазовский 0 580 453 453 на эскорт 98, 1,8 зетек (в магазине 1700р, экзист 1550р, артикул бош для этой модели в разы дороже). Удивлен был - подошел полностью - размеры, штекер. Ищу фильтр - на экзисте он только в одном виде FS130 - 700 руб - дорого. От ваза он повернут в другую сторону, но не так дорог)

_________________
Ford Orion 83г. CVH 1,6 Motocraft VV
Ford Escort Turnier 98г. Zetec 1,8


Вернуться к началу
 Профиль  
 
СообщениеДобавлено: Вт ноя 26, 2013 16:38 
Не в сети
Специалист по электрике
Аватара пользователя

Зарегистрирован: Вт окт 11, 2011 11:02
Сообщения: 1132
Откуда: г.Вязники Владимирской обл.
Машина: Ford Escort
Какой фильтр, сеточку или тонкой очистки? Если второе, то можно любой, лишь бы по трубкам подходил. Я в свое время взял самый дешевый фокусовский и приладил пластиковым хомутом.

_________________
Escort Ghia 5d 1995 - Zetec 1.8 16v
был купе 1993 - 1.6 16v - разобрал на запчасти

Глаза боятся - руки делают...


Вернуться к началу
 Профиль  
 
СообщениеДобавлено: Вт ноя 26, 2013 17:24 
Не в сети
ученик форума
ученик форума

Зарегистрирован: Пн май 18, 2009 21:08
Сообщения: 9
Откуда: Москва, Зеленоград
Фильтр тонкой поставил родной с турецкого завода форд. Оттуда же родные аммортизаторы задней двери универсала - цены дешевые. Сеточку имел ввиду - решил старую оставить - целая, хоть на вид и рыжая.

_________________
Ford Orion 83г. CVH 1,6 Motocraft VV
Ford Escort Turnier 98г. Zetec 1,8


Вернуться к началу
 Профиль  
 
СообщениеДобавлено: Пт июн 06, 2014 1:09 
Не в сети
беспечный ездок форума
беспечный ездок форума
Аватара пользователя

Зарегистрирован: Сб июн 28, 2008 11:26
Сообщения: 699
Откуда: Минск
Люди, ситуация следующая:
чтобы завести машину когда постоит или когда жарко на уличце надо хорошенько покрутить стартером, затем она заведется и сразу заглохнет, потом опять, в итоге заводится ! Такое только в теплую и жаркую погоду. Также на горячую, когда проеду больше км 30 или 40 машина перестает ехать, плохо разгоняется.
Подскажите может ли быть дело в топливном насосе? И какое должно быть давление на 1,6 Zetec ?
Заранее Всем благодарен за советы и ответы !

_________________
Ford ESCORT 94 год хэтч 5 дверей 1,6 16v 90лс
Мнений может быть много, но решение принимает кто-то один!
Я спокоен как слоник!


Вернуться к началу
 Профиль  
 
СообщениеДобавлено: Пт июн 06, 2014 2:17 
Не в сети
Специалист по электрике
Аватара пользователя

Зарегистрирован: Вт окт 11, 2011 11:02
Сообщения: 1132
Откуда: г.Вязники Владимирской обл.
Машина: Ford Escort
Да, может. Может быть, что топливо уходит из рампы и для того, чтобы восстановить давление, надо некоторое время для прокачки. В прошлом году у меня, например, перестало заводиться на горячую - оказалось, не хватает давления. Все решилось заменой насоса.
Давление в рампе на холостом ходу согласно паспортным данным должно быть 2,0-2,2 бар, и 2,7 при отсоединенном шланге регулятора.

_________________
Escort Ghia 5d 1995 - Zetec 1.8 16v
был купе 1993 - 1.6 16v - разобрал на запчасти

Глаза боятся - руки делают...


Вернуться к началу
 Профиль  
 
СообщениеДобавлено: Вт авг 19, 2014 15:37 
Не в сети
ученик форума
ученик форума
Аватара пользователя

Зарегистрирован: Чт июл 18, 2013 14:08
Сообщения: 38
Откуда: Харьков
Машина: Ford Escort
народ кто подскажет, насос напрямую к АКБ - работает. прозвонил провода до фишки блока предов - целые, 33й пред поменял, замыкаю реле проволкой - насос жужжит, меняю реле с Р2 на Р3 местами - тишина, хотя они щелкают

до этого когда и при замыкании не жужжал насос разобрал блок, увидел там какую то хрень (прокинутый плюс с колодки на Р3) и щас 12в на контакте реле есть. в чем может быть трабла? релюхи дохлые? или где то еще копать?
Изображение
Изображение

_________________
Ford Escort '94 1.4 sefi pte, 5 дв. хэтч.


Вернуться к началу
 Профиль  
 
СообщениеДобавлено: Ср авг 20, 2014 12:16 
Не в сети
Модератор форума
Модератор форума
Аватара пользователя

Зарегистрирован: Ср сен 01, 2010 13:53
Сообщения: 1979
Откуда: Россия, Питер, центральный р-н
Машина: другой Ford
А проверил ли ты реле? прозвони весь блок (отпояв перемычку) почисти контакты шкуркой нулевкой, подогни. У меня на сос например без завода двигателя 5-7 секунд работает потом затихает. Реле насоса работает от ЭБУ в моем случае на ЭБУ есть иммобилайзер без которого насос просто не активируется.

А вообще былобы не плохо распаять блок ( раскрыть сендвич) и найти причину по которой впаяна перемычка. Особое внимание удели гибким дорожкам между платами прозванивай их возможно трещина.

В поиске неисправности план наверное таков
1. схема электрики
2. проверка полностью блока без премычки
3. проверка линии от фишки насоса до фишки на блока
4. проверка от пина блока до исполняющего контакта реле
5. от в второго исполняющего контака реле до предохранителя
6. от предохранителя до "+" пина на блоке
7. от контакта управляющего до "-" пина на блоке
8. от второго и управляющего до предохранителя
9. от предохранителя до "+" пина на блоке
10. от "-" пина до точки массы
11. от "+" пина до силовой раздачи

_________________
С уважением, Антон.
-------------------------------------
Ford Focus 2006 универсал TDCI 1,8
был Ford Escort 1997 универсал Zetec 1.6 16v


Вернуться к началу
 Профиль  
 
СообщениеДобавлено: Вт авг 26, 2014 16:00 
Не в сети
ученик форума
ученик форума
Аватара пользователя

Зарегистрирован: Чт июл 18, 2013 14:08
Сообщения: 38
Откуда: Харьков
Машина: Ford Escort
CSpirit писал(а):
А проверил ли ты реле? прозвони весь блок (отпояв перемычку) почисти контакты шкуркой нулевкой, подогни. У меня на сос например без завода двигателя 5-7 секунд работает потом затихает. Реле насоса работает от ЭБУ в моем случае на ЭБУ есть иммобилайзер без которого насос просто не активируется.

А вообще былобы не плохо распаять блок ( раскрыть сендвич) и найти причину по которой впаяна перемычка. Особое внимание удели гибким дорожкам между платами прозванивай их возможно трещина.

В поиске неисправности план наверное таков
1. схема электрики
2. проверка полностью блока без премычки
3. проверка линии от фишки насоса до фишки на блока
4. проверка от пина блока до исполняющего контакта реле
5. от в второго исполняющего контака реле до предохранителя
6. от предохранителя до "+" пина на блоке
7. от контакта управляющего до "-" пина на блоке
8. от второго и управляющего до предохранителя
9. от предохранителя до "+" пина на блоке
10. от "-" пина до точки массы
11. от "+" пина до силовой раздачи

спс, на неделе отдам блок на перепайке, т.к. до этого машина завелась но глюк появился вечером, не щелкает БН при повороте ключа, стартер маслает, искры нет, БН замыканием контактов реле включается но машина не заводится, ни на бензе ни на газу, реле купил рабочие про запас но не спасает, часик постоял, БН потом сам включился и авто завелось, воспроизвести поломку не удалось, не может ли быть трабла в мозгах?

п.с. иммо нету

_________________
Ford Escort '94 1.4 sefi pte, 5 дв. хэтч.


Вернуться к началу
 Профиль  
 
СообщениеДобавлено: Вт авг 26, 2014 17:08 
Не в сети
Модератор форума
Модератор форума
Аватара пользователя

Зарегистрирован: Ср сен 01, 2010 13:53
Сообщения: 1979
Откуда: Россия, Питер, центральный р-н
Машина: другой Ford
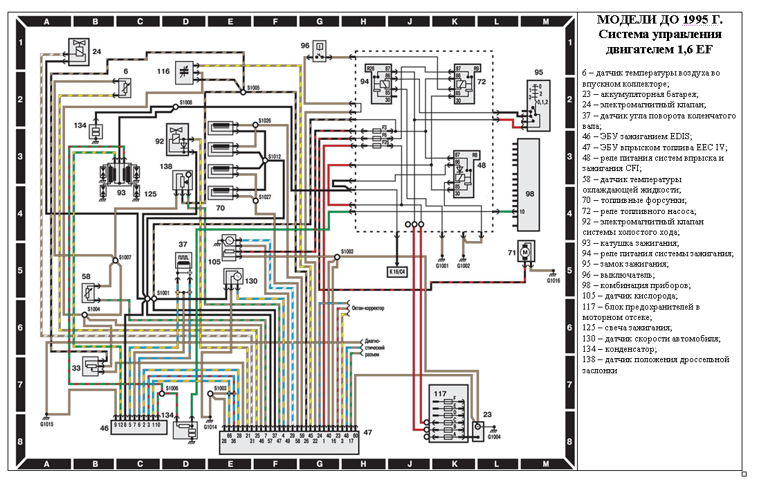
Посмотри датчик положения колен вала, без него ЭБУ не дает напряг на катуху зажигания, нет искры


Вложения:
efi95.png
efi95.png [ 520.04 КБ | Просмотров: 7886 ]

_________________
С уважением, Антон.
-------------------------------------
Ford Focus 2006 универсал TDCI 1,8
был Ford Escort 1997 универсал Zetec 1.6 16v
Вернуться к началу
 Профиль  
 
Показать сообщения за:  Поле сортировки  
Начать новую тему Ответить на тему  [ Сообщений: 370 ]  На страницу Пред.  1 ... 21, 22, 23, 24, 25

Часовой пояс: UTC + 4 часа [ Летнее время ]


Кто сейчас на конференции

Сейчас этот форум просматривают: нет зарегистрированных пользователей и гости: 22


Вы не можете начинать темы
Вы не можете отвечать на сообщения
Вы не можете редактировать свои сообщения
Вы не можете удалять свои сообщения
Вы не можете добавлять вложения

Найти:
Перейти:  
POWERED_BY
Русская поддержка phpBB
[ Time : 0.060s | 17 Queries | GZIP : Off ]