Автомобильные Форумы POKATILI.RU

Форумы Добровольного Общества Взаимного Обеспечения на Дорогах
Текущее время: Чт апр 23, 2026 17:44

Часовой пояс: UTC + 4 часа [ Летнее время ]




Начать новую тему Ответить на тему  [ Сообщений: 89 ]  На страницу Пред.  1, 2, 3, 4, 5, 6
Автор Сообщение
 Заголовок сообщения:
СообщениеДобавлено: Вс дек 06, 2009 21:47 
Не в сети
Модератор раздела
Модератор раздела
Аватара пользователя

Зарегистрирован: Пт дек 05, 2008 0:10
Сообщения: 8793
Откуда: г Обнинск Калужская обл
Мдя с нашим бензином не соскучишься,тока сегодня смотрел какую то передачу по тв,там взяли на анализ 92 бензин,оказалось октановое число равно 88 :shock: а все говорили что на этой заправке хороший бензин,так представляете,что наливают где мы считаем бензин не очень :-( Кстати промывка инжектора на западе считается чуть ли не эсклюзивной работой,а у нас пора вносить её в обязательную процедуру после пробега тыщ в 50. ::thinking:: :evil:

_________________
.Был:FORD eskort 1991г 1,4дв,СVН, EFI,хетч
сейчас Хонда CR-V 2000г.американка
Несправедливо не ответить на несправедливость!
Жестоко не ответить на жестокость!


Вернуться к началу
 Профиль  
 
 Заголовок сообщения: Re: Бензин
СообщениеДобавлено: Пт май 31, 2013 13:50 
Не в сети
ученик форума
ученик форума
Аватара пользователя

Зарегистрирован: Чт май 16, 2013 15:57
Сообщения: 45
Откуда: Беларусь, г.Витебск
Машина: Ford Escort
Подниму ка я старую тему :). Машину покупал у дедушки пенсионера, он лил в машинку 92 бензин, ну и я тоже, но вот узнал что оказывается для Zetec-а нужно лить 95, так вот собственно вопрос, при переходе на 95 бензин нужно ли снимать и мыть бак, ведь 92 бензин до конца не выездишь, когда стрелка в красной зоне, в баке по мануала должно оставаться в районе 8 л. бензина, а ездить пока не заглохнет тоже не вариант, говорят для инжектора это не очень хорошо, или когда стрелка в красной зоне можно смело заливать 95 смешивая его с 92-ым?

_________________
Изображение
Ford Escort MK V, 16.05.1994, Zetec 1,6, 16V, 90 л.с. Друзей не продаю!


Вернуться к началу
 Профиль  
 
 Заголовок сообщения: Re: Бензин
СообщениеДобавлено: Пт май 31, 2013 15:47 
Не в сети
Специалист по электрике
Аватара пользователя

Зарегистрирован: Вт окт 11, 2011 11:02
Сообщения: 1132
Откуда: г.Вязники Владимирской обл.
Машина: Ford Escort
Ничего подобного. Zetec рассчитан на оба типа бензина, в схеме имеется октан-корректор, который перемыкается для 92-го и разомкнут на 95-м. Почему говорят про 95-й - раньше только он был неэтилированным, а этилированный гробит лямбду. Сейчас такой проблемы уже нет.

В баке должно оставаться некоторое количество бензина для того, чтобы бензонасос не работал всухую. По мере расхода бензина уровень его понижается и бензонасос начинает громко гудеть - это и есть тот уровень (где-то 4-5 л), при котором желательно добавить в бак. Именно желательно, поскольку в таком режиме можно проехать еще 30-40 км, если не больше.

И еще, если надумаете переходить на 95-й, просто когда в баке останется немного 92-го, можно свободно заливать 95-й. Бензины любых марок можно свободно смешивать. Да, и не забудьте снять перемычку с октан-корректора.

Кстати, у нас в России во многих случаях 95-й - это тот же 92-й, но с присадками, повышающими октановое число. Ну не могут у нас не воровать, благо ослиной мочи хватает...

_________________
Escort Ghia 5d 1995 - Zetec 1.8 16v
был купе 1993 - 1.6 16v - разобрал на запчасти

Глаза боятся - руки делают...


Вернуться к началу
 Профиль  
 
 Заголовок сообщения: Re: Бензин
СообщениеДобавлено: Пт май 31, 2013 16:25 
Не в сети
ученик форума
ученик форума
Аватара пользователя

Зарегистрирован: Чт май 16, 2013 15:57
Сообщения: 45
Откуда: Беларусь, г.Витебск
Машина: Ford Escort
Цитата:
И еще, если надумаете переходить на 95-й, просто когда в баке останется немного 92-го, можно свободно заливать 95-й. Бензины любых марок можно свободно смешивать. Да, и не забудьте снять перемычку с октан-корректора.

А не подскажете где этот октан-корректор установлен, если есть ссылка на фото, буду очень признателен?
Цитата:
Кстати, у нас в России во многих случаях 95-й - это тот же 92-й, но с присадками, повышающими октановое число. Ну не могут у нас не воровать, благо ослиной мочи хватает.

Ну у нас бензин качественный, "Бацька" не дает бадяжить :)

_________________
Изображение
Ford Escort MK V, 16.05.1994, Zetec 1,6, 16V, 90 л.с. Друзей не продаю!


Вернуться к началу
 Профиль  
 
 Заголовок сообщения: Re: Бензин
СообщениеДобавлено: Пт май 31, 2013 17:42 
Не в сети
Специалист по электрике
Аватара пользователя

Зарегистрирован: Вт окт 11, 2011 11:02
Сообщения: 1132
Откуда: г.Вязники Владимирской обл.
Машина: Ford Escort
Разъем двухконтактный, находится пол капотом у левого крыла рядом с трехконтактным диагностическим разъемом. Здесь на форуме есть информация по этому разъему.

Кстати, я что-то засомневался, замкнутым или разомкнутым он должен быть... У себя я его убрал в прошлом году, а провода упаковал в общий жгут, но вот не помню, то ли их закоротил, то ли наоборот заизолировал... Все равно езжу только на 92-м и менять не собираюсь.

Посмотрите у себя, если стоит перемычка, то для 95-го ее надо просто убрать, а если заглушка - поставить перемычку.

_________________
Escort Ghia 5d 1995 - Zetec 1.8 16v
был купе 1993 - 1.6 16v - разобрал на запчасти

Глаза боятся - руки делают...


Вернуться к началу
 Профиль  
 
 Заголовок сообщения: Re: Бензин
СообщениеДобавлено: Пт май 31, 2013 21:03 
Не в сети
ученик форума
ученик форума
Аватара пользователя

Зарегистрирован: Чт май 16, 2013 15:57
Сообщения: 45
Откуда: Беларусь, г.Витебск
Машина: Ford Escort
Нашел два разъема, один трехконтактный, я так понимаю это диагностический, и второй двухконтактный, видимо это и есть разъем октан-корректора, оба разъема закрыты заглушками. Двухкантактный почему-то слегка был оплавлен, чтобы разобрать пришлось повозиться. Так все же, чтобы ездить на 95 бензине, нужно ставить в этот разъем перемычку или наоборот, ее там не должно быть, а ставится она на 92-й?


Вложения:
IMG_0440.JPG
IMG_0440.JPG [ 143.63 КБ | Просмотров: 5692 ]
IMG_0438.JPG
IMG_0438.JPG [ 162.06 КБ | Просмотров: 5692 ]

_________________
Изображение
Ford Escort MK V, 16.05.1994, Zetec 1,6, 16V, 90 л.с. Друзей не продаю!
Вернуться к началу
 Профиль  
 
 Заголовок сообщения: Re: Бензин
СообщениеДобавлено: Пт май 31, 2013 22:16 
Не в сети
Специалист по электрике
Аватара пользователя

Зарегистрирован: Вт окт 11, 2011 11:02
Сообщения: 1132
Откуда: г.Вязники Владимирской обл.
Машина: Ford Escort
Судя по тому, что была заглушка, перемычка ставится на 95-й. Здесь на форуме было что-то об этом, порпробуйте поиском. Там, насколько я понял, перемычка должна быть что-то вроде резистора.
Посмотрите тут, даже схема есть. viewtopic.php?f=130&t=34699&p=426556&hilit=%D0%BE%D0%BA%D1%82%D0%B0%D0%BD+%D0%BA%D0%BE%D1%80%D1%80%D0%B5%D0%BA%D1%82%D0%BE%D1%80#p426557

_________________
Escort Ghia 5d 1995 - Zetec 1.8 16v
был купе 1993 - 1.6 16v - разобрал на запчасти

Глаза боятся - руки делают...


Вернуться к началу
 Профиль  
 
 Заголовок сообщения: Re: Бензин
СообщениеДобавлено: Пт май 31, 2013 23:24 
Не в сети
ученик форума
ученик форума
Аватара пользователя

Зарегистрирован: Чт май 16, 2013 15:57
Сообщения: 45
Откуда: Беларусь, г.Витебск
Машина: Ford Escort
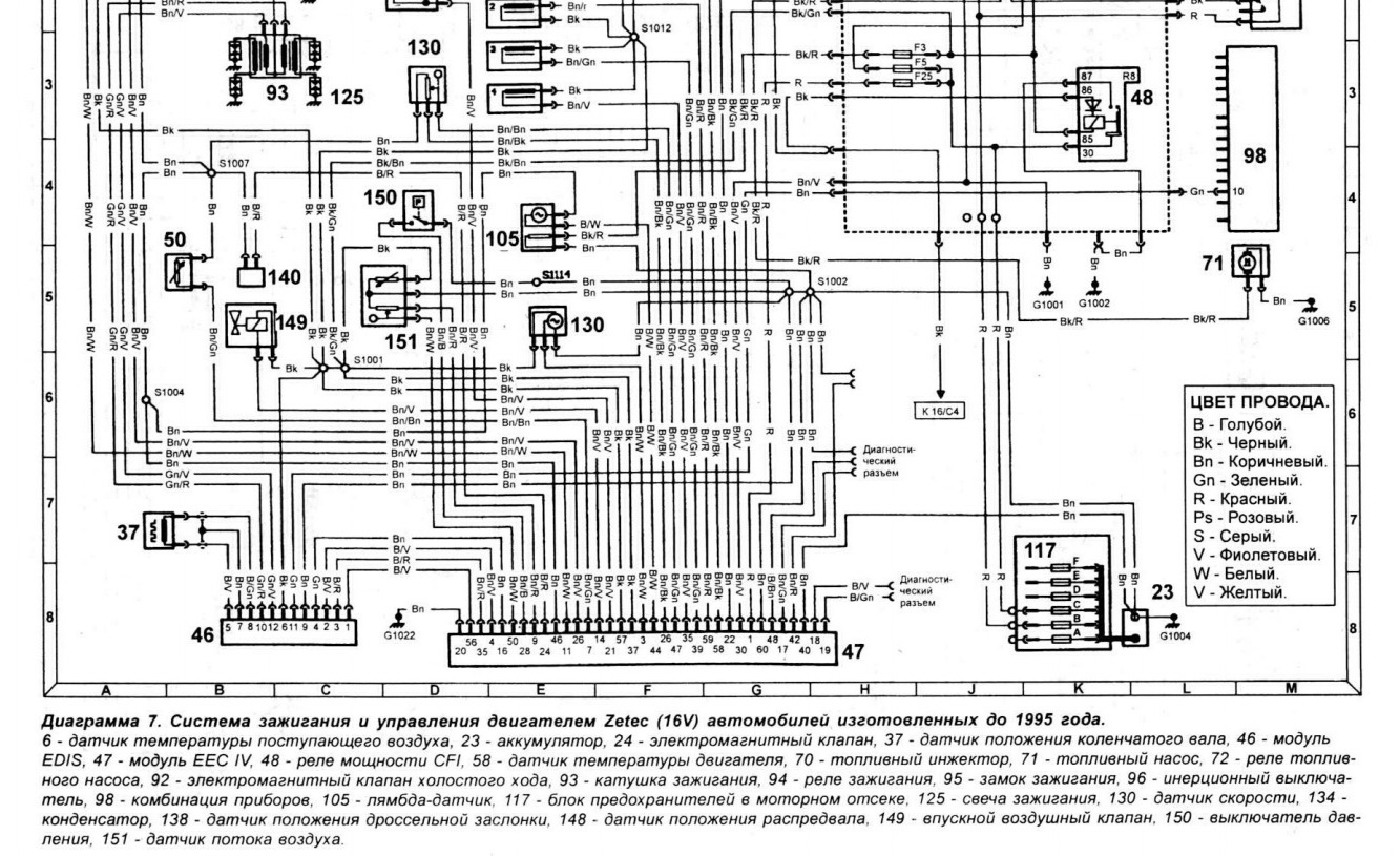
Вот блин, а у меня совсем другая схема. К тому же нашел тут несколько тем по поводу октан-корректора, так народ пишет, что разъем трехконтактный должен быть, а по вашей ссылки пишут, что может быть как трех так и двухконтактный, в общем запутался совсем, интересно какой из них у меня? Во всяком случае под капотом своего эскорта я больше трехконтактного разъема не нашел. Кстати, посоветуйте хорошую книгу по эскортам, а то смотрю у меня схема с Вашей не совпадает, а предхоз подарил мне при продаже машины книгу в бумажном варианте, так там схема не с моей не с вашей не совпадает, какой то разброд полный.


Вложения:
1.jpg
1.jpg [ 399.99 КБ | Просмотров: 5684 ]

_________________
Изображение
Ford Escort MK V, 16.05.1994, Zetec 1,6, 16V, 90 л.с. Друзей не продаю!
Вернуться к началу
 Профиль  
 
 Заголовок сообщения: Re: Бензин
СообщениеДобавлено: Сб июн 01, 2013 0:57 
Не в сети
чайник форума (знак 70)
чайник форума (знак 70)
Аватара пользователя

Зарегистрирован: Чт янв 05, 2012 1:38
Сообщения: 232
Откуда: Молдова, Тирасполь
Машина: Ford Escort
Так эти присадки в 95м бензине не только повышают октановое число, но и кончают лямбду и вообще не сильно хорошо отражаются на двигателе. Так что, если мотор нормально работает на 92м, надо ли переходить на 95й? Мне предхоз говорил: только 95й, где-то полгода его и заливал, а потом после очередной заправки мотор стал детонировать. А 92й пошел. С тех пор на нем и езжу. Бензин к нам поступает из Белоруссии (если не врут).

_________________
Jeep Cherokee 2,5 td 1997г
Escort 88г, CVH 1,4, Солекс, в прошлой жизни CFI.
Escort -- это сила!
Escort -- это класс!
Мы любим Escort --
Escort любит нас!


Вернуться к началу
 Профиль  
 
 Заголовок сообщения: Re: Бензин
СообщениеДобавлено: Сб июн 01, 2013 4:24 
Не в сети
Специалист по электрике
Аватара пользователя

Зарегистрирован: Вт окт 11, 2011 11:02
Сообщения: 1132
Откуда: г.Вязники Владимирской обл.
Машина: Ford Escort
Эта схема не Ваша, я ее просто как пример привел. Нормальные схемы есть тут
Во всяком случае, у меня совпадают. У Вас должны быть схемы до 95-го г.

А с бензином Alecs-66 прав, я бы не стал заморачиваться.

_________________
Escort Ghia 5d 1995 - Zetec 1.8 16v
был купе 1993 - 1.6 16v - разобрал на запчасти

Глаза боятся - руки делают...


Вернуться к началу
 Профиль  
 
 Заголовок сообщения: Re: Бензин
СообщениеДобавлено: Сб июн 01, 2013 4:46 
Не в сети
Специалист по электрике
Аватара пользователя

Зарегистрирован: Вт сен 20, 2005 4:06
Сообщения: 6562
Откуда: сКольский п-ов
Sergio58 писал(а):
Эта схема не Ваша, я ее просто как пример привел. Нормальные схемы есть тут
Во всяком случае, у меня совпадают. У Вас должны быть схемы до 95-го г.

Поправлю чутка - нормальные схемы без ошибок только в ТИСе.
У Хайнеса и др. их есть, и ТУТ в данном случае не исключение.

_________________
Мир всем...
Escort''95 mk6, CLX, hatchback five-door , CFI, J6A, HCS 1.3
...имеющие уши да услышат...
...у быстро бегущей маленькой мышки лапок не видно - отрицать невидимое есть очевидная ересь...


Вернуться к началу
 Профиль  
 
 Заголовок сообщения: Re: Бензин
СообщениеДобавлено: Сб июн 01, 2013 15:21 
Не в сети
ученик форума
ученик форума
Аватара пользователя

Зарегистрирован: Чт май 16, 2013 15:57
Сообщения: 45
Откуда: Беларусь, г.Витебск
Машина: Ford Escort
Цитата:
Бензин к нам поступает из Белоруссии (если не врут).

Наверное врут, у меня коллега льет в свой Мондео только 95, наш белорусский, на заправках "Белнефтехим", и все у него нормально. Честно говоря, Вы только пожалуйста не обижайтесь, но наши люди не доверяют российским брендам таким как "Лукойл" и "Газпром", возможно там бензин из той же бочки что и на "Белнефтехим",но репутация российского бензина изрядно подпорчена, поэтому народ там заправляется только в крайнем случае. Кстати мой коллега был очень удивлен, узнав что я лью 92-й, ведь двигатели у нас одинаковые, отличаются только объемом, у него 2-х литровый Zetec, вот и я решил перейти на 95-й, разница в цене не большая, а двигателю наверное получше будет, вот только никак не могу разобраться с этим октан-корректором.
Цитата:
Нормальные схемы есть тут

Большое спасибо за ссылку, уже все нужные схемы сохранил :) , вот только октан-корректор на своей схеме так и не нашел, оба разъема - и трех и двухконтактный обозначены как диагностические, есть правда еще один двухконтактный, один из его проводов идет на 48 вывод ЭБУ, но он вообще ни как не подписан :-(

_________________
Изображение
Ford Escort MK V, 16.05.1994, Zetec 1,6, 16V, 90 л.с. Друзей не продаю!


Вернуться к началу
 Профиль  
 
 Заголовок сообщения: Re: Бензин
СообщениеДобавлено: Вт июн 04, 2013 1:58 
Не в сети
профессионал форума
профессионал форума
Аватара пользователя

Зарегистрирован: Пн сен 03, 2007 14:21
Сообщения: 1628
Откуда: Барановичи - РБ
Посмотри еще в районе левого стакана одноконтактный разъем с петлей-ответкой, если есть, то это и есть октан-корректор (есть еще такой вариант). Разъемы эти разные на разных годах и моторах.

_________________
Escort [MkVII] '97 - 3 двери, PTE (CVH) 1.4i, ABS, ГУР - живчик. Нашел нового хозяина. Больше не требует внимания к своему ЛКП.


Вернуться к началу
 Профиль  
 
 Заголовок сообщения: Re: Бензин
СообщениеДобавлено: Сб июн 08, 2013 0:39 
Не в сети
ученик форума
ученик форума
Аватара пользователя

Зарегистрирован: Чт май 16, 2013 15:57
Сообщения: 45
Откуда: Беларусь, г.Витебск
Машина: Ford Escort
Цитата:
Посмотри еще в районе левого стакана одноконтактный разъем с петлей-ответкой, если есть, то это и есть октан-корректор (есть еще такой вариант). Разъемы эти разные на разных годах и моторах

Нет у меня там никаких разъемов :-( , все перерыл, нашел один свободный провод, но он идет в общем жгуте с проводами, идущими на датчик в бочке тормозной жидкости, сомневаюсь что это провод октан-корректора. К тому же, просматривая схему двигателя на ELCATS.ru, заметил интересную, вещь, на двигателе установлен датчик детонации (на рисунке выделен красным), тогда напрашивается вопрос, а нафига там октан-корректор с проводками, думаю, что угол опережения зажигания должны в этом случае устанавливать мозги автоматом. Или я не прав?


Вложения:
Датчик детонации.png
Датчик детонации.png [ 170.58 КБ | Просмотров: 5623 ]

_________________
Изображение
Ford Escort MK V, 16.05.1994, Zetec 1,6, 16V, 90 л.с. Друзей не продаю!
Вернуться к началу
 Профиль  
 
Показать сообщения за:  Поле сортировки  
Начать новую тему Ответить на тему  [ Сообщений: 89 ]  На страницу Пред.  1, 2, 3, 4, 5, 6

Часовой пояс: UTC + 4 часа [ Летнее время ]


Кто сейчас на конференции

Сейчас этот форум просматривают: нет зарегистрированных пользователей и гости: 17


Вы не можете начинать темы
Вы не можете отвечать на сообщения
Вы не можете редактировать свои сообщения
Вы не можете удалять свои сообщения
Вы не можете добавлять вложения

Найти:
Перейти:  
cron
POWERED_BY
Русская поддержка phpBB
[ Time : 0.035s | 17 Queries | GZIP : Off ]