Автомобильные Форумы POKATILI.RU

Форумы Добровольного Общества Взаимного Обеспечения на Дорогах
Текущее время: Ср апр 22, 2026 17:43

Часовой пояс: UTC + 4 часа [ Летнее время ]




Начать новую тему Ответить на тему  [ Сообщений: 22 ]  На страницу 1, 2  След.
Автор Сообщение
 Заголовок сообщения: Escort MK-V CVH1.6 EFI . угол опережения 17°
СообщениеДобавлено: Вт май 22, 2012 10:38 
Не в сети
чайник форума (знак 70)
чайник форума (знак 70)
Аватара пользователя

Зарегистрирован: Пн дек 17, 2007 13:40
Сообщения: 230
Откуда: РБ - Могилёв, горд на Днепре
Кто может подсказать, что могло повлечь такое завышение угла, 7° это слишком рано, норма ведь 10° а тут 17°… ДВС работает жестко на холодную заводится легко, на горячую как с берущим на себя стартером?

_________________
FORD ESCORT ZETEC 1.6 SEFI 96г.
FORD ESCORT CVH 1,6 EFI 91г.

Изображениеинтересное


Вернуться к началу
 Профиль  
 
СообщениеДобавлено: Чт май 24, 2012 0:51 
Не в сети
Модератор раздела FAQ
Модератор раздела FAQ
Аватара пользователя

Зарегистрирован: Вт фев 28, 2006 16:15
Сообщения: 6483
Откуда: Москва.
Машина: другой Ford
А как ты замерил угол так точно?

_________________
С уважением, Михаил.
Променял Эскорт 16V на Форд-Фокус II и III.


Вернуться к началу
 Профиль  
 
СообщениеДобавлено: Чт май 24, 2012 18:02 
Не в сети
чайник форума (знак 70)
чайник форума (знак 70)
Аватара пользователя

Зарегистрирован: Пн дек 17, 2007 13:40
Сообщения: 230
Откуда: РБ - Могилёв, горд на Днепре
На работе у диагностов есть такая приблуда как мототестер М 3-2, вот им мы и померили, развели плечами и сказали что , может поможет. Может кто сталкивал с таким или имеет представление, а и вот еще затыкаю отверстие в КХХ а она не глохнет, что за ерунда может из-за подсоса воздуха мозг пытается как то компенсировать работу ДВС вот и делает зажигание ранним???

_________________
FORD ESCORT ZETEC 1.6 SEFI 96г.
FORD ESCORT CVH 1,6 EFI 91г.

Изображениеинтересное


Вернуться к началу
 Профиль  
 
СообщениеДобавлено: Сб май 26, 2012 1:59 
Не в сети
чайник форума (знак 70)
чайник форума (знак 70)
Аватара пользователя

Зарегистрирован: Пн дек 17, 2007 13:40
Сообщения: 230
Откуда: РБ - Могилёв, горд на Днепре
Вот еще такой нюанс, КХХ не работает тое сть он работает но постоянно закрыт, такое чувство что по страшному сосет воздух, а ECU пытается зажать его... и тахометр если верить слуху и прибору диагностов обманывает на 500 оборотов, и наконец при проверке оборотов перекинул датчик и не понял - на 2 проводах показывает 900 на остальных 1..... с х,,,,м, такое чувство что катушка в пробое или импульсы на нее идут так.

вот еще на фото винт регулировочный кто знает как им пользоваться в плане регулировки


Вложения:
Комментарий к файлу: вид вблизи
IMAGE00018.jpg
IMAGE00018.jpg [ 39.6 КБ | Просмотров: 8085 ]
Комментарий к файлу: вдалеке
IMAGE00015.jpg
IMAGE00015.jpg [ 66.27 КБ | Просмотров: 8085 ]

_________________
FORD ESCORT ZETEC 1.6 SEFI 96г.
FORD ESCORT CVH 1,6 EFI 91г.

Изображениеинтересное
Вернуться к началу
 Профиль  
 
СообщениеДобавлено: Вс май 27, 2012 1:02 
Не в сети
чайник форума (знак 70)
чайник форума (знак 70)
Аватара пользователя

Зарегистрирован: Пн дек 17, 2007 13:40
Сообщения: 230
Откуда: РБ - Могилёв, горд на Днепре
Проверил СО получилось 0.3 катализатор отсутствует и вотеще что закрываю коллектор и затыкаю пальцем КХХ и она глохнет значит подсоса нет но СО как то маало по мануалу 0.8. Кто что думает?

_________________
FORD ESCORT ZETEC 1.6 SEFI 96г.
FORD ESCORT CVH 1,6 EFI 91г.

Изображениеинтересное


Вернуться к началу
 Профиль  
 
СообщениеДобавлено: Пн июн 04, 2012 10:58 
Не в сети
чайник форума (знак 70)
чайник форума (знак 70)
Аватара пользователя

Зарегистрирован: Пн дек 17, 2007 13:40
Сообщения: 230
Откуда: РБ - Могилёв, горд на Днепре
так я понял что не кто не может толком сказать про винт на дроселе, прискорбно....
По углу я понимаю так блок EDIS используя инфу от датчиков сам устанавливает нужное опережение, катушки подкидывал не чего в мечте с ней датчик разряжения, вернул свое, перекинул температурные датчики и опять с зажиганием беда..., вопрос на что грешить в большей степени на ECU или EDIS ? что из них может так влиять на искрообразование?

_________________
FORD ESCORT ZETEC 1.6 SEFI 96г.
FORD ESCORT CVH 1,6 EFI 91г.

Изображениеинтересное


Вернуться к началу
 Профиль  
 
СообщениеДобавлено: Пн июн 04, 2012 20:46 
Не в сети
профессионал форума
профессионал форума
Аватара пользователя

Зарегистрирован: Пт мар 03, 2006 3:59
Сообщения: 2191
Откуда: Питер Ржевка -Пороховые
а самодиагностика че говорит

_________________
ORION-88 CVH-1.6 EEC-IV
Focus II 1,8 Trend джинсовый


Вернуться к началу
 Профиль  
 
СообщениеДобавлено: Вт июн 05, 2012 12:04 
Не в сети
чайник форума (знак 70)
чайник форума (знак 70)
Аватара пользователя

Зарегистрирован: Пн дек 17, 2007 13:40
Сообщения: 230
Откуда: РБ - Могилёв, горд на Днепре
Все что говорила, устранил, многое ушло после пропайки блока предохранителей, покатаюсь и еще разок "поморгаю диодом"/ там буду думать...

_________________
FORD ESCORT ZETEC 1.6 SEFI 96г.
FORD ESCORT CVH 1,6 EFI 91г.

Изображениеинтересное


Вернуться к началу
 Профиль  
 
СообщениеДобавлено: Вт июн 05, 2012 16:01 
Не в сети
чайник форума (знак 70)
чайник форума (знак 70)
Аватара пользователя

Зарегистрирован: Пн дек 17, 2007 13:40
Сообщения: 230
Откуда: РБ - Могилёв, горд на Днепре
Вопрос кто знает коммутатор от 1,3 подойдет на мое авто?

_________________
FORD ESCORT ZETEC 1.6 SEFI 96г.
FORD ESCORT CVH 1,6 EFI 91г.

Изображениеинтересное


Вернуться к началу
 Профиль  
 
СообщениеДобавлено: Ср июн 06, 2012 2:51 
Не в сети
Специалист по электрике
Аватара пользователя

Зарегистрирован: Вт сен 20, 2005 4:06
Сообщения: 6562
Откуда: сКольский п-ов
Распиновка точно другая.

_________________
Мир всем...
Escort''95 mk6, CLX, hatchback five-door , CFI, J6A, HCS 1.3
...имеющие уши да услышат...
...у быстро бегущей маленькой мышки лапок не видно - отрицать невидимое есть очевидная ересь...


Вернуться к началу
 Профиль  
 
СообщениеДобавлено: Чт июн 07, 2012 2:13 
Не в сети
чайник форума (знак 70)
чайник форума (знак 70)
Аватара пользователя

Зарегистрирован: Пн дек 17, 2007 13:40
Сообщения: 230
Откуда: РБ - Могилёв, горд на Днепре
MozgoveD писал(а):
Распиновка точно другая.

У меня стоял 89 FB-12K072-AC ПОСТАВИЛ С 1300 CFI 91 AB-12K072-AA, распиновка по автодате отличается но не намного на одной схеме один провод есть на другой - другой, а вот почему на других схемах (не автодата) отличия более существенные....
Поставил и на удивление все заработало не то что бы проблемы все ушли но как то по лучше стало, но вот!!! на утро завелся, а в обед завелась но обороты как то не те на газ откликается вяло, проверил Ля-зонд так как доступ к ECU был открыт и помнил какие ноги, и о ужас... вольтаж больше 1 при прогреве уменьшается, электрики подсказали что нет массы, разобрал разъем и точно отсутствует- отвалился провод, все сделали, поехала. Но дальше лучше!!! - еду радуюсь, остановился, заглушил. Прошло время завел и тут такое дело опять начала конить, я на парковку и тестер ей в пины и что вижу 0,3 0,4 0,5 0,6 0,5 0,9 0,7 0,8 ну и тог далее вот только МИНУС перед цифрами, я перепроверил правильно ли подключил тестер, правильно! Поработала и как то -0,2 -0,1 0,0 0,1 0,6 0,3 0,45 0,2 0,5 и все хорошо опять стало, снова глушу жду пока остынет завожу и снова сначала числа с минусом а потом как и полагается....
Вот такое дело, может это из-за комутатора, да же не знаю что думать... Может кто сталкивался???

_________________
FORD ESCORT ZETEC 1.6 SEFI 96г.
FORD ESCORT CVH 1,6 EFI 91г.

Изображениеинтересное


Вернуться к началу
 Профиль  
 
СообщениеДобавлено: Пт июн 08, 2012 1:35 
Не в сети
чайник форума (знак 70)
чайник форума (знак 70)
Аватара пользователя

Зарегистрирован: Пн дек 17, 2007 13:40
Сообщения: 230
Откуда: РБ - Могилёв, горд на Днепре
http://www.youtube.com/watch?v=2_v-Nqcr1No&feature=plcp вот тут работа зонда, весь интересно кто что может сказать?

_________________
FORD ESCORT ZETEC 1.6 SEFI 96г.
FORD ESCORT CVH 1,6 EFI 91г.

Изображениеинтересное


Вернуться к началу
 Профиль  
 
СообщениеДобавлено: Пт июн 08, 2012 2:27 
Не в сети
чайник форума (знак 70)
чайник форума (знак 70)
Аватара пользователя

Зарегистрирован: Пн дек 17, 2007 13:40
Сообщения: 230
Откуда: РБ - Могилёв, горд на Днепре
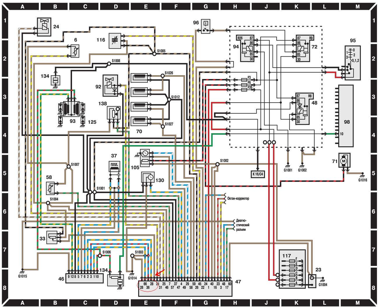
Прошу помощи разобраться где массы дабы их проверить и исключить их влияние на работу системы.
60 16 40 22 49 37 57 46 28 это блок управления ДВС и вот ещё откуда там два 28 и нет обозначения на один провод ?
7 8 9 это блок зажигания.

Верно но ли назвал массовые провода?


Вложения:
sh7!!!.JPG
sh7!!!.JPG [ 239.78 КБ | Просмотров: 8021 ]

_________________
FORD ESCORT ZETEC 1.6 SEFI 96г.
FORD ESCORT CVH 1,6 EFI 91г.

Изображениеинтересное
Вернуться к началу
 Профиль  
 
СообщениеДобавлено: Пн июн 11, 2012 10:33 
Не в сети
чайник форума (знак 70)
чайник форума (знак 70)

Зарегистрирован: Ср фев 25, 2009 19:44
Сообщения: 126
Откуда: Ижевск
ALex T. писал(а):
Кто может подсказать, что могло повлечь такое завышение угла, 7° это слишком рано, норма ведь 10° а тут 17°… ДВС работает жестко на холодную заводится легко, на горячую как с берущим на себя стартером?


10гр это угол по умолчанию отрабатываемый коммутатором EDIS4 даже при отсутствии основного мозга. После заводки мозг производит коррекцию угла на некое свое значение. Посему в 17гр не вижу ничего криминального.

По поводу стартера - проблема известная и лечить тут надо стартер (втулки якоря или сам якорь).

_________________
Ford Orion, 91г, CVH 1.6i EFI (LJF)


Вернуться к началу
 Профиль  
 
СообщениеДобавлено: Пн июн 11, 2012 13:41 
Не в сети
чайник форума (знак 70)
чайник форума (знак 70)
Аватара пользователя

Зарегистрирован: Пн дек 17, 2007 13:40
Сообщения: 230
Откуда: РБ - Могилёв, горд на Днепре
SK писал(а):

По поводу стартера - проблема известная и лечить тут надо стартер (втулки якоря или сам якорь).

Эта болезнь излечена, плюс замена силового провода от гены к стартену, так что все гуд там. А что по поводу винта и блоков?

_________________
FORD ESCORT ZETEC 1.6 SEFI 96г.
FORD ESCORT CVH 1,6 EFI 91г.

Изображениеинтересное


Последний раз редактировалось ALex T. Пн июн 11, 2012 22:33, всего редактировалось 1 раз.

Вернуться к началу
 Профиль  
 
Показать сообщения за:  Поле сортировки  
Начать новую тему Ответить на тему  [ Сообщений: 22 ]  На страницу 1, 2  След.

Часовой пояс: UTC + 4 часа [ Летнее время ]


Кто сейчас на конференции

Сейчас этот форум просматривают: нет зарегистрированных пользователей и гости: 18


Вы не можете начинать темы
Вы не можете отвечать на сообщения
Вы не можете редактировать свои сообщения
Вы не можете удалять свои сообщения
Вы не можете добавлять вложения

Найти:
Перейти:  
POWERED_BY
Русская поддержка phpBB
[ Time : 0.044s | 17 Queries | GZIP : Off ]