Автомобильные Форумы POKATILI.RU

Форумы Добровольного Общества Взаимного Обеспечения на Дорогах
Текущее время: Сб мар 07, 2026 16:30

Часовой пояс: UTC + 4 часа [ Летнее время ]




Начать новую тему Ответить на тему  [ Сообщений: 19 ]  На страницу 1, 2  След.
Автор Сообщение
СообщениеДобавлено: Вт ноя 30, 2010 13:57 
Не в сети
ученик форума
ученик форума

Зарегистрирован: Вт ноя 30, 2010 13:45
Сообщения: 8
Всем доброго времени суток.
Пауза и средняя работает, а вот быстрая пропала. Причем если ее включаешь дворники сразу зависают в любом положении. Что смотреть, куда лезть?
Заранее спасибо.

Эскорт -97, 1,6 zetec


Вернуться к началу
 Профиль  
 
 Заголовок сообщения:
СообщениеДобавлено: Вт ноя 30, 2010 20:57 
Не в сети
Модератор раздела
Модератор раздела
Аватара пользователя

Зарегистрирован: Пт дек 05, 2008 0:10
Сообщения: 8793
Откуда: г Обнинск Калужская обл
В стрекозу ::doh:: http://pokatili.ru/forum/ftopic10733.php

_________________
.Был:FORD eskort 1991г 1,4дв,СVН, EFI,хетч
сейчас Хонда CR-V 2000г.американка
Несправедливо не ответить на несправедливость!
Жестоко не ответить на жестокость!


Вернуться к началу
 Профиль  
 
 Заголовок сообщения:
СообщениеДобавлено: Ср дек 01, 2010 0:43 
Не в сети
ученик форума
ученик форума

Зарегистрирован: Вт ноя 30, 2010 13:45
Сообщения: 8
tsarik писал(а):

Не обесудьте, прочел что там все 29 стр, и еще в эскорте своими руками все 39 стр, по моему вопросу, как то не заметил (что вряд ли) по этому и пишу. Ткните если что не так, и главное в то место где есть именно моя проблема, заранее всем за все.
Просто мучают сомнения, что это - стрекоза, реле или сам мотор - там тоже, платка есть с управлением, ну и собственна блок предов внутри и под капотом?


Вернуться к началу
 Профиль  
 
 Заголовок сообщения:
СообщениеДобавлено: Ср дек 01, 2010 2:23 
Не в сети
Специалист по электрике
Аватара пользователя

Зарегистрирован: Вт сен 20, 2005 4:06
Сообщения: 6562
Откуда: сКольский п-ов
Gustav писал(а):
Просто мучают сомнения, что это - стрекоза

Зря.

_________________
Мир всем...
Escort''95 mk6, CLX, hatchback five-door , CFI, J6A, HCS 1.3
...имеющие уши да услышат...
...у быстро бегущей маленькой мышки лапок не видно - отрицать невидимое есть очевидная ересь...


Вернуться к началу
 Профиль  
 
 Заголовок сообщения:
СообщениеДобавлено: Ср дек 01, 2010 3:03 
Не в сети
ученик форума
ученик форума

Зарегистрирован: Вт ноя 30, 2010 13:45
Сообщения: 8
MozgoveD писал(а):
Gustav писал(а):
Просто мучают сомнения, что это - стрекоза

Зря.


Намек, понял будем посмотреть. Просто в выше описанных темах исключительно про левый - дальний ближний и т.д., про правый только - кнопка поливалки. При этом все оч подробно и прописанно и фоты что надо. Сразу понятно - какой провод, какой контакт - где подмотать, где подпоять, где чуть нарастить...
И вот чтоб ни что ни куда не улетело, хотелось бы понять было ли у кого такое, и, КАК ИМЕННО с этим бороться?


Вернуться к началу
 Профиль  
 
 Заголовок сообщения:
СообщениеДобавлено: Ср дек 01, 2010 3:19 
Не в сети
Специалист по электрике
Аватара пользователя

Зарегистрирован: Вт сен 20, 2005 4:06
Сообщения: 6562
Откуда: сКольский п-ов
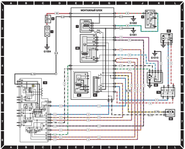
Начинать надо со стрекозы.
Схема в помощь.


Вложения:
sh20.jpg
sh20.jpg [ 195.09 КБ | Просмотров: 5192 ]

_________________
Мир всем...
Escort''95 mk6, CLX, hatchback five-door , CFI, J6A, HCS 1.3
...имеющие уши да услышат...
...у быстро бегущей маленькой мышки лапок не видно - отрицать невидимое есть очевидная ересь...
Вернуться к началу
 Профиль  
 
 Заголовок сообщения:
СообщениеДобавлено: Вт мар 29, 2011 17:39 
Не в сети
ученик форума
ученик форума

Зарегистрирован: Вт ноя 30, 2010 13:45
Сообщения: 8
Снял стрекозу. Прозвонил плюсы. При включении на самую быструю появляется плюс на серо-зеленном. Повис вопрос - таки стрекоза?


Вернуться к началу
 Профиль  
 
 Заголовок сообщения:
СообщениеДобавлено: Ср мар 30, 2011 15:27 
Не в сети
ученик форума
ученик форума

Зарегистрирован: Вт ноя 30, 2010 13:45
Сообщения: 8
мысли есть?


Вернуться к началу
 Профиль  
 
 Заголовок сообщения:
СообщениеДобавлено: Чт мар 31, 2011 1:19 
Не в сети
Специалист по электрике
Аватара пользователя

Зарегистрирован: Вт сен 20, 2005 4:06
Сообщения: 6562
Откуда: сКольский п-ов
Gustav писал(а):
Снял стрекозу. Прозвонил плюсы. При включении на самую быструю появляется плюс на серо-зеленном.Мысли есть?

Есть...
Поискать этот серо/зеленый плюс на движке стеклоочистителей.
Если не приходит - смотреть блок реле, он идет через него.

_________________
Мир всем...
Escort''95 mk6, CLX, hatchback five-door , CFI, J6A, HCS 1.3
...имеющие уши да услышат...
...у быстро бегущей маленькой мышки лапок не видно - отрицать невидимое есть очевидная ересь...


Вернуться к началу
 Профиль  
 
 Заголовок сообщения:
СообщениеДобавлено: Чт мар 31, 2011 20:19 
Не в сети
ученик форума
ученик форума

Зарегистрирован: Вт ноя 30, 2010 13:45
Сообщения: 8
MozgoveD писал(а):
Есть...
Поискать этот серо/зеленый плюс на движке стеклоочистителей.
Если не приходит - смотреть блок реле, он идет через него.


Оно понятно. Там походу к нему не подобраться, без снятия моторчика. Не в курсе какая релюшка к нему, ее местоположение? И еще, после релюшки проводок уже идет прямо к моторчику?


Вернуться к началу
 Профиль  
 
 Заголовок сообщения:
СообщениеДобавлено: Чт мар 31, 2011 21:47 
Не в сети
чайник форума (знак 70)
чайник форума (знак 70)
Аватара пользователя

Зарегистрирован: Чт окт 30, 2008 19:15
Сообщения: 192
Откуда: Реутов М.О.
она красная

_________________
MB W123 E230 136HP двг 102980 АКПП 722.1(продан башкирам :)
escort 96 г.в. L1H 1.6 v16 ABS ГУР SRS 3х дверный хетч (Продан)
rav4 2000г.в. 2.0 акпп 4х4 кондей 3двери и тоже зеленый:)
Изображение


Вернуться к началу
 Профиль  
 
 Заголовок сообщения:
СообщениеДобавлено: Пт апр 01, 2011 11:09 
Не в сети
чайник форума (знак 70)
чайник форума (знак 70)
Аватара пользователя

Зарегистрирован: Пт мар 04, 2011 1:31
Сообщения: 189
Откуда: Минск
... подключить провода к моторчику.
Возможно: ппц одной из 3-х щёток ..


Вернуться к началу
 Профиль  
 
 Заголовок сообщения:
СообщениеДобавлено: Чт апр 28, 2011 16:19 
Не в сети
ученик форума
ученик форума

Зарегистрирован: Вт ноя 30, 2010 13:45
Сообщения: 8
Troll писал(а):
... подключить провода к моторчику.
Возможно: ппц одной из 3-х щёток ..


Щетки что надо.
Вопрос решился, это таки платка в моторчике.


Вернуться к началу
 Профиль  
 
 Заголовок сообщения:
СообщениеДобавлено: Пт апр 29, 2011 11:21 
Не в сети
чайник форума (знак 70)
чайник форума (знак 70)
Аватара пользователя

Зарегистрирован: Пт мар 04, 2011 1:31
Сообщения: 189
Откуда: Минск
Gustav писал(а):
... Вопрос решился, это таки платка в моторчике.

... это как?
З.Ы. Кста: в "Эскорт-америкосах" реле управления передним стеклоочистителем - в "стрекозе" ... :oops:


Вернуться к началу
 Профиль  
 
 Заголовок сообщения:
СообщениеДобавлено: Пн май 02, 2011 14:28 
Не в сети
ученик форума
ученик форума

Зарегистрирован: Вт ноя 30, 2010 13:45
Сообщения: 8
Troll писал(а):
... это как?
З.Ы. Кста: в "Эскорт-америкосах" реле управления передним стеклоочистителем - в "стрекозе" ... :oops:


Ну как, все что надо приходит к моторчику, соотв и к плате, якорь прозванивается, щетки тоже.
З.Ы. Обычный немец.


Вернуться к началу
 Профиль  
 
Показать сообщения за:  Поле сортировки  
Начать новую тему Ответить на тему  [ Сообщений: 19 ]  На страницу 1, 2  След.

Часовой пояс: UTC + 4 часа [ Летнее время ]


Кто сейчас на конференции

Сейчас этот форум просматривают: нет зарегистрированных пользователей и гости: 2


Вы не можете начинать темы
Вы не можете отвечать на сообщения
Вы не можете редактировать свои сообщения
Вы не можете удалять свои сообщения
Вы не можете добавлять вложения

Найти:
Перейти:  
POWERED_BY
Русская поддержка phpBB
[ Time : 0.027s | 17 Queries | GZIP : Off ]