Автомобильные Форумы POKATILI.RU

Форумы Добровольного Общества Взаимного Обеспечения на Дорогах
Текущее время: Сб мар 07, 2026 15:08

Часовой пояс: UTC + 4 часа [ Летнее время ]




Начать новую тему Ответить на тему  [ Сообщений: 5 ] 
Автор Сообщение
СообщениеДобавлено: Пн окт 18, 2010 0:01 
Не в сети
чайник форума (знак 70)
чайник форума (знак 70)

Зарегистрирован: Пн дек 17, 2007 19:39
Сообщения: 65
Откуда: Украина
Машина: Ford Escort
Схема взята с форума тавроводов www.tavria.org.ua. Встречалась потом и надругих сайтах. Разрабатывалосось реле, с регулировкой паузы, для таврии, но я поставил это устройство в Ford Escort 89 год дизель1.8 переделав немного схему (переделка заключалась в каскаде который формировал сигнал подачи воды на лобовое стекло). На этой модели авто интересная конструкция способа подачи воды на лобовое или на заднее стекло, реверсом мотора подачи омывающей жидкости! Изготовив плату и подключив её в ПАРАЛЕЛЬНО к сушествующей проводке. На авто где нет провода с контакта (Р) реле паузы, протянуть его к месту установки устройства! Я ставил сняв верхнюю крышку рулевой колонки очень удобно, все близко.
Реле паузы дворников штатное будь то старого типа где всего одна выдержка времени, или где можно регулировать выдержку, подверглась кординальной переделки.
Необходимо удалить всю электронику с платы оставив само реле!

Теперь самое интересное алгоритм работы устройства.
Допустим идет дождик, включаем дворники в режим медленно. Дворники очистили стекло, выключаем дворники. И вот теперь начинается отсчет паузы т.е. контроллер считает время до следующего включения дворников (это диапазон равен от 3 секунд до 25 секунд). Как только стекло заморосило, опять включаем дворники в режим медленно, стекло очищается одним махом дворников и наступает пауза, та которую мы сами и делали между включениями. Если конечно эта пауза не вышла за диапазон.
Если Вас окотила встречка грязью, не трогая рычага дворников нажимаем на кнопку подачи воды омывателя щетки делают два маха что достаточно для очистки стекла. Если конечно щетки нормальные.
Для изменения времени паузы выключаем и вновь включаем когда это необходимо.
Устроиство изготовлено опробовано и эксплуатируется на автомобиле с февраля 2010 года.
В принцепе его можно поставить на любой автомобиль.
Для человека знакомого что такое микроконтроллери умеющего держать паяльник в руках и не только паяльник а и другой инструмент изготовить такое не составляет труда.
Сам занялся изучением устройствами на микроконтроллерах совсем недавно.


Вложения:
Комментарий к файлу: файлы, прошивки
прошивка.rar [23.05 КБ]
Скачиваний: 410
Комментарий к файлу: принципиальная схема
 реле.jpg
реле.jpg [ 58.79 КБ | Просмотров: 5972 ]
Комментарий к файлу: Устройство
.jpg
.jpg [ 246.41 КБ | Просмотров: 5906 ]
Комментарий к файлу: Подключение
10 Стеклоочиститель.jpg
10 Стеклоочиститель.jpg [ 69.71 КБ | Просмотров: 5930 ]

_________________
Ford Escort 1,8D 89 год
Был ВАЗ 2102
хорошие машинки


Последний раз редактировалось Olegka Чт ноя 04, 2010 18:19, всего редактировалось 1 раз.
Вернуться к началу
 Профиль  
 
 Заголовок сообщения:
СообщениеДобавлено: Чт окт 21, 2010 13:24 
Не в сети
Модератор раздела FAQ
Модератор раздела FAQ
Аватара пользователя

Зарегистрирован: Вт фев 28, 2006 16:15
Сообщения: 6483
Откуда: Москва.
Машина: другой Ford
Olegka У тебя на 89-ом г.в. стоит раздельный подрулевой переключатель?

Интересно, а куда подключать это реле на авто после 90 г.в.?

_________________
С уважением, Михаил.
Променял Эскорт 16V на Форд-Фокус II и III.


Вернуться к началу
 Профиль  
 
 Заголовок сообщения:
СообщениеДобавлено: Чт окт 21, 2010 17:38 
Не в сети
чайник форума (знак 70)
чайник форума (знак 70)

Зарегистрирован: Пн дек 17, 2007 19:39
Сообщения: 65
Откуда: Украина
Машина: Ford Escort
Да подрулевой раздельный. А как подключать на авто после 90 года так надо схему расмотреть!

_________________
Ford Escort 1,8D 89 год
Был ВАЗ 2102
хорошие машинки


Вернуться к началу
 Профиль  
 
 Заголовок сообщения:
СообщениеДобавлено: Чт окт 21, 2010 20:38 
Не в сети
Модератор раздела FAQ
Модератор раздела FAQ
Аватара пользователя

Зарегистрирован: Вт фев 28, 2006 16:15
Сообщения: 6483
Откуда: Москва.
Машина: другой Ford
Olegka писал(а):
...так надо схему расмотреть!
Глянь тут схемы:
http://pokatili.ru/forum/forum119.php

_________________
С уважением, Михаил.
Променял Эскорт 16V на Форд-Фокус II и III.


Вернуться к началу
 Профиль  
 
 Заголовок сообщения:
СообщениеДобавлено: Чт окт 21, 2010 22:49 
Не в сети
чайник форума (знак 70)
чайник форума (знак 70)

Зарегистрирован: Пн дек 17, 2007 19:39
Сообщения: 65
Откуда: Украина
Машина: Ford Escort
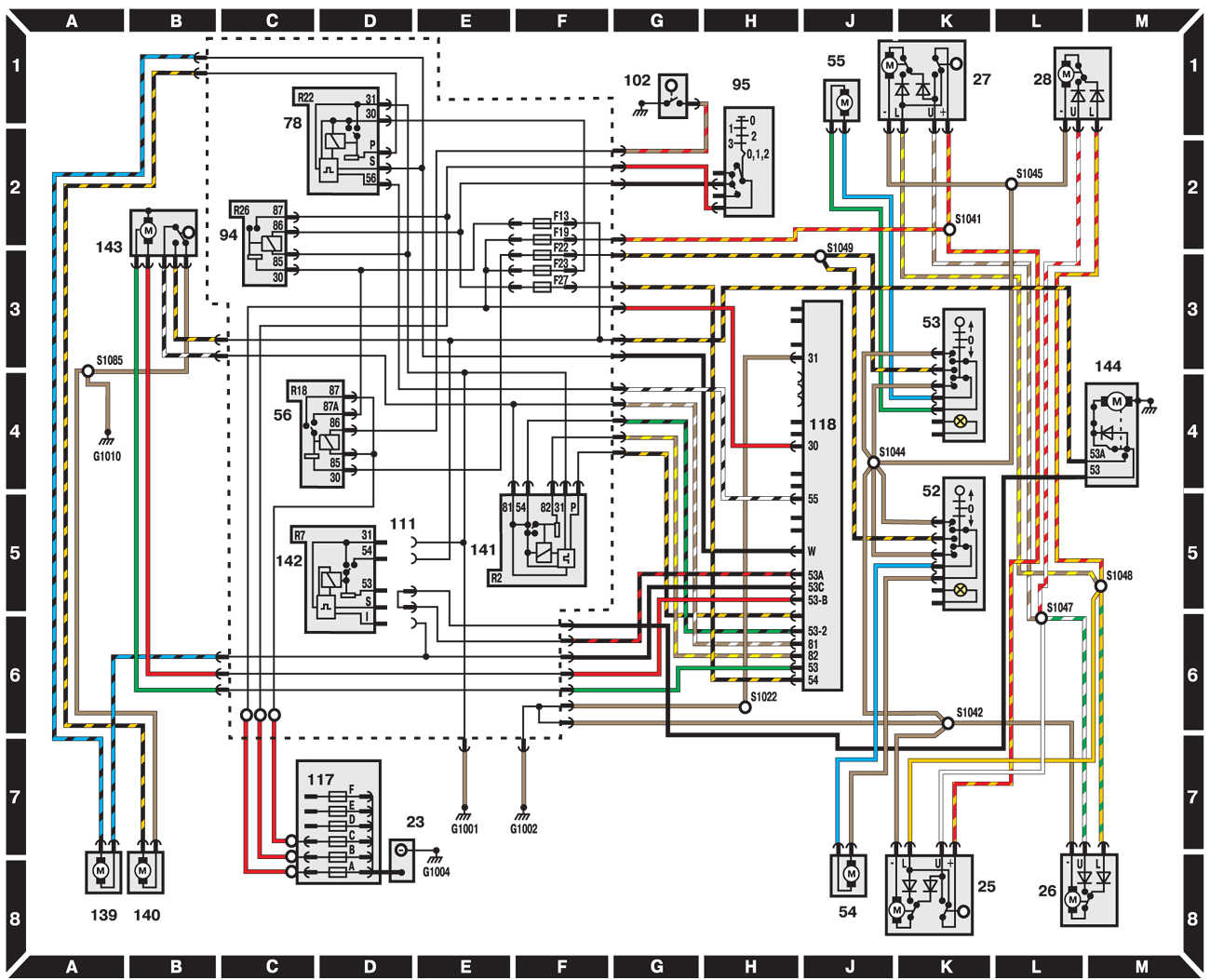
Если схема такая, то подключается точно так же.
Соединяемые провода совпадают по маркировке. Только провод от контакта Р реле(141) на схеме уже идет к блоку 118( подрулевой переключатель) надо его там найти, а то на схеме нет на нем номера возле блока 118.


Вложения:
Комментарий к файлу: Стеклоочистители и омыватели
 омыватели.jpg
омыватели.jpg [ 177.98 КБ | Просмотров: 5906 ]

_________________
Ford Escort 1,8D 89 год
Был ВАЗ 2102
хорошие машинки
Вернуться к началу
 Профиль  
 
Показать сообщения за:  Поле сортировки  
Начать новую тему Ответить на тему  [ Сообщений: 5 ] 

Часовой пояс: UTC + 4 часа [ Летнее время ]


Кто сейчас на конференции

Сейчас этот форум просматривают: нет зарегистрированных пользователей и гости: 0


Вы не можете начинать темы
Вы не можете отвечать на сообщения
Вы не можете редактировать свои сообщения
Вы не можете удалять свои сообщения
Вы не можете добавлять вложения

Найти:
Перейти:  
POWERED_BY
Русская поддержка phpBB
[ Time : 0.026s | 17 Queries | GZIP : Off ]