Автомобильные Форумы POKATILI.RU

Форумы Добровольного Общества Взаимного Обеспечения на Дорогах
Текущее время: Пт апр 24, 2026 17:11

Часовой пояс: UTC + 4 часа [ Летнее время ]




Начать новую тему Ответить на тему  [ Сообщений: 194 ]  На страницу Пред.  1 ... 3, 4, 5, 6, 7, 8, 9 ... 13  След.
Автор Сообщение
 Заголовок сообщения:
СообщениеДобавлено: Ср фев 24, 2010 22:15 
Не в сети
чайник форума (знак 70)
чайник форума (знак 70)
Аватара пользователя

Зарегистрирован: Сб сен 19, 2009 11:09
Сообщения: 224
Откуда: Славянск , Украина .
Машина: Ford Escort
А у тебя стоит регулятор подсветки?


Вернуться к началу
 Профиль  
 
 Заголовок сообщения:
СообщениеДобавлено: Ср фев 24, 2010 23:10 
Не в сети
Специалист по электрике
Аватара пользователя

Зарегистрирован: Вт сен 20, 2005 4:06
Сообщения: 6562
Откуда: сКольский п-ов
Sparco писал(а):
А у тебя стоит регулятор подсветки?

Не все так просто... обычный резистивный регулятор в этом варианте не покатит... Тут либо драйвер нужно ставить, либо ШИМку делать.

_________________
Мир всем...
Escort''95 mk6, CLX, hatchback five-door , CFI, J6A, HCS 1.3
...имеющие уши да услышат...
...у быстро бегущей маленькой мышки лапок не видно - отрицать невидимое есть очевидная ересь...


Вернуться к началу
 Профиль  
 
 Заголовок сообщения:
СообщениеДобавлено: Чт фев 25, 2010 12:26 
Не в сети
профессионал форума
профессионал форума
Аватара пользователя

Зарегистрирован: Пн сен 03, 2007 14:21
Сообщения: 1628
Откуда: Барановичи - РБ
Самый простой вариант - IL7809 + резистор. При дневной яркости земляная нога кренки подключена через резюк. При ночной - напрямую. Питание соответственно - 12~13 и 9 вольт. батарея конденсаторов в ~10000 мФ и последовательный резистор обеспечивают плавность вкл/выкл. Разница в светопотоке при этом в 2 раза. Кстати в большинстве регуляторов так и сделано.

На подходе (уже готов но пока не установлен) автомат яркости подсветки. Представляет из себя фотосенсор (из любой моторолы подойдет) и мощный биполярный транзистор с подстроечником (выставляет режим "темнота-глаз выколи"). Питать от стабилизатора +12В. Сенсор лучше ставить на салонное зеркало смотрящим на дорогу... Он маленький - квадратик 2x2мм. Скорость реакции мгновенная.

_________________
Escort [MkVII] '97 - 3 двери, PTE (CVH) 1.4i, ABS, ГУР - живчик. Нашел нового хозяина. Больше не требует внимания к своему ЛКП.


Вернуться к началу
 Профиль  
 
 Заголовок сообщения:
СообщениеДобавлено: Сб июл 10, 2010 4:19 
Не в сети
Специалист по электрике
Аватара пользователя

Зарегистрирован: Вт сен 20, 2005 4:06
Сообщения: 6562
Откуда: сКольский п-ов
Кто поделится сцылкой на схему подключения такой приборки?
Она стоит ещё в пуме, фи-3.
То что нарыл по фи-3, всё не то...


Вложения:
elodometr2.jpg
elodometr2.jpg [ 213.14 КБ | Просмотров: 4265 ]

_________________
Мир всем...
Escort''95 mk6, CLX, hatchback five-door , CFI, J6A, HCS 1.3
...имеющие уши да услышат...
...у быстро бегущей маленькой мышки лапок не видно - отрицать невидимое есть очевидная ересь...
Вернуться к началу
 Профиль  
 
 Заголовок сообщения:
СообщениеДобавлено: Пн июл 12, 2010 0:29 
Не в сети
профессионал форума
профессионал форума
Аватара пользователя

Зарегистрирован: Пн сен 03, 2007 14:21
Сообщения: 1628
Откуда: Барановичи - РБ
А ТИС тебе не помощник?

_________________
Escort [MkVII] '97 - 3 двери, PTE (CVH) 1.4i, ABS, ГУР - живчик. Нашел нового хозяина. Больше не требует внимания к своему ЛКП.


Вернуться к началу
 Профиль  
 
 Заголовок сообщения:
СообщениеДобавлено: Вт июл 13, 2010 5:36 
Не в сети
Специалист по электрике
Аватара пользователя

Зарегистрирован: Вт сен 20, 2005 4:06
Сообщения: 6562
Откуда: сКольский п-ов
Угумс... ::doh::

_________________
Мир всем...
Escort''95 mk6, CLX, hatchback five-door , CFI, J6A, HCS 1.3
...имеющие уши да услышат...
...у быстро бегущей маленькой мышки лапок не видно - отрицать невидимое есть очевидная ересь...


Вернуться к началу
 Профиль  
 
 Заголовок сообщения:
СообщениеДобавлено: Пт июл 16, 2010 2:34 
Не в сети
Зеленый лихач форума
Зеленый лихач форума
Аватара пользователя

Зарегистрирован: Ср мар 26, 2008 3:01
Сообщения: 356
Откуда: москва,ЮАО-коломенская/царицыно
так что в итоге с приборкой от фиесты?

_________________
Изображение

Ford Escort (17.12.96),1.4 SEFI PTE, 3хетч WF0BXXGCABTT30471 - Продан жалко

сейчас BMW 320D E90-трактор уходящий в точку


Вернуться к началу
 Профиль  
 
 Заголовок сообщения:
СообщениеДобавлено: Пт июл 16, 2010 3:38 
Не в сети
Специалист по электрике
Аватара пользователя

Зарегистрирован: Вт сен 20, 2005 4:06
Сообщения: 6562
Откуда: сКольский п-ов
артемка писал(а):
так что в итоге с приборкой от фиесты?

Эта фотка приборки с эскорта.

_________________
Мир всем...
Escort''95 mk6, CLX, hatchback five-door , CFI, J6A, HCS 1.3
...имеющие уши да услышат...
...у быстро бегущей маленькой мышки лапок не видно - отрицать невидимое есть очевидная ересь...


Вернуться к началу
 Профиль  
 
 Заголовок сообщения:
СообщениеДобавлено: Сб июл 17, 2010 5:15 
Не в сети
Специалист по электрике
Аватара пользователя

Зарегистрирован: Вт сен 20, 2005 4:06
Сообщения: 6562
Откуда: сКольский п-ов
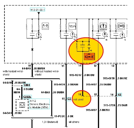
Покопался в ТИСе. Не всё так просто. Эта приборка скорее всего не будет работать с ЕЕС-4 системы впрыска CFi.

Уже ранее на форуме поднималось, что функция Джекичан не была реализована даже в электронной версии приборки на Эскорте.
На Фиесте судя по схеме та же байда.


Вложения:
Комментарий к файлу: Приборка Фиесты
-3.jpg
-3.jpg [ 114.07 КБ | Просмотров: 4256 ]

_________________
Мир всем...
Escort''95 mk6, CLX, hatchback five-door , CFI, J6A, HCS 1.3
...имеющие уши да услышат...
...у быстро бегущей маленькой мышки лапок не видно - отрицать невидимое есть очевидная ересь...
Вернуться к началу
 Профиль  
 
 Заголовок сообщения:
СообщениеДобавлено: Сб июл 17, 2010 10:24 
Не в сети
профессионал форума
профессионал форума
Аватара пользователя

Зарегистрирован: Пт ноя 21, 2008 0:19
Сообщения: 2158
Откуда: Брест, Беларусь
MozgoveD писал(а):
Эта фотка приборки с эскорта.
:shock: :shock: С какого эскорта? Где взял?

_________________
Escort Mk7 '96 1.6i Zetec 4LPG универсал
Mondeo Mk3 '02 2.0i DuraTec 4LPG универсал
Белорусский Ford Клуб


Вернуться к началу
 Профиль  
 
 Заголовок сообщения:
СообщениеДобавлено: Сб июл 17, 2010 11:31 
Не в сети
профессионал форума
профессионал форума
Аватара пользователя

Зарегистрирован: Пн сен 03, 2007 14:21
Сообщения: 1628
Откуда: Барановичи - РБ
По мойму это пумовская приборка, А в качестве джекичана прекрасно работает линия STO без перемычки на STI. Действительно загорается, после запуска гаснет, при наличии ошибок загорается.

_________________
Escort [MkVII] '97 - 3 двери, PTE (CVH) 1.4i, ABS, ГУР - живчик. Нашел нового хозяина. Больше не требует внимания к своему ЛКП.


Вернуться к началу
 Профиль  
 
 Заголовок сообщения:
СообщениеДобавлено: Сб июл 17, 2010 17:40 
Не в сети
Специалист по электрике
Аватара пользователя

Зарегистрирован: Вт сен 20, 2005 4:06
Сообщения: 6562
Откуда: сКольский п-ов
ДмитрийМ писал(а):
MozgoveD писал(а):
Эта фотка приборки с эскорта.
:shock: :shock: С какого эскорта? Где взял?

Это фотка приборки Escort 10.97, 1.3 Endura EFI J4B. Хозяин(я так понимаю уже бывший) sLAVA_eSCORT из Украины. Лежали фотки здесь, но после переезда форума слетели.
В ТИСе такая приборка позиционируется по эскорту 1998-2000г.в.


Creator писал(а):
А в качестве джекичана прекрасно работает линия STO

Я в курсе. На форуме лежит доработка ЕЕС-4 под лампочку.
На наших то приборках этого значка нет, а вот на электронной версии такой значок есть. Почему его фордовцы не задействовали, непонятно...


Creator писал(а):
По мойму это пумовская приборка...

На фотке эскортовская, как уже сказал выше. Но на пуме она же. Недавно сталкивался с фиестой Мк-3 98г. - такая же, почему и возник интерес.

_________________
Мир всем...
Escort''95 mk6, CLX, hatchback five-door , CFI, J6A, HCS 1.3
...имеющие уши да услышат...
...у быстро бегущей маленькой мышки лапок не видно - отрицать невидимое есть очевидная ересь...


Вернуться к началу
 Профиль  
 
 Заголовок сообщения:
СообщениеДобавлено: Вс июл 18, 2010 2:49 
Не в сети
профессионал форума
профессионал форума
Аватара пользователя

Зарегистрирован: Пн сен 03, 2007 14:21
Сообщения: 1628
Откуда: Барановичи - РБ
Судя по выложенному тобой куску схемы (сейчас в ТИС заглянуть не могу), эта приборка контролится своим блоком. Что резео понижает ее ценность. Хотя хз, я эти приборки только в пумах видел, потому и не приценивался... А значек я благополучно имплантировал от опеля омеги А, там их разных воз и маленькая тележка, а до того (на выложенных в форум фотках) тупо нарисовал маркером... Хотя в планах у меня кустом-приборка, но до нее исчо работы и работы... У бортовика только-только съезд с макетки намечается, а софт к ней приписывается все медленнее и медленнее... Зачем людям спать так надо?...

_________________
Escort [MkVII] '97 - 3 двери, PTE (CVH) 1.4i, ABS, ГУР - живчик. Нашел нового хозяина. Больше не требует внимания к своему ЛКП.


Вернуться к началу
 Профиль  
 
 Заголовок сообщения:
СообщениеДобавлено: Пн июл 19, 2010 2:20 
Не в сети
Специалист по электрике
Аватара пользователя

Зарегистрирован: Вт сен 20, 2005 4:06
Сообщения: 6562
Откуда: сКольский п-ов
Creator писал(а):
...эта приборка контролится своим блоком.

Тоже склоняюсь к этому.

_________________
Мир всем...
Escort''95 mk6, CLX, hatchback five-door , CFI, J6A, HCS 1.3
...имеющие уши да услышат...
...у быстро бегущей маленькой мышки лапок не видно - отрицать невидимое есть очевидная ересь...


Вернуться к началу
 Профиль  
 
 Заголовок сообщения:
СообщениеДобавлено: Чт окт 14, 2010 23:31 
Не в сети
чайник форума (знак 70)
чайник форума (знак 70)
Аватара пользователя

Зарегистрирован: Вс ноя 01, 2009 3:32
Сообщения: 111
Откуда: КУРСК
Машина: Ford Escort
Всем привет. Прочитал эту темку, поскольку 2 месяц занимаюсь переделкой штатной панели приборов в панель VDO (как десятках, пятнашках и т.п.). Ближе всех к воплощению этой идеи были Creator и Sparco. У меня сгорели лампочки внешней подсветки (2 вверху панели), но я обратил внимание, что часть цифр светится ночью, то есть имеют внутреннюю подсветку, вот с этого все и началось. Панель была разобрана и тщательно изучена. После недолгих раздумий и небольших похождений по поисковику было принято решение о полной переделке панели. За основу была взята родная панель, панель донор была от Ауди 100 (светящиеся стрелки). По согласованию с родным братом было решено делать кроваво-красную подсветку (кузов машины красный). В настоящее время панель находится на стадии завершения, в связи с чем фотоотчет постараюсь выложить в ближайшее время.

_________________
Ford Escort MK-V 1991 г.в. "CVH 1.4, CFI" заменен на DOCH (Zetec) 1.6 16V SEFI


Вернуться к началу
 Профиль  
 
Показать сообщения за:  Поле сортировки  
Начать новую тему Ответить на тему  [ Сообщений: 194 ]  На страницу Пред.  1 ... 3, 4, 5, 6, 7, 8, 9 ... 13  След.

Часовой пояс: UTC + 4 часа [ Летнее время ]


Кто сейчас на конференции

Сейчас этот форум просматривают: нет зарегистрированных пользователей и гости: 0


Вы не можете начинать темы
Вы не можете отвечать на сообщения
Вы не можете редактировать свои сообщения
Вы не можете удалять свои сообщения
Вы не можете добавлять вложения

Найти:
Перейти:  
POWERED_BY
Русская поддержка phpBB
[ Time : 0.028s | 17 Queries | GZIP : Off ]