Автомобильные Форумы POKATILI.RU

Форумы Добровольного Общества Взаимного Обеспечения на Дорогах
Текущее время: Пт апр 24, 2026 17:02

Часовой пояс: UTC + 4 часа [ Летнее время ]




Начать новую тему Ответить на тему  [ Сообщений: 31 ]  На страницу 1, 2, 3  След.
Автор Сообщение
 Заголовок сообщения: датчик давления в кондее
СообщениеДобавлено: Ср июл 07, 2010 12:16 
Не в сети
чайник форума (знак 70)
чайник форума (знак 70)
Аватара пользователя

Зарегистрирован: Чт май 22, 2008 13:06
Сообщения: 67
Откуда: Санкт_Петербург, м. Техноложка
Подскажите распиновку датчика давления. И где находится датчик температуры испарителя? Что-то не нашел.... И если у кого-нибудь есть схема системы кондиционирования, поделитесь, буду благодарен.
Симптоматика следующая:
фреон есть, но неизвестно, сколько.
индикатор загорается
вентилятор включается
муфта не включается. Если включить принудительно, то холод есть.

_________________
escort mk-VII, 98г, zetek-e 1,6_16v, универсал
Ford Focus II 2009, 1,8 TDCI


Вернуться к началу
 Профиль  
 
 Заголовок сообщения:
СообщениеДобавлено: Ср июл 07, 2010 14:31 
Не в сети
профессионал форума
профессионал форума
Аватара пользователя

Зарегистрирован: Пт дек 22, 2006 16:37
Сообщения: 1643
Откуда: МО, г. Юбилейный
Там по идее два датчика - низкого и высокого давления. Один из них - на осушителе сверху.
Проверь 32-й предохранитель, кстати.

_________________
Ford Escort 97 1.8 TD (RVA)
Microcat 2009
Ford TIS

Уважаемые! При запросе номера запчасти (FINIS-кода) указывайте VIN-код БОЛЬШИМИ БУКВАМИ! Третий символ в сочетании WF0 - ноль!


Вернуться к началу
 Профиль  
 
 Заголовок сообщения:
СообщениеДобавлено: Ср июл 07, 2010 14:35 
Не в сети
чайник форума (знак 70)
чайник форума (знак 70)
Аватара пользователя

Зарегистрирован: Чт май 22, 2008 13:06
Сообщения: 67
Откуда: Санкт_Петербург, м. Техноложка
Реле и предохранители проверены, не один раз. Монтажный блок чистый, без повреждений (видимых) подгаров и окиси. Из четырех контактов датчика, установленного сверху, на осушителе (видимо), на одном +12, остальные - 0.

_________________
escort mk-VII, 98г, zetek-e 1,6_16v, универсал
Ford Focus II 2009, 1,8 TDCI


Вернуться к началу
 Профиль  
 
 Заголовок сообщения:
СообщениеДобавлено: Ср июл 07, 2010 14:54 
Не в сети
профессионал форума
профессионал форума
Аватара пользователя

Зарегистрирован: Пт дек 22, 2006 16:37
Сообщения: 1643
Откуда: МО, г. Юбилейный
Я бы предположил недостаток фреона, это как бы самое простое.
Индикатор загорается - это ничего не значит, это просто сигнал нажатой кнопки.
Я так далеко электрику кондея не копал.

_________________
Ford Escort 97 1.8 TD (RVA)
Microcat 2009
Ford TIS

Уважаемые! При запросе номера запчасти (FINIS-кода) указывайте VIN-код БОЛЬШИМИ БУКВАМИ! Третий символ в сочетании WF0 - ноль!


Вернуться к началу
 Профиль  
 
 Заголовок сообщения:
СообщениеДобавлено: Чт июл 15, 2010 11:47 
Не в сети
чайник форума (знак 70)
чайник форума (знак 70)
Аватара пользователя

Зарегистрирован: Чт май 22, 2008 13:06
Сообщения: 67
Откуда: Санкт_Петербург, м. Техноложка
Неисправным оказался датчик температуры испарителя. Пока обошел его перемычкой. Если нужны кому-нибудь схемы кондея, могу поделиться.

_________________
escort mk-VII, 98г, zetek-e 1,6_16v, универсал
Ford Focus II 2009, 1,8 TDCI


Вернуться к началу
 Профиль  
 
 Заголовок сообщения:
СообщениеДобавлено: Чт июл 15, 2010 12:48 
Не в сети
рейсер форума
рейсер форума
Аватара пользователя

Зарегистрирован: Сб окт 17, 2009 0:46
Сообщения: 831
Откуда: Москва,САО
У меня как включаешь кондей(правда на второй скорости,отсальные не работают) машина заметно хуже едет,разгоняется вообще тупо,выключаешь нормально. У всех такая фигня?

_________________
Escort 1997 1.6 Zetek(L1E) Chia(кондей,2 airbag,ABS...) 1997 Turnier,продан с потухшим "сердцем"...


Вернуться к началу
 Профиль  
 
 Заголовок сообщения:
СообщениеДобавлено: Чт июл 15, 2010 12:53 
Не в сети
чайник форума (знак 70)
чайник форума (знак 70)

Зарегистрирован: Вс апр 20, 2008 23:41
Сообщения: 262
Откуда: латвия,рига
evgen_83 это нормально,у меня также,включенный кондиционер отнимает у двигла довольно много мощности.поэтому на малолитражных движках это чувствуется.

_________________
универсал escort 1998 zetec 1.8 газ


Вернуться к началу
 Профиль  
 
 Заголовок сообщения:
СообщениеДобавлено: Чт июл 15, 2010 13:41 
Не в сети
рейсер форума
рейсер форума
Аватара пользователя

Зарегистрирован: Сб окт 17, 2009 0:46
Сообщения: 831
Откуда: Москва,САО
Зачет немцы их тогда ставили? Больше вреда от него,чем пользы:к моторчику печки не подлезть, да и машина без него была бы чуть легче. Ну на 1.8 это, наверно, терпимо,на 1.6 ездить невозможно.
На новых авто даже с 90 л.с. с кондеем нормально едет машина.

_________________
Escort 1997 1.6 Zetek(L1E) Chia(кондей,2 airbag,ABS...) 1997 Turnier,продан с потухшим "сердцем"...


Вернуться к началу
 Профиль  
 
 Заголовок сообщения:
СообщениеДобавлено: Чт июл 15, 2010 15:20 
Не в сети
чайник форума (знак 70)
чайник форума (знак 70)

Зарегистрирован: Вс апр 20, 2008 23:41
Сообщения: 262
Откуда: латвия,рига
ну у наших движков компресссия,я думаю,уже не такая как у новой машины да и производительность всех агрегатов вряд ли 100 процентов.

_________________
универсал escort 1998 zetec 1.8 газ


Вернуться к началу
 Профиль  
 
 Заголовок сообщения:
СообщениеДобавлено: Чт июл 15, 2010 16:01 
Не в сети
рейсер форума
рейсер форума
Аватара пользователя

Зарегистрирован: Сб окт 17, 2009 0:46
Сообщения: 831
Откуда: Москва,САО
одним словом,кондей лишний девайс на эскорте-мое личное мнение.

_________________
Escort 1997 1.6 Zetek(L1E) Chia(кондей,2 airbag,ABS...) 1997 Turnier,продан с потухшим "сердцем"...


Вернуться к началу
 Профиль  
 
 Заголовок сообщения:
СообщениеДобавлено: Чт июл 15, 2010 16:33 
Не в сети
чайник форума (знак 70)
чайник форума (знак 70)
Аватара пользователя

Зарегистрирован: Чт май 22, 2008 13:06
Сообщения: 67
Откуда: Санкт_Петербург, м. Техноложка
Лишний девайс до того момента, как в пробке проторчишь при +32 на улице.... После этого и озаботился восстановлением девайса.
Если нужны, несколько вариантов схем.[/img]


Вложения:
2010-07-15_151852.jpg
2010-07-15_151852.jpg [ 388.33 КБ | Просмотров: 5743 ]

_________________
escort mk-VII, 98г, zetek-e 1,6_16v, универсал
Ford Focus II 2009, 1,8 TDCI
Вернуться к началу
 Профиль  
 
 Заголовок сообщения:
СообщениеДобавлено: Чт июл 15, 2010 16:39 
Не в сети
чайник форума (знак 70)
чайник форума (знак 70)
Аватара пользователя

Зарегистрирован: Чт май 22, 2008 13:06
Сообщения: 67
Откуда: Санкт_Петербург, м. Техноложка
перечень к L1K


Вложения:
2010-07-15_151306.jpg
2010-07-15_151306.jpg [ 259.64 КБ | Просмотров: 5742 ]

_________________
escort mk-VII, 98г, zetek-e 1,6_16v, универсал
Ford Focus II 2009, 1,8 TDCI
Вернуться к началу
 Профиль  
 
 Заголовок сообщения:
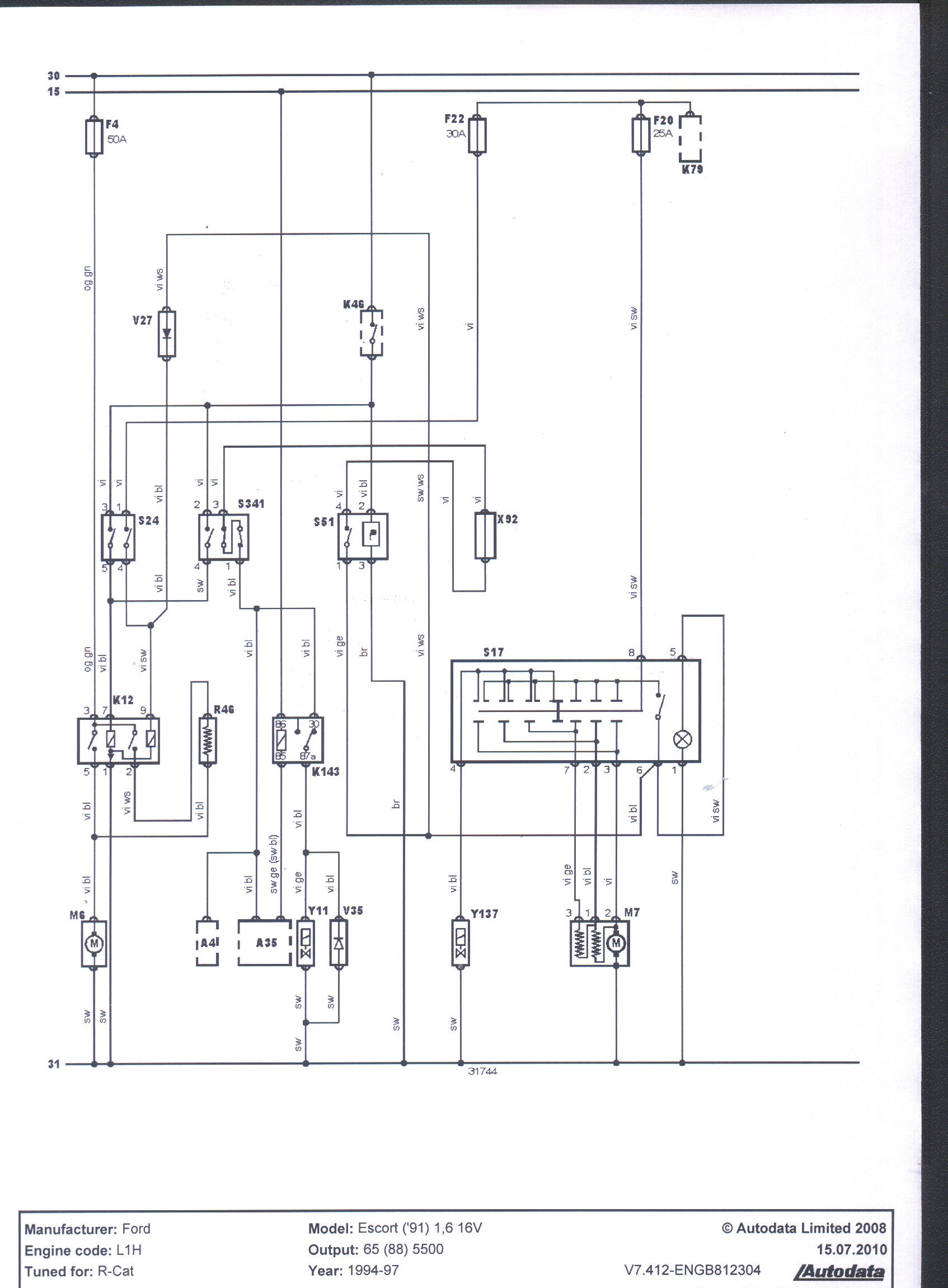
СообщениеДобавлено: Чт июл 15, 2010 16:41 
Не в сети
чайник форума (знак 70)
чайник форума (знак 70)
Аватара пользователя

Зарегистрирован: Чт май 22, 2008 13:06
Сообщения: 67
Откуда: Санкт_Петербург, м. Техноложка
Видимо, более старая модификация. двигатель L1H


Вложения:
2010-07-15_151718.jpg
2010-07-15_151718.jpg [ 377.63 КБ | Просмотров: 5739 ]

_________________
escort mk-VII, 98г, zetek-e 1,6_16v, универсал
Ford Focus II 2009, 1,8 TDCI


Последний раз редактировалось Slava Чт июл 15, 2010 16:43, всего редактировалось 1 раз.
Вернуться к началу
 Профиль  
 
 Заголовок сообщения:
СообщениеДобавлено: Чт июл 15, 2010 16:42 
Не в сети
чайник форума (знак 70)
чайник форума (знак 70)
Аватара пользователя

Зарегистрирован: Чт май 22, 2008 13:06
Сообщения: 67
Откуда: Санкт_Петербург, м. Техноложка
перечень к L1H


Вложения:
2010-07-15_151450.jpg
2010-07-15_151450.jpg [ 290.52 КБ | Просмотров: 5736 ]

_________________
escort mk-VII, 98г, zetek-e 1,6_16v, универсал
Ford Focus II 2009, 1,8 TDCI
Вернуться к началу
 Профиль  
 
 Заголовок сообщения:
СообщениеДобавлено: Чт июл 15, 2010 17:54 
Не в сети
рейсер форума
рейсер форума
Аватара пользователя

Зарегистрирован: Сб окт 17, 2009 0:46
Сообщения: 831
Откуда: Москва,САО
Slava писал(а):
Лишний девайс до того момента, как в пробке проторчишь при +32 на улице.


не спорю, я просто в пробках редко стою,поэтому так и рассуждаю.
надо все таки съездить на диагностику. сколько интересно будет стоить заправка+диагностика?

_________________
Escort 1997 1.6 Zetek(L1E) Chia(кондей,2 airbag,ABS...) 1997 Turnier,продан с потухшим "сердцем"...


Вернуться к началу
 Профиль  
 
Показать сообщения за:  Поле сортировки  
Начать новую тему Ответить на тему  [ Сообщений: 31 ]  На страницу 1, 2, 3  След.

Часовой пояс: UTC + 4 часа [ Летнее время ]


Кто сейчас на конференции

Сейчас этот форум просматривают: нет зарегистрированных пользователей и гости: 0


Вы не можете начинать темы
Вы не можете отвечать на сообщения
Вы не можете редактировать свои сообщения
Вы не можете удалять свои сообщения
Вы не можете добавлять вложения

Найти:
Перейти:  
POWERED_BY
Русская поддержка phpBB
[ Time : 0.028s | 16 Queries | GZIP : Off ]