Автомобильные Форумы POKATILI.RU

Форумы Добровольного Общества Взаимного Обеспечения на Дорогах
Текущее время: Вт апр 21, 2026 22:25

Часовой пояс: UTC + 4 часа [ Летнее время ]




Начать новую тему Ответить на тему  [ Сообщений: 400 ]  На страницу Пред.  1 ... 17, 18, 19, 20, 21, 22, 23 ... 27  След.
Автор Сообщение
 Заголовок сообщения:
СообщениеДобавлено: Ср фев 03, 2010 21:45 
Не в сети
Модератор раздела FAQ
Модератор раздела FAQ
Аватара пользователя

Зарегистрирован: Вт фев 28, 2006 16:15
Сообщения: 6483
Откуда: Москва.
Машина: другой Ford
wolkarthyr,свечи не при чём.
Может клапан ХХ заедать , а может датчик скорости глючить.

_________________
С уважением, Михаил.
Променял Эскорт 16V на Форд-Фокус II и III.


Вернуться к началу
 Профиль  
 
 Заголовок сообщения:
СообщениеДобавлено: Чт фев 04, 2010 0:07 
Не в сети
беспечный ездок форума
беспечный ездок форума
Аватара пользователя

Зарегистрирован: Сб июн 28, 2008 11:26
Сообщения: 699
Откуда: Минск
Mishal писал(а):
wolkarthyr,свечи не при чём.
Может клапан ХХ заедать , а может датчик скорости глючить.

расход из-за этого может быть повышенный ? 12-13 литров по городу

_________________
Ford ESCORT 94 год хэтч 5 дверей 1,6 16v 90лс
Мнений может быть много, но решение принимает кто-то один!
Я спокоен как слоник!


Вернуться к началу
 Профиль  
 
 Заголовок сообщения:
СообщениеДобавлено: Чт фев 04, 2010 0:50 
Не в сети
Модератор раздела FAQ
Модератор раздела FAQ
Аватара пользователя

Зарегистрирован: Вт фев 28, 2006 16:15
Сообщения: 6483
Откуда: Москва.
Машина: другой Ford
wolkarthyr писал(а):
расход из-за этого может быть повышенный ? 12-13 литров по городу
Не думаю. На ХХ расход не такой высокий. 1-1.5 л/час.

_________________
С уважением, Михаил.
Променял Эскорт 16V на Форд-Фокус II и III.


Вернуться к началу
 Профиль  
 
 Заголовок сообщения:
СообщениеДобавлено: Вт июл 27, 2010 15:34 
Не в сети
ученик форума
ученик форума

Зарегистрирован: Сб июл 24, 2010 18:05
Сообщения: 6
Привет всем интересующимся этой темой из Одессы!

Зашёл в ремонт Форд Эскорт 96г. 1.6 Зетек.

Жалоба клиента на то что временами (стоя на месте или в ходу накатом) подымает обороты ХХ на 3000 и держит, ездить невозможно.
У нас есть в распоряжении любое оборудование которое можно придумать и мы начали поиск. Сканер по данной проблеме показал немного, ошибки были но они не имеют отношения к проблеме. Например ругается на цепь контроля вентилятора охлаждения (у него таки отсутствует родное умное реле и переделано на обычное реле - вентил включается норм.) ... Ещё была ошибка по лямбда-зонду суть которой в том что показания лямбды "зависают" в состоянии бедная смесь... Но это всё не с нашей оперы. И так идём далее ...
Было сразу обнаружено что наши обороты 3000 это результат полного открытия регулятора ХХ. Регулятор полностью исправный (мы умеем эти вещи проверять досконально). Очередной раз завели мотор и контролируем анализатором управление на рег-р ХХ. Таки да ... в начале ШИМ управление на него такое что удерживает регулятор ХХ в приоткрытом состоянии. А далее ШИМ начинает "плыть" в сторону полного открытия и достигает предела ставя тем самым РХХ под максимальный ток (максимально открывая его). Если ещё перегазовать то это явление происходит мгновенно и даже ждать не приходиться (обороты не опускаются ниже 3000). На данном этапе становится понятно что ЭБУ исправен, РХХ исправен и тем не менее есть какая то причина по которой ЭБУ принимает решение открыть РХХ на максимум.
Вот здесь и начинается самая интересная часть и ответ на вопрос ветки вашего форума. Согласно документации ЭБУ считает что морот находтся в режиме ХХ тогда когда значение напряжения с датчика положения дросельной заслонки достигает 0.9 вотльта. У нас же было 1.1-1.2 в. Исследование этого вопроса показало что на практике существует порог примерно от 0.9 до 1.25-1.3 выше которого считается что не ХХ. Тест пневмо-баланса двигателя показал что у данного мотора нарушена работа клапанного механизма и суть этого дефекта в том что мотор не достаточно всасыват топливную смесь. Потери около 25%. В этом случае, сначала занижаются показания расходомера и чтоб это скомпенсировать, ЭБУ увеличивает поток воздуха через мотор, путём открытия РХХ ("дотягивает" показания расходомера до нужного значения). Теперь если если на пересечении этих двух фактов нажать на газ и поднять обороты на 3-4 тыс. а потом отпустить педаль ... И если ЭБУ по показаниям Дат.Полж.Др.Засл. не "увидит" режим ХХ (значение напряжения не достигнет хотя бы 1 вольт - см. выше) то ЭБУ не продолжает выполнять "программу" коррекции показаний расходомера (не выходит из этого режима) и удерживает РХХ в той или иной степени открытости (а это наши 3000 оборотов). Перегазовка не помогает вывести систему из этого состояния (обороты только могут повыситься но не понизиться).
Проверка Дат.Полж.Др.Засл.(ДПДЗ) показала его исправность, опорное напряжение НА НЕГО в норме .... А вот, МАССОВЫЙ КОНТАКТ при прозвонке НА МИНУС БАТАРЕИ давал значение ОТ 0.5 ДО 150 ОМ !!! И ДАЖЕ ПОЛНЫЙ ОБРЫВ ПРИ ШЕВЕЛЕНИИ ОТСТЁГНУТОГО С ДАТЧИКА РАЗЪЁМА. Это и приводило к тому что подымался потенциал на выходе ДПДЗ более чем значение порога. В результате ЭБУ открывает РХХ и подымает обороты. Проблема была в нутри разъёма в месте обжима провода было окисление (провода и жгуты целые). Вынули пин. из разъёма, пропаяли эту обжимку и куда всё делось ??? ::thinking:: Проблемы как не бывало ...
==========================================
Вывод: Есть вот такая вот логика работы ЭБУ и при сочетании некоторых фактов мы получам в разных режимах работы мотора не падающие обороты ХХ (например 3000). Заниженные показания расходомера возникаю от: загрязнения самого расходомера (помыть карб-клинером), подсоса воздуха через шланги - прокладки (найти и герметизировать), дефектов клапанного механизма (гидрокомпенсаторы, давление масла - к мотористам). ЭБУ не видит что дросельная заслонка достигла состояния полного закрытия (режим ХХ) по причине неисправности самого ДПДрЗ, плохой массы в любом месте от разьёма датчика до точки заземления на кузов (включая обжимки контактов разъёма). Вот вам и список "больных мест" и варианты почему у многих из вас проблема пропадала при замене какого то датчика ... Вы просто шевелили жгуты ...
Мы убедились ещё раз в своём диагнозе...
===========================
Уже на отремонтированом автомобиле когда с оборотами стало всё ОК (ездили , газовали, проверяли, прогревали, остужали, сручали по калёсам, протирали фары ...) - всё ОК. Так вот мы не поленились и разрезали массовый провод ДПДрЗ и в разрыв включили выскоточный магазин сопротивлений на 100 ом с шагом 10 ом. И вот мы ставим магазин на ноль (масса типа хорошая) ... Заводим, газуем - всё ОК... Накручиваем потихоньку сопротивление на магазине (типа имитируем плохую массу) и когда у нас стало 50-60 ом при очередной прогазовке Оба ... И обороты застряли на 3000 !!!? Газуй не газуй не мене 3000 ... Теперь магазин сбрасываем в ноль (пока обороты висят 3000) и Оба ... у нас тут же падает на 850 .... Мы давай ещё раз .... Уже 50-60 ом не зависают обороты ... Мы больше даём ... На 90 ом при очередной прогазовке Оба ... опять 3000 ... Сбрасываем магазин на ноль и опять падает до нормальных 800-850... Эффект полностью воспроизводим... Наш плохой контакт давал даже более чем 100 ом ...
==========================================
С уважением ко всем кто создавал эту ветку форума
ТестАвто (с) Одесса, Украина 2010 год 27 Июля (35 град жары у моря)


Вернуться к началу
 Профиль  
 
 Заголовок сообщения:
СообщениеДобавлено: Вт июл 27, 2010 15:39 
Не в сети
Модератор раздела FAQ
Модератор раздела FAQ
Аватара пользователя

Зарегистрирован: Вт фев 28, 2006 16:15
Сообщения: 6483
Откуда: Москва.
Машина: другой Ford
avtoelk Спасибо за инфу!
Значит ещё, эта проблема может быть из-за :
- плохой массы у разъёма ДПДЗ,
- плохой контакт на Датчике скорости.

_________________
С уважением, Михаил.
Променял Эскорт 16V на Форд-Фокус II и III.


Вернуться к началу
 Профиль  
 
 Заголовок сообщения:
СообщениеДобавлено: Вт июл 27, 2010 16:51 
Не в сети
ученик форума
ученик форума

Зарегистрирован: Сб июл 24, 2010 18:05
Сообщения: 6
Вот фотка разъёма и датчика положения заслонки.
Коричневый провод это и есть массовый контакт.

Да и ещё ... Согласно Фордовской ремонтной базе, масса для ДПДЗ и масса датчика температуры охлаждающей жидкости (темп. двиг.) соеденены вместе, и получают массу с кузова в районе левой передней стойки через переходной разъём, прямо над заслонкой. Именно с этого места берёт массу и ЭБУ и ещё кто то (не помню). Так что там ООочень важное место. Может быть у кого то и в том месте проблема с массой.
Есть картинки из ремонтной базы прокладки жгутов, разьёмов и схема всего этого дела. В любом из перечисленых мест если будет проблема контакта, то вы получите неуловимые неисправности.


Вложения:
Комментарий к файлу: Датчик положения др. Заслонки и его разъём
1.JPG
1.JPG [ 114.92 КБ | Просмотров: 9169 ]
Вернуться к началу
 Профиль  
 
 Заголовок сообщения:
СообщениеДобавлено: Вт июл 27, 2010 16:56 
Не в сети
Модератор раздела FAQ
Модератор раздела FAQ
Аватара пользователя

Зарегистрирован: Вт фев 28, 2006 16:15
Сообщения: 6483
Откуда: Москва.
Машина: другой Ford
avtoelk , а неисправность была постоянной или плавающей?
Многие жалуются , что глючит в жару только.

_________________
С уважением, Михаил.
Променял Эскорт 16V на Форд-Фокус II и III.


Вернуться к началу
 Профиль  
 
 Заголовок сообщения:
СообщениеДобавлено: Вт июл 27, 2010 17:09 
Не в сети
ученик форума
ученик форума

Зарегистрирован: Сб июл 24, 2010 18:05
Сообщения: 6
Неисправность была плавающей которая переросла в постоянную (теперь уже понятно что по мере окисления контакта в разъёме). Т.е. ему меняли регулятор ХХ (был выгоревшая обмотка). После этого он поездил неделю (было летом прошлым) и потом началась проблема по нарастающей. Искать массы по всей прокладке жгутов и разъёмов. Наши электронщики пришли к выводу что это должна быть болячка у Эскортов по причине плохой совместимости хим состава клемников (пинов) в разъёмах с материалом проводов. Это всё хозяйство со временем просто окисляется в разных местах. В принципе возможно было бы создать ремонтное руководство с картинками жгутов и схемами из базы где было бы описано все точки которые проверить. Надо ли ? Может и этого достаточно ...


Вернуться к началу
 Профиль  
 
 Заголовок сообщения:
СообщениеДобавлено: Вт июл 27, 2010 20:25 
Не в сети
Модератор раздела
Модератор раздела
Аватара пользователя

Зарегистрирован: Пт дек 05, 2008 0:10
Сообщения: 8793
Откуда: г Обнинск Калужская обл
Мы всегда рады новым решениям любой проблемы,а уж если грамотно описано,да ещё с фотками то обоими руками за :lol:

_________________
.Был:FORD eskort 1991г 1,4дв,СVН, EFI,хетч
сейчас Хонда CR-V 2000г.американка
Несправедливо не ответить на несправедливость!
Жестоко не ответить на жестокость!


Вернуться к началу
 Профиль  
 
 Заголовок сообщения:
СообщениеДобавлено: Вт июл 27, 2010 23:45 
Не в сети
ученик форума
ученик форума

Зарегистрирован: Сб июл 24, 2010 18:05
Сообщения: 6
Нету времени оформлять всё это в единую статью потому просто публикую документацию связанную с темой.


Вложения:
Комментарий к файлу: Жгуты проводов
.jpg
.jpg [ 93.55 КБ | Просмотров: 9236 ]
Комментарий к файлу: Схема
.jpg
.jpg [ 468.39 КБ | Просмотров: 9240 ]
Вернуться к началу
 Профиль  
 
 Заголовок сообщения:
СообщениеДобавлено: Ср июл 28, 2010 0:01 
Не в сети
Модератор раздела FAQ
Модератор раздела FAQ
Аватара пользователя

Зарегистрирован: Вт фев 28, 2006 16:15
Сообщения: 6483
Откуда: Москва.
Машина: другой Ford
avtoelk Пиши тут, не проблема.
Это схемы для Зетека с 96 г.?

_________________
С уважением, Михаил.
Променял Эскорт 16V на Форд-Фокус II и III.


Вернуться к началу
 Профиль  
 
 Заголовок сообщения:
СообщениеДобавлено: Ср июл 28, 2010 2:01 
Не в сети
рейсер форума
рейсер форума
Аватара пользователя

Зарегистрирован: Вт май 02, 2006 4:22
Сообщения: 886
Откуда: Питер
Дааа, какая давнишняя тема и наконец-то нашли проблему! Ведь я тоже с этой проблемой мучался на Эскорте! =)

_________________
Есть: Citroen C5, 2007, 2.0 АКПП
Были: 7) VW PASSAT B5+, 2004, 1.9TDI 4motion 6) VW PASSAT B5+, 2004, 1.8T AWT 5) VW PASSAT B5, 1998, 1.9TDI AFN, 4АКПП 4) LADA KALINA 2006 3) VW PASSAT B5, 1998, 1.8 ADR 2) ВАЗ 21150i 2004 1) Ford Escort VII 1.8 16V 1996


Вернуться к началу
 Профиль  
 
 Заголовок сообщения:
СообщениеДобавлено: Ср июл 28, 2010 11:28 
Не в сети
ученик форума
ученик форума

Зарегистрирован: Сб июл 24, 2010 18:05
Сообщения: 6
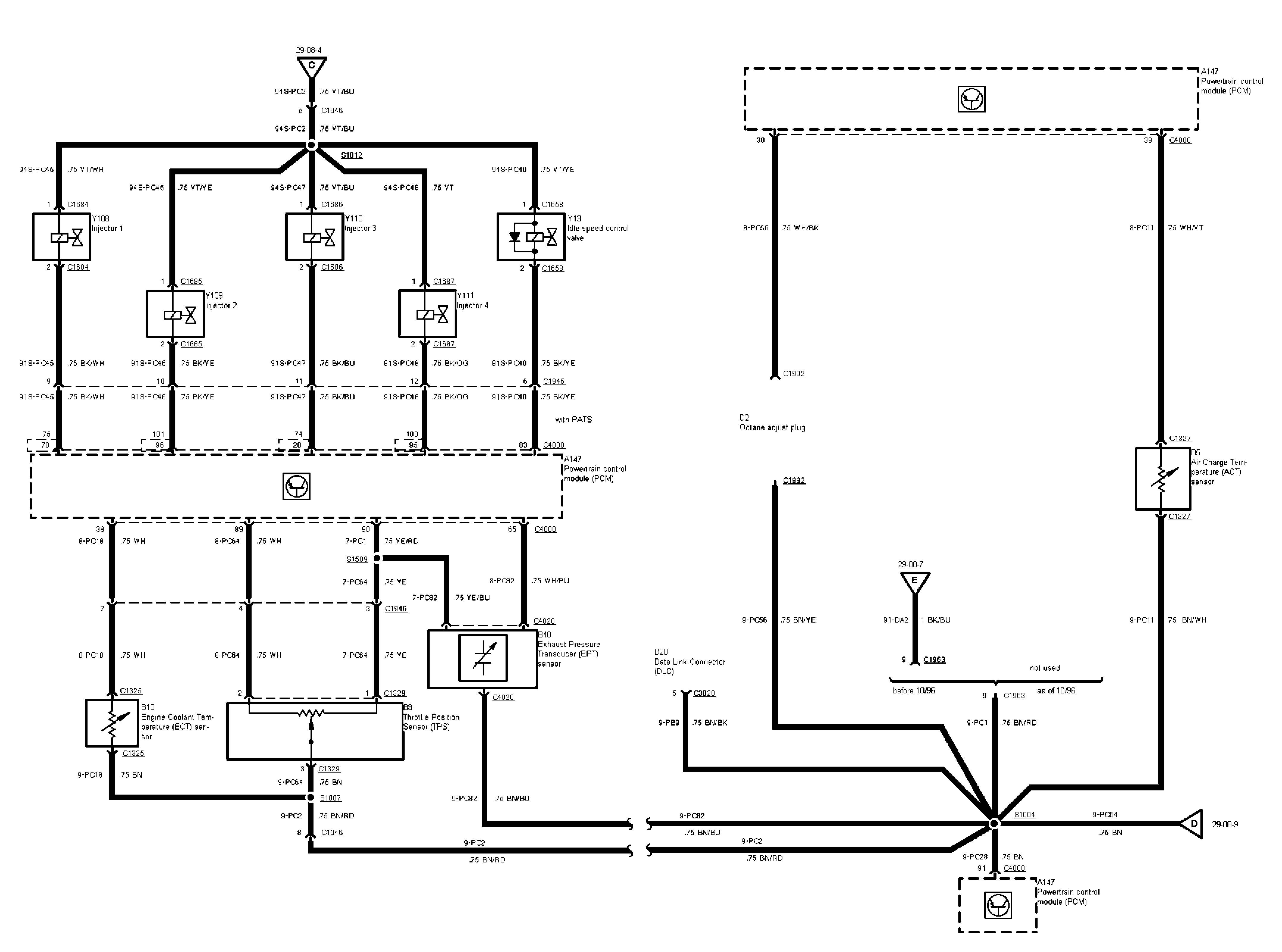
Да это именно ZETEC c 1996г. - 1.6 л. Вот заголовок схемы из Фордовской ремонтной базы. Полная схема 12 страниц это только кусок. Здесь показаны массы и подключение ДПДЗ и Дат. Темп. Двиг. На картинке показана прокладка жгутов и расположение разъёмов. Смотрите номера на схеме и ищите на картинке.


Вложения:
1.JPG
1.JPG [ 12.18 КБ | Просмотров: 10642 ]
Вернуться к началу
 Профиль  
 
 Заголовок сообщения:
СообщениеДобавлено: Пн авг 02, 2010 0:36 
Не в сети
профессионал форума
профессионал форума
Аватара пользователя

Зарегистрирован: Пт ноя 21, 2008 0:19
Сообщения: 2158
Откуда: Брест, Беларусь
Mishal писал(а):
Значит ещё, эта проблема может быть из-за :
- плохой массы у разъёма ДПДЗ,
- плохой контакт на Датчике скорости.
-в самом ДПДЗ.

avtoelk, мегареспект! :smile155:

_________________
Escort Mk7 '96 1.6i Zetec 4LPG универсал
Mondeo Mk3 '02 2.0i DuraTec 4LPG универсал
Белорусский Ford Клуб


Вернуться к началу
 Профиль  
 
 Заголовок сообщения:
СообщениеДобавлено: Пн ноя 22, 2010 22:25 
Не в сети
ученик форума
ученик форума

Зарегистрирован: Вс мар 23, 2008 16:47
Сообщения: 2
Откуда: Украина, Одесса
avtoelk

КАК ВАС НАЙТИ ??? отпишитесь в личку плыз!
найти ТестАвто в Одессе не могу((

_________________
Escort'97, 1.3


Вернуться к началу
 Профиль  
 
Показать сообщения за:  Поле сортировки  
Начать новую тему Ответить на тему  [ Сообщений: 400 ]  На страницу Пред.  1 ... 17, 18, 19, 20, 21, 22, 23 ... 27  След.

Часовой пояс: UTC + 4 часа [ Летнее время ]


Кто сейчас на конференции

Сейчас этот форум просматривают: нет зарегистрированных пользователей и гости: 5


Вы не можете начинать темы
Вы не можете отвечать на сообщения
Вы не можете редактировать свои сообщения
Вы не можете удалять свои сообщения
Вы не можете добавлять вложения

Найти:
Перейти:  
POWERED_BY
Русская поддержка phpBB
[ Time : 0.051s | 17 Queries | GZIP : Off ]