Автомобильные Форумы POKATILI.RU

Форумы Добровольного Общества Взаимного Обеспечения на Дорогах
Текущее время: Ср апр 22, 2026 5:43

Часовой пояс: UTC + 4 часа [ Летнее время ]




Начать новую тему Ответить на тему  [ Сообщений: 20 ]  На страницу 1, 2  След.
Автор Сообщение
 Заголовок сообщения: Электросхемы Эскорт
СообщениеДобавлено: Пн мар 05, 2007 17:09 
Не в сети
Модератор раздела
Модератор раздела
Аватара пользователя

Зарегистрирован: Вс авг 20, 2006 17:59
Сообщения: 14895
Откуда: Питер,м.Нарвская,м.В.О.
нарезано из электронки


Вложения:
1,6 CVH и АКПП.jpg [176.25 КБ]
Скачиваний: 1389

_________________
BMW e36/M44 319is/93-98/синий седан/
были: БТР,Урал375,Ваз21061,Orion1,4CVH(carb21083)Green Metal 1986(продан...скучаю...)
Моя музыка Изображение
Вернуться к началу
 Профиль  
 
 Заголовок сообщения:
СообщениеДобавлено: Пн мар 05, 2007 17:12 
Не в сети
Модератор раздела
Модератор раздела
Аватара пользователя

Зарегистрирован: Вс авг 20, 2006 17:59
Сообщения: 14895
Откуда: Питер,м.Нарвская,м.В.О.
......


Вложения:
Сист. зажигания до1995.JPG [183.46 КБ]
Скачиваний: 1408

_________________
BMW e36/M44 319is/93-98/синий седан/
были: БТР,Урал375,Ваз21061,Orion1,4CVH(carb21083)Green Metal 1986(продан...скучаю...)
Моя музыка Изображение
Вернуться к началу
 Профиль  
 
 Заголовок сообщения:
СообщениеДобавлено: Чт мар 08, 2007 22:51 
Не в сети
Модератор раздела
Модератор раздела
Аватара пользователя

Зарегистрирован: Вс авг 20, 2006 17:59
Сообщения: 14895
Откуда: Питер,м.Нарвская,м.В.О.
...


Вложения:
сист.пуска с 1996..JPG [220.52 КБ]
Скачиваний: 1269

_________________
BMW e36/M44 319is/93-98/синий седан/
были: БТР,Урал375,Ваз21061,Orion1,4CVH(carb21083)Green Metal 1986(продан...скучаю...)
Моя музыка Изображение
Вернуться к началу
 Профиль  
 
 Заголовок сообщения:
СообщениеДобавлено: Чт мар 08, 2007 22:54 
Не в сети
Модератор раздела
Модератор раздела
Аватара пользователя

Зарегистрирован: Вс авг 20, 2006 17:59
Сообщения: 14895
Откуда: Питер,м.Нарвская,м.В.О.
...


Вложения:
модели до 1995 г.JPG [147.27 КБ]
Скачиваний: 1345

_________________
BMW e36/M44 319is/93-98/синий седан/
были: БТР,Урал375,Ваз21061,Orion1,4CVH(carb21083)Green Metal 1986(продан...скучаю...)
Моя музыка Изображение
Вернуться к началу
 Профиль  
 
 Заголовок сообщения:
СообщениеДобавлено: Чт мар 08, 2007 22:55 
Не в сети
Модератор раздела
Модератор раздела
Аватара пользователя

Зарегистрирован: Вс авг 20, 2006 17:59
Сообщения: 14895
Откуда: Питер,м.Нарвская,м.В.О.
...


Вложения:
1,6 EF.JPG [250.23 КБ]
Скачиваний: 1370

_________________
BMW e36/M44 319is/93-98/синий седан/
были: БТР,Урал375,Ваз21061,Orion1,4CVH(carb21083)Green Metal 1986(продан...скучаю...)
Моя музыка Изображение
Вернуться к началу
 Профиль  
 
 Заголовок сообщения:
СообщениеДобавлено: Чт мар 08, 2007 23:01 
Не в сети
Модератор раздела
Модератор раздела
Аватара пользователя

Зарегистрирован: Вс авг 20, 2006 17:59
Сообщения: 14895
Откуда: Питер,м.Нарвская,м.В.О.
...


Вложения:
Resize of Resize of упр.двигSEFI с 1996.JPG [234 КБ]
Скачиваний: 1367

_________________
BMW e36/M44 319is/93-98/синий седан/
были: БТР,Урал375,Ваз21061,Orion1,4CVH(carb21083)Green Metal 1986(продан...скучаю...)
Моя музыка Изображение
Вернуться к началу
 Профиль  
 
 Заголовок сообщения:
СообщениеДобавлено: Чт мар 08, 2007 23:03 
Не в сети
Модератор раздела
Модератор раздела
Аватара пользователя

Зарегистрирован: Вс авг 20, 2006 17:59
Сообщения: 14895
Откуда: Питер,м.Нарвская,м.В.О.
...


Вложения:
Resize of 1,4CFI до1995.JPG [218.82 КБ]
Скачиваний: 1272

_________________
BMW e36/M44 319is/93-98/синий седан/
были: БТР,Урал375,Ваз21061,Orion1,4CVH(carb21083)Green Metal 1986(продан...скучаю...)
Моя музыка Изображение
Вернуться к началу
 Профиль  
 
 Заголовок сообщения:
СообщениеДобавлено: Чт мар 08, 2007 23:04 
Не в сети
Модератор раздела
Модератор раздела
Аватара пользователя

Зарегистрирован: Вс авг 20, 2006 17:59
Сообщения: 14895
Откуда: Питер,м.Нарвская,м.В.О.
...


Вложения:
Resize of заж.и впрыск CFI 1,3 до 1995.JPG [219.89 КБ]
Скачиваний: 984

_________________
BMW e36/M44 319is/93-98/синий седан/
были: БТР,Урал375,Ваз21061,Orion1,4CVH(carb21083)Green Metal 1986(продан...скучаю...)
Моя музыка Изображение
Вернуться к началу
 Профиль  
 
 Заголовок сообщения:
СообщениеДобавлено: Чт мар 08, 2007 23:05 
Не в сети
Модератор раздела
Модератор раздела
Аватара пользователя

Зарегистрирован: Вс авг 20, 2006 17:59
Сообщения: 14895
Откуда: Питер,м.Нарвская,м.В.О.
...


Вложения:
Resize of зетек 16 кл.JPG [225.28 КБ]
Скачиваний: 1386

_________________
BMW e36/M44 319is/93-98/синий седан/
были: БТР,Урал375,Ваз21061,Orion1,4CVH(carb21083)Green Metal 1986(продан...скучаю...)
Моя музыка Изображение
Вернуться к началу
 Профиль  
 
 Заголовок сообщения:
СообщениеДобавлено: Чт мар 08, 2007 23:05 
Не в сети
Модератор раздела
Модератор раздела
Аватара пользователя

Зарегистрирован: Вс авг 20, 2006 17:59
Сообщения: 14895
Откуда: Питер,м.Нарвская,м.В.О.
...


Вложения:
Resize of обознач.на схемах.JPG [242.94 КБ]
Скачиваний: 1192

_________________
BMW e36/M44 319is/93-98/синий седан/
были: БТР,Урал375,Ваз21061,Orion1,4CVH(carb21083)Green Metal 1986(продан...скучаю...)
Моя музыка Изображение
Вернуться к началу
 Профиль  
 
 Заголовок сообщения:
СообщениеДобавлено: Чт мар 08, 2007 23:06 
Не в сети
Модератор раздела
Модератор раздела
Аватара пользователя

Зарегистрирован: Вс авг 20, 2006 17:59
Сообщения: 14895
Откуда: Питер,м.Нарвская,м.В.О.
...


Вложения:
Внешнее освещ.до1995.JPG [195.4 КБ]
Скачиваний: 1046

_________________
BMW e36/M44 319is/93-98/синий седан/
были: БТР,Урал375,Ваз21061,Orion1,4CVH(carb21083)Green Metal 1986(продан...скучаю...)
Моя музыка Изображение
Вернуться к началу
 Профиль  
 
 Заголовок сообщения:
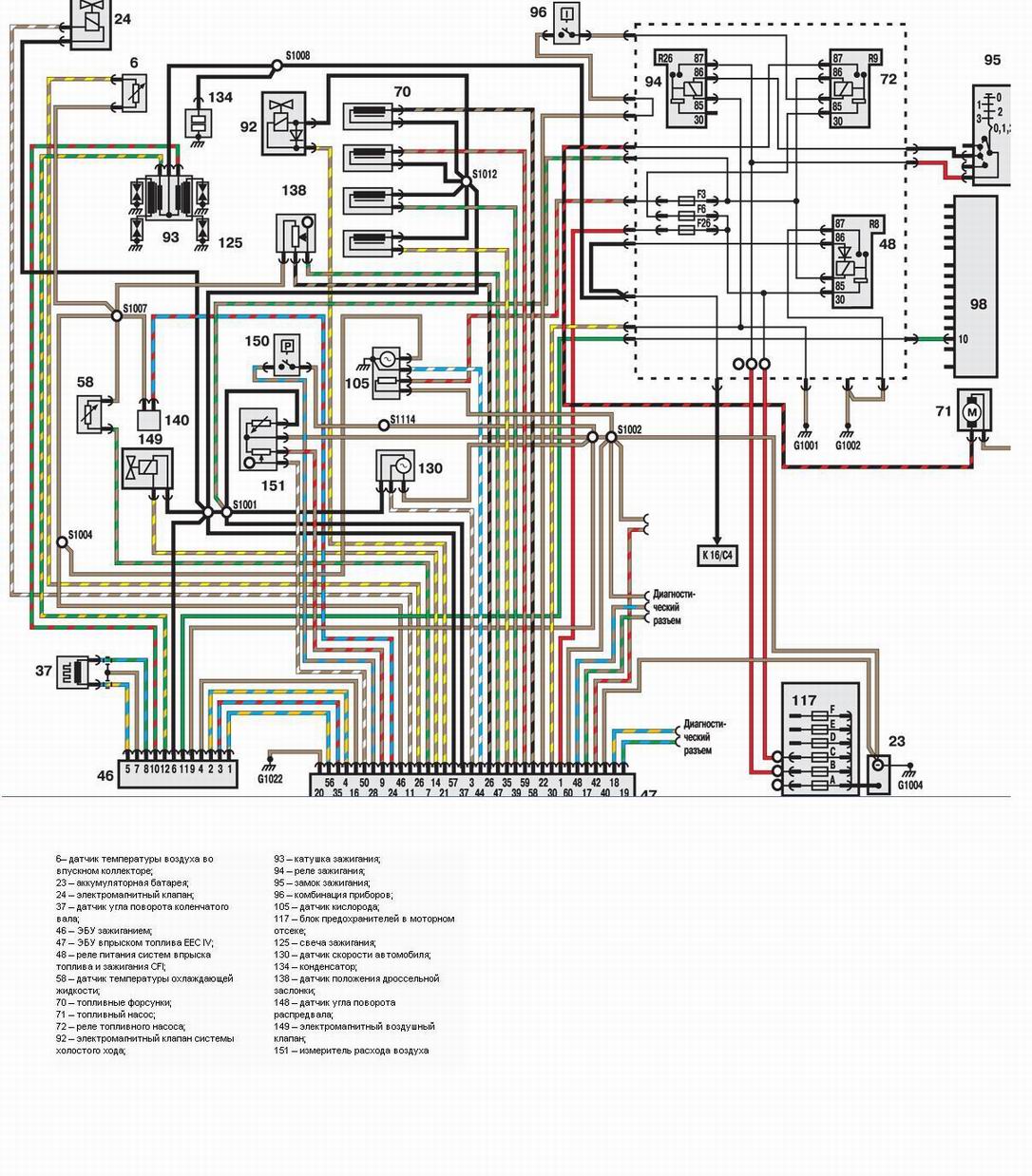
СообщениеДобавлено: Пт мар 09, 2007 16:42 
Не в сети
Модератор раздела
Модератор раздела
Аватара пользователя

Зарегистрирован: Вс авг 20, 2006 17:59
Сообщения: 14895
Откуда: Питер,м.Нарвская,м.В.О.
...


Вложения:
Resize of упр.двигCFI с 1996.JPG [249.62 КБ]
Скачиваний: 1036

_________________
BMW e36/M44 319is/93-98/синий седан/
были: БТР,Урал375,Ваз21061,Orion1,4CVH(carb21083)Green Metal 1986(продан...скучаю...)
Моя музыка Изображение
Вернуться к началу
 Профиль  
 
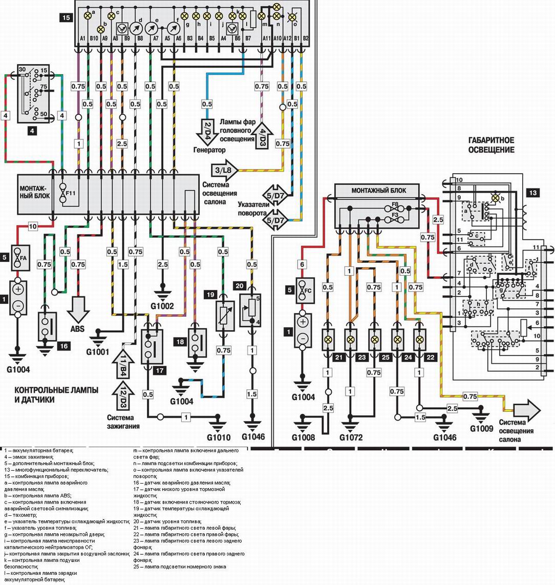
 Заголовок сообщения:
СообщениеДобавлено: Пт мар 09, 2007 16:44 
Не в сети
Модератор раздела
Модератор раздела
Аватара пользователя

Зарегистрирован: Вс авг 20, 2006 17:59
Сообщения: 14895
Откуда: Питер,м.Нарвская,м.В.О.
...


Вложения:
Resize of контр.лампы и датчики с1996.JPG [232.02 КБ]
Скачиваний: 1162

_________________
BMW e36/M44 319is/93-98/синий седан/
были: БТР,Урал375,Ваз21061,Orion1,4CVH(carb21083)Green Metal 1986(продан...скучаю...)
Моя музыка Изображение
Вернуться к началу
 Профиль  
 
 Заголовок сообщения:
СообщениеДобавлено: Пн мар 19, 2007 2:44 
Не в сети
чайник форума (знак 70)
чайник форума (знак 70)

Зарегистрирован: Пн ноя 27, 2006 0:30
Сообщения: 265
Откуда: Баку
На схеме управления двигателем SEFI неверно указано внутреннее изображение ДПДЗ, с 26 ножки ЭБУ поступает опорное напряжение +5 вольт, соответствующий вывод ДПДЗ должен быть изображён как крайний. Выход ДПДЗ, на котором и нужно мерять выходное напряжение при проверке, подключён к 47 ноге ЭБУ.

_________________
Escort 98 CLX, 5-D хэтч, CVH PTE 1.4i SEFI, A/C, SRS, ГУР, Panther Black
Focus-2 2006, 5-D хэтч, 1.6i, стептроник, лунный металлик.
была ВАЗ 21093 Samara 1500 карб, 96г.


Вернуться к началу
 Профиль  
 
 Заголовок сообщения:
СообщениеДобавлено: Вс ноя 04, 2007 23:31 
Не в сети
Модератор раздела FAQ
Модератор раздела FAQ
Аватара пользователя

Зарегистрирован: Вт фев 28, 2006 16:15
Сообщения: 6483
Откуда: Москва.
Машина: другой Ford
Тут есть ещё несколько схем:
http://pokatili.ru/forum/viewtopic.php?t=1041

_________________
С уважением, Михаил.
Променял Эскорт 16V на Форд-Фокус II и III.


Вернуться к началу
 Профиль  
 
Показать сообщения за:  Поле сортировки  
Начать новую тему Ответить на тему  [ Сообщений: 20 ]  На страницу 1, 2  След.

Часовой пояс: UTC + 4 часа [ Летнее время ]


Кто сейчас на конференции

Сейчас этот форум просматривают: нет зарегистрированных пользователей и гости: 1


Вы не можете начинать темы
Вы не можете отвечать на сообщения
Вы не можете редактировать свои сообщения
Вы не можете удалять свои сообщения
Вы не можете добавлять вложения

Найти:
Перейти:  
POWERED_BY
Русская поддержка phpBB
[ Time : 0.051s | 16 Queries | GZIP : Off ]