Автомобильные Форумы POKATILI.RU

Форумы Добровольного Общества Взаимного Обеспечения на Дорогах
Текущее время: Ср янв 21, 2026 10:40

Часовой пояс: UTC + 4 часа [ Летнее время ]




Начать новую тему Ответить на тему  [ Сообщений: 82 ]  На страницу Пред.  1, 2, 3, 4, 5, 6
Автор Сообщение
 Заголовок сообщения: Re: Фордовские разъемы
СообщениеДобавлено: Вт янв 08, 2013 17:30 
Не в сети
чайник форума (знак 70)
чайник форума (знак 70)

Зарегистрирован: Вс дек 18, 2011 20:34
Сообщения: 180
Откуда: Киев
Машина: Ford Escort
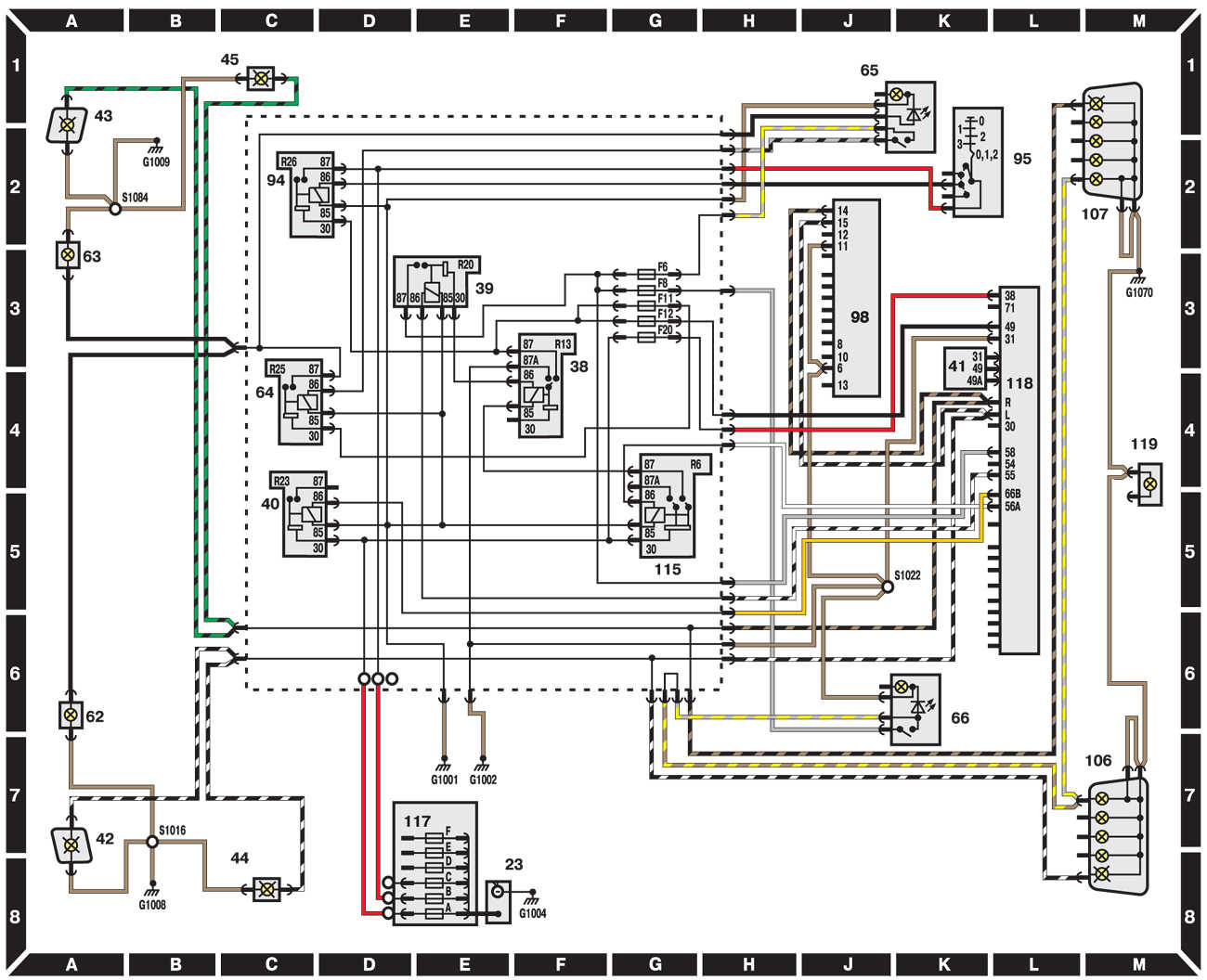
Если подключить противотуманки от кнопки то можно кнопку и спалить. У Форда кнопка включает реле R25, а уже через контакты реле подаётся напряжение на противотуманки. В схеме кнопка - номер 65, противотуманки - 62, 63.


Вложения:
sh10.jpg
sh10.jpg [ 146.94 КБ | Просмотров: 3053 ]

_________________
Ford Escort CVH 1,4 CFi, хетчбэк 3-х дверный, 1991 год
http://www.drive2.ru/cars/ford/escort/e ... 5/burakov/
Вернуться к началу
 Профиль  
 
 Заголовок сообщения: Re: Фордовские разъемы
СообщениеДобавлено: Вт янв 08, 2013 18:14 
Не в сети
ученик форума
ученик форума
Аватара пользователя

Зарегистрирован: Ср июл 04, 2012 18:20
Сообщения: 43
Откуда: Беларусь, Орша
Машина: Ford Escort
Это понятно, что через реле подключать надо, в моей электроцепи оно есть. Вопрос в другом. Я кнопку хочу вообще "освободить" от возложенных на неё ранее обязанностей и использовать только для включения передних противотуманок. Судя по схеме, на кнопку приходят 4 провода, так вот какой провод зачем нужен и соответственно на какой разъём на кнопке подключается? Может для моего случая все 4 разъёма и не нужны; нужно, чтобы она выполняла свою непосредственную функцию "вкл/выкл" + оранжевый индикатор гореть должен в режиме "вкл". Ну не электрик я нифига, для меня электрика- тёмный лес!:) Всю цепь я собираю по нарисованной схеме. Само включение/выключение на кнопке я найду прозвонкой или даже "методом тыка", как я уже делал раньше, подключая к аналогичной кнопке габариты (на подрулевом переключателе они "отсохли"). Как подключить светодиод или как он там называется?
Кстати, эта схема вообще что такое? Полная электрическая схема Эскорта?

_________________
Ford Escort '92 1.4CFI 3-дв.

Бывшие:
Ford Escort '88 1.6D *дизель - это зло*
Ford Escort '87, 1.4 (карбюратор 21083), 4МКПП, 3-дв. хэтч *приятные воспоминания*


Вернуться к началу
 Профиль  
 
 Заголовок сообщения: Re: Фордовские разъемы
СообщениеДобавлено: Вт янв 08, 2013 18:27 
Не в сети
чайник форума (знак 70)
чайник форума (знак 70)

Зарегистрирован: Вс дек 18, 2011 20:34
Сообщения: 180
Откуда: Киев
Машина: Ford Escort
Это схема на "Внешнее освещение, указатели поворота, противотуманный свет". В Форде для удобства все провода разного цвета, цвет указан на схемах. На контакт, включающий реле подходят провода жёлто-серого и чёрно-серого цвета. Два других провода (коричневый и чёрный) идут на индикатор.
Все схемы: http://automn.ru/ford-escort/autocatego ... _id2-.html

_________________
Ford Escort CVH 1,4 CFi, хетчбэк 3-х дверный, 1991 год
http://www.drive2.ru/cars/ford/escort/e ... 5/burakov/


Вернуться к началу
 Профиль  
 
 Заголовок сообщения: Re: Фордовские разъемы
СообщениеДобавлено: Вт янв 08, 2013 20:56 
Не в сети
ученик форума
ученик форума
Аватара пользователя

Зарегистрирован: Ср июл 04, 2012 18:20
Сообщения: 43
Откуда: Беларусь, Орша
Машина: Ford Escort
Я извиняюсь за свою тупость, но тем не менее: а куда коричневый и чёрный провода (на индикатор которые) от выключателя идут? Перефразирую- от чего их запитать, что бы горел индикатор?

_________________
Ford Escort '92 1.4CFI 3-дв.

Бывшие:
Ford Escort '88 1.6D *дизель - это зло*
Ford Escort '87, 1.4 (карбюратор 21083), 4МКПП, 3-дв. хэтч *приятные воспоминания*


Вернуться к началу
 Профиль  
 
 Заголовок сообщения: Re: Фордовские разъемы
СообщениеДобавлено: Вт янв 08, 2013 23:01 
Не в сети
чайник форума (знак 70)
чайник форума (знак 70)

Зарегистрирован: Вс дек 18, 2011 20:34
Сообщения: 180
Откуда: Киев
Машина: Ford Escort
mosin писал(а):
а куда коричневый и чёрный провода (на индикатор которые) от выключателя идут? Перефразирую- от чего их запитать, что бы горел индикатор?

Оба провода подключены через разъёмы от блока предохранителей и реле. А так: коричневый это минус, т.е. масса. Чёрный - тот же самый провод, по которому подаётся напряжение на противотуманки после включения реле R25.
Кстати откуда уверенность, что в цепи есть реле противотуманок?

_________________
Ford Escort CVH 1,4 CFi, хетчбэк 3-х дверный, 1991 год
http://www.drive2.ru/cars/ford/escort/e ... 5/burakov/


Вернуться к началу
 Профиль  
 
 Заголовок сообщения: Re: Фордовские разъемы
СообщениеДобавлено: Ср янв 09, 2013 1:04 
Не в сети
ученик форума
ученик форума
Аватара пользователя

Зарегистрирован: Ср июл 04, 2012 18:20
Сообщения: 43
Откуда: Беларусь, Орша
Машина: Ford Escort
Ага, ну тогда попробую. А уверенность насчёт реле от того, что для противотуманок я прокладываю отдельные провода и в эту цепь включено и реле. У меня нет штатных мест для дополнительных фар, соответственно, нет и заводской эл. проводки

_________________
Ford Escort '92 1.4CFI 3-дв.

Бывшие:
Ford Escort '88 1.6D *дизель - это зло*
Ford Escort '87, 1.4 (карбюратор 21083), 4МКПП, 3-дв. хэтч *приятные воспоминания*


Вернуться к началу
 Профиль  
 
 Заголовок сообщения: Re: Фордовские разъемы
СообщениеДобавлено: Ср янв 09, 2013 1:11 
Не в сети
чайник форума (знак 70)
чайник форума (знак 70)

Зарегистрирован: Вс дек 18, 2011 20:34
Сообщения: 180
Откуда: Киев
Машина: Ford Escort
mosin писал(а):
А уверенность насчёт реле от того, что для противотуманок я прокладываю отдельные провода и в эту цепь включено и реле. У меня нет штатных мест для дополнительных фар, соответственно, нет и заводской эл. проводки

Я спрашиваю потому, что реле R25 устанавливается в блок предохранителей. Что бы его обнаружить, надо исследовать вышеупомянутый блок. Если комплектация Форда не предусматривает противотуманки, то это реле не устанавливается.

_________________
Ford Escort CVH 1,4 CFi, хетчбэк 3-х дверный, 1991 год
http://www.drive2.ru/cars/ford/escort/e ... 5/burakov/


Вернуться к началу
 Профиль  
 
Показать сообщения за:  Поле сортировки  
Начать новую тему Ответить на тему  [ Сообщений: 82 ]  На страницу Пред.  1, 2, 3, 4, 5, 6

Часовой пояс: UTC + 4 часа [ Летнее время ]


Кто сейчас на конференции

Сейчас этот форум просматривают: нет зарегистрированных пользователей и гости: 2


Вы не можете начинать темы
Вы не можете отвечать на сообщения
Вы не можете редактировать свои сообщения
Вы не можете удалять свои сообщения
Вы не можете добавлять вложения

Найти:
Перейти:  
cron
POWERED_BY
Русская поддержка phpBB
[ Time : 0.023s | 17 Queries | GZIP : Off ]