Автомобильные Форумы POKATILI.RU

Форумы Добровольного Общества Взаимного Обеспечения на Дорогах
Текущее время: Пт апр 24, 2026 19:03

Часовой пояс: UTC + 4 часа [ Летнее время ]




Форум закрыт Эта тема закрыта, вы не можете редактировать и оставлять сообщения в ней.  [ Сообщений: 14 ] 
Автор Сообщение
 Заголовок сообщения: электрика бензонасоса
СообщениеДобавлено: Пн сен 25, 2006 12:47 
Не в сети
чайник форума (знак 70)
чайник форума (знак 70)

Зарегистрирован: Чт дек 22, 2005 3:06
Сообщения: 288
Откуда: Москва
Господа электрики и просто знающие, подскажите плиз мне схему работы бензонасоса, где что питается(естественно не на предохранителе:)). Вообщем мне надо пройтись по цепи бензонасоса и понять в каком месте возникла проблема, есть подозрение что перебита проводка:(
На предохранителе тока нет, на реле бензонасоса есть "+" на ножке 30 - постоянный плюс при всех положениях ключа. С остальными ножками какая то непонятка возможно ответ именно тут:)
На второй силовой ножке ничего нет(это и понятно),
на одной из ножек отвечающих за вкл реле не помню номера при неповернутом ключе есть -, при повернутом нет ничего.
На второй ножке при неповернутом нет ничего, при повернутой какой то слабый +(т.е. контролька светится тускло).
Реле исправное!!!
Кто может хоть чем то помочь, плиз. Хотелось бы все таки знать контрольные точки в проводке, которые надо прозвонить...

_________________
Eskord 1.6 EFi LJF 103л.с. хэтчбек 5 дв. 91г.в.


Вернуться к началу
 Профиль  
 
 Заголовок сообщения:
СообщениеДобавлено: Пн сен 25, 2006 12:57 
Не в сети
Ученик форума.
Аватара пользователя

Зарегистрирован: Пт мар 18, 2005 0:21
Сообщения: 8462
Откуда: Москва, СВАО
Если быстро и теория, то так: С замка зажигания идут 12 в блок предохранителей на реле задержки. С него на б Насос.

Включил зажигание, реле сработало, бнасос стал качать... Еси в течение 3-5 секунд авто не завелась, реле выключаеца. Еси завелась продолжает работать. На бнасосе 12 вольтов, он работаит...

_________________

Есть: Nissan Almera, 2005, 1.5 QG15, МКПП, серый. СиБи связь в авто, 15й канал.
Есть: Daewoo Matiz II (M150) 2002 0.8 MКПП , зеленый.
Было: Ford Escort CL, 1991, 1.4 mono, CVH, F6F, МКПП 5-В, белый, хэтч, 5 дв.
Было: ВАЗ 2101, 1980, дв 1200, красный

На форуме не хулиганить... Я всё вижу. Ваши данные:

Изображение


Вернуться к началу
 Профиль  
 
 Заголовок сообщения:
СообщениеДобавлено: Пн сен 25, 2006 13:40 
Не в сети
чайник форума (знак 70)
чайник форума (знак 70)

Зарегистрирован: Чт дек 22, 2005 3:06
Сообщения: 288
Откуда: Москва
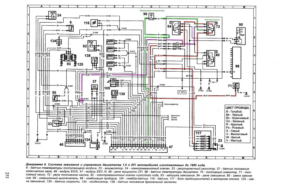
Так значит немного не так как я понимаю:)
Вот схемка...
Сразу вопросы:
1) Инерционный выключатель где стоит? На схеме салатовый. Что с него идет "+" или "-"(я полагаю что все таки должен "-", т.к. сиреневый явный "+"), но не очень понятно все эти точки пайки и завязки с датчиками скорости и т.п.
2) Виталик что то говорил про 12 В. Откуда она берутся на схеме, явно питание 27В.
Вообщем как я понимаю вся моя проблема как раз в этом выключателе, т.к. у меня отсутствует минус на ножке реле, + какой то слабый но есть.
У кого какие соображения...

_________________
Eskord 1.6 EFi LJF 103л.с. хэтчбек 5 дв. 91г.в.


Вернуться к началу
 Профиль  
 
 Заголовок сообщения:
СообщениеДобавлено: Пн сен 25, 2006 14:08 
Не в сети
Ученик форума.
Аватара пользователя

Зарегистрирован: Пт мар 18, 2005 0:21
Сообщения: 8462
Откуда: Москва, СВАО
У меня нету инерционника... Где должен стоять, не знаю... Снято предыдущим хозяином...

Откуда 27 вольтов?

_________________

Есть: Nissan Almera, 2005, 1.5 QG15, МКПП, серый. СиБи связь в авто, 15й канал.
Есть: Daewoo Matiz II (M150) 2002 0.8 MКПП , зеленый.
Было: Ford Escort CL, 1991, 1.4 mono, CVH, F6F, МКПП 5-В, белый, хэтч, 5 дв.
Было: ВАЗ 2101, 1980, дв 1200, красный

На форуме не хулиганить... Я всё вижу. Ваши данные:

Изображение


Вернуться к началу
 Профиль  
 
 Заголовок сообщения:
СообщениеДобавлено: Пн сен 25, 2006 15:38 
Не в сети
чайник форума (знак 70)
чайник форума (знак 70)

Зарегистрирован: Чт дек 22, 2005 3:06
Сообщения: 288
Откуда: Москва
Сорри Виталь это мой косяк:) Все от работы, конечно 12:)
Я хотел подправить и рисунок добавить, но инет глюканул и так все и осталось...
Вот добавляю схему, вопросы теже:
Инерционный выключатель где стоит? На схеме салатовый. Что с него идет "+" или "-"(я полагаю что все таки должен "-", т.к. сиреневый явный "+"), но не очень понятно все эти точки пайки и завязки с датчиками скорости и т.п.


Вложения:
Схема бензонасоса.JPG [179.01 КБ]
Скачиваний: 135

_________________
Eskord 1.6 EFi LJF 103л.с. хэтчбек 5 дв. 91г.в.
Вернуться к началу
 Профиль  
 
 Заголовок сообщения:
СообщениеДобавлено: Пн сен 25, 2006 15:46 
Не в сети
Ученик форума.
Аватара пользователя

Зарегистрирован: Пт мар 18, 2005 0:21
Сообщения: 8462
Откуда: Москва, СВАО
Эх....

:D

Позвони мне, позвони....
Позвони мне ради Бога...

:D
Личка...

_________________

Есть: Nissan Almera, 2005, 1.5 QG15, МКПП, серый. СиБи связь в авто, 15й канал.
Есть: Daewoo Matiz II (M150) 2002 0.8 MКПП , зеленый.
Было: Ford Escort CL, 1991, 1.4 mono, CVH, F6F, МКПП 5-В, белый, хэтч, 5 дв.
Было: ВАЗ 2101, 1980, дв 1200, красный

На форуме не хулиганить... Я всё вижу. Ваши данные:

Изображение


Вернуться к началу
 Профиль  
 
 Заголовок сообщения:
СообщениеДобавлено: Вт сен 26, 2006 1:01 
Не в сети
Специалист по электрике
Аватара пользователя

Зарегистрирован: Вт сен 20, 2005 4:06
Сообщения: 6562
Откуда: сКольский п-ов
Николай писал(а):
Цитата:
Господа электрики и просто знающие, подскажите плиз мне схему работы бензонасоса, где что питается(естественно не на предохранителе).

Постараюсь понятнее... :D
Цитата:
Так значит немного не так как я понимаю
Вот схемка...
Сразу вопросы:

Сразу ответы:
1. Инерционный выключатель стоит за пластиковой накладкой стойки внизу у левой ноги водителя. Внешний вид не очень помню, но если память не изменяет, черная хренька типа коробка с красной кнопкой(давно ползал).
2. Схему читаешь неправильно, отседова и непонятки.
Мои схемы на работе, попробую объяснить по твоей.
Сначала включается реле 40. В разных схемах оно обзывается по-разному: реле задержки, реле замедления ЕФИ, реле мощности ЕФИ. В твоей схеме оно должно быть не 40, а 48 :!: (ох уж мне эти очепяточки :evil: ). Оно подаёт плюсевич на ногу 86 катушки реле бензонасоса, на ногу 85 приходит "-" через инерционный выключатель с мозгов. Реле бензонасоса срабатывает и силовые контакты замыкают цепь бензонасоса, тем самым его включая.
А дальше как сказал Кипер: если аффто не заводят, реле 40 отключается, рвет цепь катушки реле бензонасоса, отключается реле бензонасоса, разрывая цепь бензонасоса.

Теперича што надо смотреть:
1. Включение реле 40 при повороте ключа зажигания.
2. Наличие плюсевича на ноге 86 катушки реле бензонасоса после срабатывания реле 40.
3. Наличие "-" на ноге 85 катушки реле бензонасоса.

Если что непонятно из объяснения - ВИЛКАМ!

Удачи! :wink:

_________________
Мир всем...
Escort''95 mk6, CLX, hatchback five-door , CFI, J6A, HCS 1.3
...имеющие уши да услышат...
...у быстро бегущей маленькой мышки лапок не видно - отрицать невидимое есть очевидная ересь...


Вернуться к началу
 Профиль  
 
 Заголовок сообщения:
СообщениеДобавлено: Вт сен 26, 2006 11:38 
Не в сети
ученик форума
ученик форума

Зарегистрирован: Чт июн 08, 2006 17:47
Сообщения: 45
Откуда: Москва
Можно так,
1. подать 12 воль напрямую, на насос - проверка самого насоса.
подать на 35 контакт реле R9 землю - должен включиться бензонасос.
Если не включился, проверить:
2. на 30 контакте реле всегда должен быть +12
3. на 86 +12 появляется при включении зажигания.
4. на 35 появляется земля, когда срабатывает система управления.
5. на 87 должна, если реле R9 не замкнута, должна быть земля (через обмотку мотора насоса) реле сработало +12 с акума.

если при после подаче на 35 контакт реле земли насос включился,
проверить цепь управления,
1. на котакте 22 мозгов должно при вкл зажиг на 3-4 сек появится земля.
возможно и постоянно, в таком случае роль разрыва цепи насоса (если машина не завелась) служит инерц. пер 96, но по схеме у него нет цепи управления.....х.з.

_________________
Escort sedan 96 Zetec 1,6 SEFI - отличная машина.
Было ТРИ Москвича, двигло уфа - хорошие были машины.


Вернуться к началу
 Профиль  
 
 Заголовок сообщения:
СообщениеДобавлено: Вт сен 26, 2006 12:30 
Не в сети
чайник форума (знак 70)
чайник форума (знак 70)

Зарегистрирован: Чт дек 22, 2005 3:06
Сообщения: 288
Откуда: Москва
Всем огромное спасибо, вчера был прозвонен весь блок и проводка бензонасоса, оказалось все ок:) Причина отказа так и не установлена, но после сборки все заработало:)) Видать где то контактик отошел...
Всем еще раз спасибо!

_________________
Eskord 1.6 EFi LJF 103л.с. хэтчбек 5 дв. 91г.в.


Вернуться к началу
 Профиль  
 
 Заголовок сообщения:
СообщениеДобавлено: Вт сен 26, 2006 13:04 
Не в сети
Автоэксперт широкого профиля
Аватара пользователя

Зарегистрирован: Пн июл 11, 2005 9:51
Сообщения: 2145
Откуда: Красноярск
контактик гдей-то гулял !! может и окисел на клемме к бензусу !!
Эх слабое место эоектрика у форда ! Ох слабая .......

_________________
Удачи.
Вадим.
TOYOTA-IPSUM TYPE-S.


Вернуться к началу
 Профиль  
 
 Заголовок сообщения:
СообщениеДобавлено: Вт сен 26, 2006 14:31 
Не в сети
Модератор раздела
Модератор раздела

Зарегистрирован: Чт авг 18, 2005 0:02
Сообщения: 4139
Откуда: Великий Новогород
Вадим писал(а):
Эх слабое место эоектрика у форда ! Ох слабая .......


У кого же сильное это место? У Хонд 2000 годов?

Лучше скажите, как починить датчик уровня топлива? Там протерта бегунком дорожка.

_________________
Ford Escort MkV 5-Door Hatchback 1991 CVH F6F (1,4 CFI)


Вернуться к началу
 Профиль  
 
 Заголовок сообщения:
СообщениеДобавлено: Ср сен 27, 2006 7:23 
Не в сети
Автоэксперт широкого профиля
Аватара пользователя

Зарегистрирован: Пн июл 11, 2005 9:51
Сообщения: 2145
Откуда: Красноярск
Это типа подкол ???
Я про факт говорю, У ФОРДОВ проводка СЛАБОЕ МЕСТО !!!!!!!!!!!!!
А востановить дорожку можно только сменив датчик.

Других вариантов НЕТ ! на то она и дорожка (ПОТЕНЦИОМЕТР однако).

_________________
Удачи.
Вадим.
TOYOTA-IPSUM TYPE-S.


Вернуться к началу
 Профиль  
 
 Заголовок сообщения:
СообщениеДобавлено: Ср сен 27, 2006 10:20 
Не в сети
Модератор раздела
Модератор раздела

Зарегистрирован: Чт авг 18, 2005 0:02
Сообщения: 4139
Откуда: Великий Новогород
На что менять? Запчасти фордовской такой нет, только в сборе с бензонасосом. Что -нибудь из росавтопрома? Что?

_________________
Ford Escort MkV 5-Door Hatchback 1991 CVH F6F (1,4 CFI)


Вернуться к началу
 Профиль  
 
 Заголовок сообщения:
СообщениеДобавлено: Ср сен 27, 2006 10:29 
Не в сети
Автоэксперт широкого профиля
Аватара пользователя

Зарегистрирован: Пн июл 11, 2005 9:51
Сообщения: 2145
Откуда: Красноярск
Могу продать за пивко вариант !!!!!!!!!!!
Только не смеятся о его простоте.

ИТАК:
- снимаем бак !!!!!!!!!!!!!!!
- смотрим на место куда можно поставить ДАТЧИК от 41 москвича !
- режим дырдочку, вставляем датчик через резиновую прокладку (брать толстую бензостойкую),
на саморезы садим датчик, чтоб нервало сталь бака рекомендую использовать металл. скобы под саморезы,
они вешаются на кромку металла ( т.е. вставляются с боку реза). Подключаем контакты и ВУАЛЯ !!!!!!!!!!!!!!!

Регулировать глубину опускания, через загиб проволки поплавка !
ЕСТЬ ОДНА ПРОБЛЕМКА !!!!!!!!!! На форды не ставил, на мерина, рено (старенькую) там ПОЛЯРНОСТЬ ОКАЗАЛАСЬ ОБРАТНАЯ !!!!!!!!!
Т.Е. при пустом баке показывает ПОЛНЫЙ, при полном ПУСТОЙ, но лампочка окончания ВСЁ РАВНО РАБОТАЕТ !!!!!

Хотя думаю через схемку можно и полярность сменить ! Тока тут я профан.

УСЁ !!!!!!!!!

_________________
Удачи.
Вадим.
TOYOTA-IPSUM TYPE-S.


Вернуться к началу
 Профиль  
 
Показать сообщения за:  Поле сортировки  
Форум закрыт Эта тема закрыта, вы не можете редактировать и оставлять сообщения в ней.  [ Сообщений: 14 ] 

Часовой пояс: UTC + 4 часа [ Летнее время ]


Кто сейчас на конференции

Сейчас этот форум просматривают: нет зарегистрированных пользователей и гости: 3


Вы не можете начинать темы
Вы не можете отвечать на сообщения
Вы не можете редактировать свои сообщения
Вы не можете удалять свои сообщения
Вы не можете добавлять вложения

Найти:
Перейти:  
POWERED_BY
Русская поддержка phpBB
[ Time : 0.028s | 15 Queries | GZIP : Off ]