Автомобильные Форумы POKATILI.RU

Форумы Добровольного Общества Взаимного Обеспечения на Дорогах
Текущее время: Сб мар 07, 2026 23:55

Часовой пояс: UTC + 4 часа [ Летнее время ]




Начать новую тему Ответить на тему  [ Сообщений: 670 ]  На страницу Пред.  1 ... 25, 26, 27, 28, 29, 30, 31 ... 45  След.
Автор Сообщение
 Заголовок сообщения:
СообщениеДобавлено: Вс июл 04, 2010 23:50 
Не в сети
Модератор раздела
Модератор раздела
Аватара пользователя

Зарегистрирован: Пт дек 05, 2008 0:10
Сообщения: 8793
Откуда: г Обнинск Калужская обл
:lol: Мдя нет ограничений русскому колхозу :lol:

_________________
.Был:FORD eskort 1991г 1,4дв,СVН, EFI,хетч
сейчас Хонда CR-V 2000г.американка
Несправедливо не ответить на несправедливость!
Жестоко не ответить на жестокость!


Вернуться к началу
 Профиль  
 
 Заголовок сообщения:
СообщениеДобавлено: Пн июл 05, 2010 8:43 
Не в сети
чайник форума (знак 70)
чайник форума (знак 70)
Аватара пользователя

Зарегистрирован: Пн сен 03, 2007 19:23
Сообщения: 106
Откуда: Москва - Чебоксары
Clever писал(а):
Julien писал(а):
Я габариты и ближний отдельно вывел на два маленьких переключателя. Но еще осталась проблема с аварийкой - моргают не оба фонаря а как захотят (то левый то правый). И еще дальний иногда подмагривает при совершении маневра "поворот"


вот и у меня кто-то из предыдущих хозяев вывел дальний на педальку-кнопку там, где у РКПП педаль сцепления, кнопка пряталась под ковриком, слчайно нажал ее и всегда был включен дальний вместо ближнего - об этом мне рассказал электрик, после часа ковыряния в машине, разбавляя все дело матами, ну и после того как я перебрал переключатель, сломал его, заказал новый и поставил, но дальний так и продолжал гореть!!! :evil: :evil: :evil:
Так я вывел на видное место а не под коврик как у волги 21-ой :)


Вложения:
8.JPG
8.JPG [ 27.79 КБ | Просмотров: 8504 ]

_________________
Ford Escort 91г/matisse blue синий мталлик/1,6 CVH Efi бенз.двиг/77квт-105л.с./5-ти дв.хетч/220 т.км пробег
Вернуться к началу
 Профиль  
 
 Заголовок сообщения:
СообщениеДобавлено: Вт июл 06, 2010 23:17 
Не в сети
Модератор раздела
Модератор раздела
Аватара пользователя

Зарегистрирован: Пт дек 05, 2008 0:10
Сообщения: 8793
Откуда: г Обнинск Калужская обл
:lol: У меня тоже сюда вынесены :lol:

_________________
.Был:FORD eskort 1991г 1,4дв,СVН, EFI,хетч
сейчас Хонда CR-V 2000г.американка
Несправедливо не ответить на несправедливость!
Жестоко не ответить на жестокость!


Вернуться к началу
 Профиль  
 
 Заголовок сообщения:
СообщениеДобавлено: Пн июл 12, 2010 4:34 
Не в сети
чайник форума (знак 70)
чайник форума (знак 70)
Аватара пользователя

Зарегистрирован: Сб фев 24, 2007 20:17
Сообщения: 87
Откуда: Питер (Озерки-Политех)
Сегодня появился странный скрип, больше похожий на треск... Гдето в районе приборной панели. Он то появляется то пропадает. Но, при включении любого поворотника пропадает. Спеиально игрался пять минут) заскрипело-включаю поворотник-скрип пропал-выключаю, появляется скрип. Кто нибудь представляет, что может скрипеть ТАМ?
Скрип не зависит от оборотов двигателя или скорости. Он как бы сам по себе) Но реанирует на поворотники.

_________________
Рено Логан 2006, 1,4
Escort'97 1.3 HCS weber седан - продан


Вернуться к началу
 Профиль  
 
 Заголовок сообщения:
СообщениеДобавлено: Пн июл 12, 2010 11:09 
Не в сети
Зеленый лихач форума
Зеленый лихач форума

Зарегистрирован: Пн апр 21, 2008 19:19
Сообщения: 590
Откуда: Питер
Реле поворотников разбирай. Если не поможет - надо глядеть контакты в блоке предохранителей.

_________________
Escort-IV 1.3 OHV карб VV '88


Вернуться к началу
 Профиль  
 
 Заголовок сообщения:
СообщениеДобавлено: Пн июл 12, 2010 23:31 
Не в сети
Модератор раздела
Модератор раздела
Аватара пользователя

Зарегистрирован: Пт дек 05, 2008 0:10
Сообщения: 8793
Откуда: г Обнинск Калужская обл
Или контакты сигнала(бибикалки)скрипят,они полозиют по медным пластинкам и могут издавать такой звук.

_________________
.Был:FORD eskort 1991г 1,4дв,СVН, EFI,хетч
сейчас Хонда CR-V 2000г.американка
Несправедливо не ответить на несправедливость!
Жестоко не ответить на жестокость!


Вернуться к началу
 Профиль  
 
 Заголовок сообщения:
СообщениеДобавлено: Вт июл 13, 2010 1:11 
Не в сети
чайник форума (знак 70)
чайник форума (знак 70)
Аватара пользователя

Зарегистрирован: Сб фев 24, 2007 20:17
Сообщения: 87
Откуда: Питер (Озерки-Политех)
сегодня выдернул реле, и ,о чудо, не скрипит! поехал я в магазин)

_________________
Рено Логан 2006, 1,4
Escort'97 1.3 HCS weber седан - продан


Вернуться к началу
 Профиль  
 
 Заголовок сообщения:
СообщениеДобавлено: Пн авг 09, 2010 19:45 
Не в сети
чайник форума (знак 70)
чайник форума (знак 70)

Зарегистрирован: Вс июл 25, 2010 20:29
Сообщения: 85
Откуда: Тольятти
В моём фордике тоже глюк с дальним светом,а аварийка вообще не работает.Ездил ночью то цеплял резинку на дефлектор и рычаг,разбирать не решаюсь.

_________________
эскорт хэтч-3х дверка.1993г.в. HCS 1.3карб. Тольятти


Вернуться к началу
 Профиль  
 
 Заголовок сообщения:
СообщениеДобавлено: Пн авг 09, 2010 22:34 
Не в сети
чайник форума (знак 70)
чайник форума (знак 70)
Аватара пользователя

Зарегистрирован: Пт ноя 13, 2009 0:58
Сообщения: 296
Откуда: Санкт-Петербург
Добрался я наконец до своего подрулевого переключателя. До этого мигал дальний свет и не отщелкивались поворотники. Перед разборкой внимательно изучил форум по этому вопросу и надо сказать мне повезло, все разобралось и собралось довольно быстро. Поставив обратно подрулевой машинка два дня ездила нормально, все дефекты были устранены. В один прекрасный момент, когда я остановился у автоцентра из подрулевого пошел дым. Вскрытие показало, что обуглилась однадорожка (кнопка аварийки). После сборки перестали мигать поворотники и аварийки (они тупо горят!). В чем может быть трабла??

_________________
Форд орион 1990 гв 1,4 моновпрыск.Седан.Цвет выцвевшая вишня


Вернуться к началу
 Профиль  
 
 Заголовок сообщения:
СообщениеДобавлено: Вт авг 10, 2010 2:36 
Не в сети
Специалист по электрике
Аватара пользователя

Зарегистрирован: Вт сен 20, 2005 4:06
Сообщения: 6562
Откуда: сКольский п-ов
Wustrik писал(а):
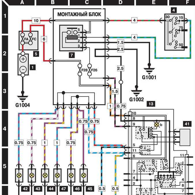
В один прекрасный момент, когда я остановился у автоцентра из подрулевого пошел дым. Вскрытие показало, что обуглилась однадорожка (кнопка аварийки). После сборки перестали мигать поворотники и аварийки (они тупо горят!). В чем может быть трабла??

Так и до пожара недалеко. Лови схему. Проверь приходящую на реле поворотов 41 массу.


Вложения:
Комментарий к файлу: 41 - реле поворотников
sh17.jpg
sh17.jpg [ 67.78 КБ | Просмотров: 7274 ]

_________________
Мир всем...
Escort''95 mk6, CLX, hatchback five-door , CFI, J6A, HCS 1.3
...имеющие уши да услышат...
...у быстро бегущей маленькой мышки лапок не видно - отрицать невидимое есть очевидная ересь...
Вернуться к началу
 Профиль  
 
 Заголовок сообщения:
СообщениеДобавлено: Вт авг 10, 2010 11:21 
Не в сети
чайник форума (знак 70)
чайник форума (знак 70)
Аватара пользователя

Зарегистрирован: Пт ноя 13, 2009 0:58
Сообщения: 296
Откуда: Санкт-Петербург
Спасибо за схемку. Саму релюшку тоже разбирал. Но она оказалась какая-то хитрая для меня. Подал 9 вольт на 31 - 49 контакты реле замкнулось но не разомкнулася пока я убрал напряжение. Я все никак не пойму по какому принцыпу ппроисходит прерывание.

_________________
Форд орион 1990 гв 1,4 моновпрыск.Седан.Цвет выцвевшая вишня


Вернуться к началу
 Профиль  
 
 Заголовок сообщения:
СообщениеДобавлено: Ср авг 11, 2010 13:08 
Не в сети
чайник форума (знак 70)
чайник форума (знак 70)
Аватара пользователя

Зарегистрирован: Пт ноя 13, 2009 0:58
Сообщения: 296
Откуда: Санкт-Петербург
Что ни у кого нет идей?

_________________
Форд орион 1990 гв 1,4 моновпрыск.Седан.Цвет выцвевшая вишня


Вернуться к началу
 Профиль  
 
 Заголовок сообщения:
СообщениеДобавлено: Ср авг 11, 2010 17:33 
Не в сети
Специалист по электрике
Аватара пользователя

Зарегистрирован: Вт сен 20, 2005 4:06
Сообщения: 6562
Откуда: сКольский п-ов
Wustrik писал(а):
Что ни у кого нет идей?

Каких ты ждешь идей?
Принцип работы реле поворотников:
При включении зажигания реле (в смысле реле поворотов) запитывается, и находится в заторможенном состоянии, т е задающий генератор выключен и реле (эл магнитное) обесточено. Этот режим обеспечивается подачей напряжения питания на вывод 8 микрасхемы (U2943B или аналог) с вывода 6 через внутренний резистор в микросхеме. В таком состоянии реле находится до момента включения сигнала поворота. При включении поворотов, вывод 8 микросхемы (вывод49А реле) соединяется с массой (через выключенные лампы ). Этот низкий уровень запускает генератор, на выводе 3 микросхемы появляется высокий уровень, который включает реле (эл магнитное), через контакты которого напряжение питания подается на вывод 49А и лампы вспыхивают, генератор работает, мы слышим щелчки реле. Через датчик протекающего тока (внутри реле поворотов), на вывод 7 микросхемы подается сигнал о исправности ламп. Если перегорела одна из двух ламп, то на выводе 7 будет недостаточное напряжение, и генератор удвоит частоту работы. Мы услышим частые щелчки. Обратите внимание: напряжение на лампы подается сразу (если точно то миллисекунд через 10) при включении поворота. При выключении поворота- лампы гаснут сразу (если в этот момент горели), а генератор микросхемы завершает свой полноценный цикл , после чего останавливается, получив высокий уровень на вывод 8 микросхемы. В режиме аварийной сигнализации контроль исправности ламп практически не ведется, он будет ждать перегорания трех (из четырех ламп, маленькие лампы не в счет).

А так оно проверяется.

_________________
Мир всем...
Escort''95 mk6, CLX, hatchback five-door , CFI, J6A, HCS 1.3
...имеющие уши да услышат...
...у быстро бегущей маленькой мышки лапок не видно - отрицать невидимое есть очевидная ересь...


Вернуться к началу
 Профиль  
 
 Заголовок сообщения:
СообщениеДобавлено: Ср авг 11, 2010 18:45 
Не в сети
чайник форума (знак 70)
чайник форума (знак 70)
Аватара пользователя

Зарегистрирован: Пт ноя 13, 2009 0:58
Сообщения: 296
Откуда: Санкт-Петербург
Спасибо огромное за подробное описание. ЕСли все же не реле?

_________________
Форд орион 1990 гв 1,4 моновпрыск.Седан.Цвет выцвевшая вишня


Вернуться к началу
 Профиль  
 
 Заголовок сообщения:
СообщениеДобавлено: Ср авг 11, 2010 18:50 
Не в сети
Специалист по электрике
Аватара пользователя

Зарегистрирован: Вт сен 20, 2005 4:06
Сообщения: 6562
Откуда: сКольский п-ов
Wustrik писал(а):
ЕСли все же не реле?

А я тебе и не говорю про рыле... Это ты про него спрашиваешь. :smile70:
Чё я тебе про проверку массы выше говорил?

_________________
Мир всем...
Escort''95 mk6, CLX, hatchback five-door , CFI, J6A, HCS 1.3
...имеющие уши да услышат...
...у быстро бегущей маленькой мышки лапок не видно - отрицать невидимое есть очевидная ересь...


Вернуться к началу
 Профиль  
 
Показать сообщения за:  Поле сортировки  
Начать новую тему Ответить на тему  [ Сообщений: 670 ]  На страницу Пред.  1 ... 25, 26, 27, 28, 29, 30, 31 ... 45  След.

Часовой пояс: UTC + 4 часа [ Летнее время ]


Кто сейчас на конференции

Сейчас этот форум просматривают: нет зарегистрированных пользователей и гости: 3


Вы не можете начинать темы
Вы не можете отвечать на сообщения
Вы не можете редактировать свои сообщения
Вы не можете удалять свои сообщения
Вы не можете добавлять вложения

Найти:
Перейти:  
POWERED_BY
Русская поддержка phpBB
[ Time : 0.035s | 16 Queries | GZIP : Off ]