Автомобильные Форумы POKATILI.RU

Форумы Добровольного Общества Взаимного Обеспечения на Дорогах
Текущее время: Ср апр 22, 2026 3:17

Часовой пояс: UTC + 4 часа [ Летнее время ]




Начать новую тему Ответить на тему  [ Сообщений: 17 ]  На страницу Пред.  1, 2
Автор Сообщение
 Заголовок сообщения:
СообщениеДобавлено: Чт июн 10, 2010 2:37 
Не в сети
Специалист по электрике
Аватара пользователя

Зарегистрирован: Вт сен 20, 2005 4:06
Сообщения: 6562
Откуда: сКольский п-ов
Vital_P писал(а):
А сегодня, что со стрелкой температуры немного плавает указатель уровня топлива, когда в жару 32 градуса стрелка температуры на ходу упала почти в минимум а топливо на 1/5 ниже чем было минуту назад. Через некоторое время всё пришло в норму. Мне кажется дело с каким-то питающим напряжением раз эти вещи взаимосвязаны. Подскажите с чего начать поиски.

Причин немного. Либо плохой контакт по "+"(красная стрелка), либо по массе(зеленая стрелка), либо в самой приборке, либо в блоке реле.

Лампочки на приборке нормально горят, не моргают?

ЗЫ. И добавь данные аффто в подпись.


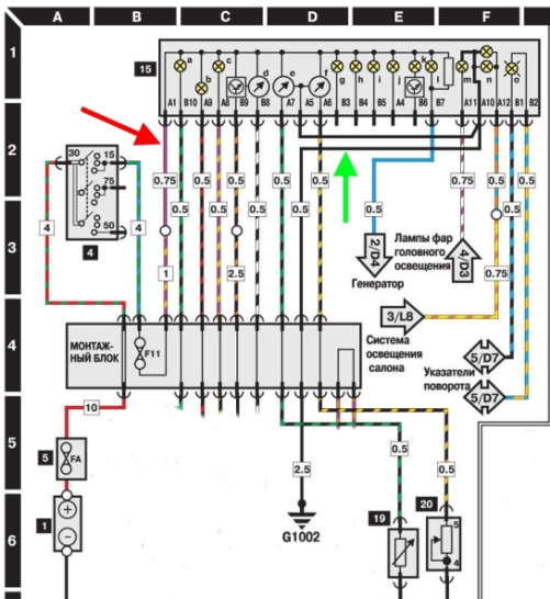
Вложения:
Комментарий к файлу: 15-приборка
е-указатель температуры
f-указатель уровня топлива

sh15.jpg
sh15.jpg [ 175.9 КБ | Просмотров: 894 ]

_________________
Мир всем...
Escort''95 mk6, CLX, hatchback five-door , CFI, J6A, HCS 1.3
...имеющие уши да услышат...
...у быстро бегущей маленькой мышки лапок не видно - отрицать невидимое есть очевидная ересь...
Вернуться к началу
 Профиль  
 
 Заголовок сообщения:
СообщениеДобавлено: Чт июн 10, 2010 13:11 
Не в сети
чайник форума (знак 70)
чайник форума (знак 70)

Зарегистрирован: Чт ноя 05, 2009 16:28
Сообщения: 54
Откуда: Гомель
В том то и дело, что с лампами всё в порядке. Был у меня Ford Taunus там тоже была такая проблема, стрелка уровня топлива и температуры с биметаллическим приводом, и наверняка присутствует схема коррекции зависимости от температуры окружающего воздуха. В эскорте принцип работы я полагаю такой же? Это я к тому, что зимой проблем то не возникает, причем я наблюдаю это уже 3 года. Система освещения салона в схеме это подсветка панели приборов?


Вернуться к началу
 Профиль  
 
Показать сообщения за:  Поле сортировки  
Начать новую тему Ответить на тему  [ Сообщений: 17 ]  На страницу Пред.  1, 2

Часовой пояс: UTC + 4 часа [ Летнее время ]


Кто сейчас на конференции

Сейчас этот форум просматривают: нет зарегистрированных пользователей и гости: 1


Вы не можете начинать темы
Вы не можете отвечать на сообщения
Вы не можете редактировать свои сообщения
Вы не можете удалять свои сообщения
Вы не можете добавлять вложения

Найти:
Перейти:  
cron
POWERED_BY
Русская поддержка phpBB
[ Time : 0.018s | 16 Queries | GZIP : Off ]