Автомобильные Форумы POKATILI.RU

Форумы Добровольного Общества Взаимного Обеспечения на Дорогах
Текущее время: Сб мар 07, 2026 12:40

Часовой пояс: UTC + 4 часа [ Летнее время ]




Начать новую тему Ответить на тему  [ Сообщений: 18 ]  На страницу Пред.  1, 2
Автор Сообщение
 Заголовок сообщения:
СообщениеДобавлено: Ср сен 24, 2008 17:37 
Не в сети
ученик форума
ученик форума

Зарегистрирован: Пн фев 27, 2006 11:32
Сообщения: 34
Откуда: Украина, Донбасс (Краматорск)
Creator писал(а):
Вкрадчиво: а сигналка у тя есть?...


Сигналка есть, но не Фордовская, а установленная отдельно, а штатно иммобилайзер в ключе зажигания.

Возможно этот разъём (слева) должен идти на встроенную (заводскую) сигнализацию, кот отключена.

_________________
Ford Escort 95, Zetec 1,6 16V, МКПП, 5 дверей, ГУР, конд, хетч.


Вернуться к началу
 Профиль  
 
 Заголовок сообщения:
СообщениеДобавлено: Ср сен 24, 2008 18:18 
Не в сети
профессионал форума
профессионал форума
Аватара пользователя

Зарегистрирован: Пн сен 03, 2007 14:21
Сообщения: 1628
Откуда: Барановичи - РБ
Может, установщики сигналки намудрили? Или в блоке надо перемычку на реле/перемычку поменять, или разъем не тот... Или перемыкаешь не так... Варианты есть... Проверь цвета проводов - будешь видеть где что на схеме.
Посмотрел в кате - номера на косы с туманками и без разные - может это и не тот разъем. Хотя туманки подключить проблем никаких - цепляешь провод на монтажном блоке на + тянешь к выключателю, с него пускаешь на туманки через реле - штатное, или колхозное. Провод уходящий под бампер найти возле монтажного блока по цвету или схеме несложно.

_________________
Escort [MkVII] '97 - 3 двери, PTE (CVH) 1.4i, ABS, ГУР - живчик. Нашел нового хозяина. Больше не требует внимания к своему ЛКП.


Вернуться к началу
 Профиль  
 
 Заголовок сообщения:
СообщениеДобавлено: Ср сен 24, 2008 19:02 
Не в сети
профессионал форума
профессионал форума
Аватара пользователя

Зарегистрирован: Пн сен 03, 2007 14:21
Сообщения: 1628
Откуда: Барановичи - РБ
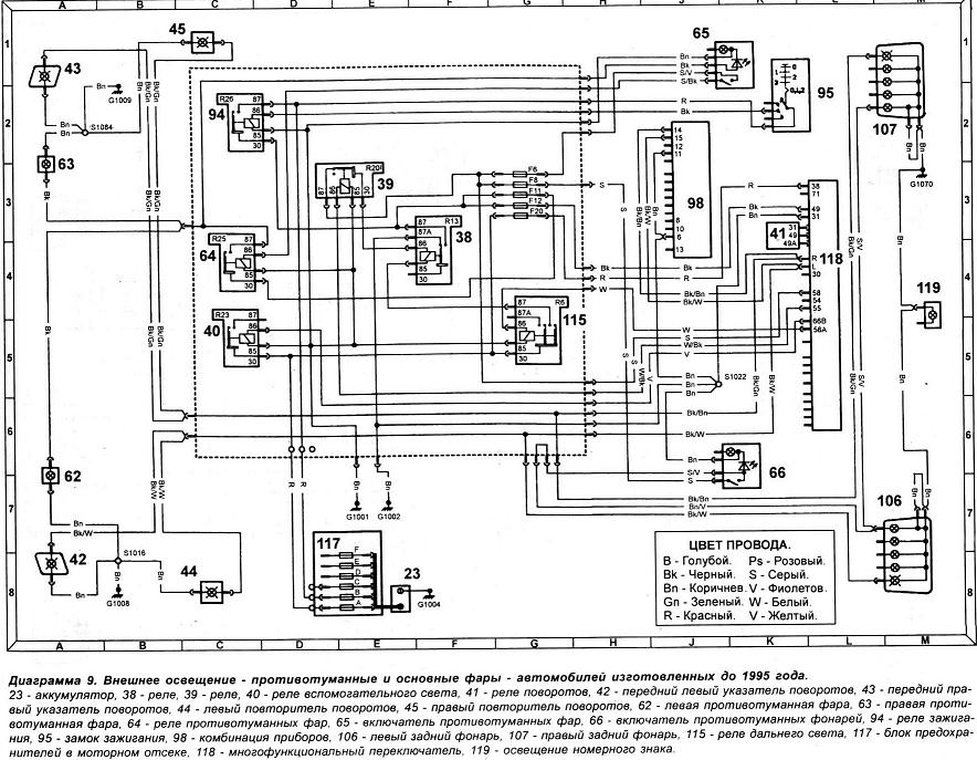
вот в помощь


Вложения:
2.jpg [145.82 КБ]
Скачиваний: 96

_________________
Escort [MkVII] '97 - 3 двери, PTE (CVH) 1.4i, ABS, ГУР - живчик. Нашел нового хозяина. Больше не требует внимания к своему ЛКП.
Вернуться к началу
 Профиль  
 
Показать сообщения за:  Поле сортировки  
Начать новую тему Ответить на тему  [ Сообщений: 18 ]  На страницу Пред.  1, 2

Часовой пояс: UTC + 4 часа [ Летнее время ]


Кто сейчас на конференции

Сейчас этот форум просматривают: нет зарегистрированных пользователей и гости: 2


Вы не можете начинать темы
Вы не можете отвечать на сообщения
Вы не можете редактировать свои сообщения
Вы не можете удалять свои сообщения
Вы не можете добавлять вложения

Найти:
Перейти:  
POWERED_BY
Русская поддержка phpBB
[ Time : 0.024s | 14 Queries | GZIP : Off ]