Автомобильные Форумы POKATILI.RU

Форумы Добровольного Общества Взаимного Обеспечения на Дорогах
Текущее время: Чт апр 23, 2026 14:57

Часовой пояс: UTC + 4 часа [ Летнее время ]




Начать новую тему Ответить на тему  [ Сообщений: 7 ] 
Автор Сообщение
СообщениеДобавлено: Вт фев 05, 2013 0:20 
Не в сети
чайник форума (знак 70)
чайник форума (знак 70)

Зарегистрирован: Ср янв 05, 2011 17:49
Сообщения: 176
Откуда: Киев
Народ подскажите возможно ли поставить на 1.4 вместо родного трамблера трамблер от таврии слышал что подобные переделки были и вот вопрос что проще переделать трамблер от 2108 или трамблер от таврии ??

вот фото на таврический http://piccy.info/view3/3949653/741caf5 ... f427/1200/


Вернуться к началу
 Профиль  
 
СообщениеДобавлено: Вт фев 05, 2013 14:20 
Не в сети
Специалист широкого профиля

Зарегистрирован: Ср мар 08, 2006 16:33
Сообщения: 3975
Откуда: Харьков
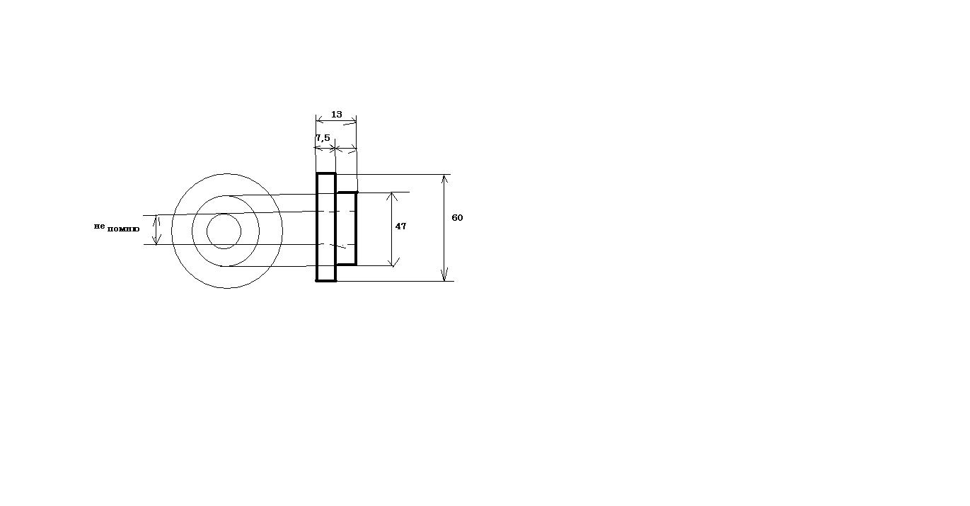
Вложение:
Labetth писал(а):
Народ подскажите возможно ли поставить на 1.4 вместо родного трамблера трамблер от таврии слышал что подобные переделки были и вот вопрос что проще переделать трамблер от 2108 или трамблер от таврии ??

вот фото на таврический http://piccy.info/view3/3949653/741caf5 ... f427/1200/
Гдето когдато я нарыл в сети, что таврический трамблер станет на CVH через такую проставку. Сам я не пробовал. Если сделаешь --- отпишись, пожалуйста ;)

_________________
Ford Escort хэтч, CVH 1,4 F6D (сейчас карб Pierburg 1B3 ), май 90г., красный, люк, ЦЗ.


Вернуться к началу
 Профиль  
 
СообщениеДобавлено: Ср фев 06, 2013 0:05 
Не в сети
ученик форума
ученик форума

Зарегистрирован: Ср дек 12, 2012 13:42
Сообщения: 33
Откуда: Кременчуг
Машина: Ford Escort
ftopic7874-0-0-asc-.php?t=7874&start=0&postdays=0&postorder=asc&highlight=
у меня есть с фотками,могу отправить


Вернуться к началу
 Профиль  
 
СообщениеДобавлено: Ср фев 06, 2013 0:44 
Не в сети
чайник форума (знак 70)
чайник форума (знак 70)

Зарегистрирован: Ср янв 05, 2011 17:49
Сообщения: 176
Откуда: Киев
да если мона киньте фотки на мыло 252010@zeos.net


Вернуться к началу
 Профиль  
 
СообщениеДобавлено: Пн фев 11, 2013 0:17 
Не в сети
чайник форума (знак 70)
чайник форума (знак 70)
Аватара пользователя

Зарегистрирован: Чт янв 26, 2012 12:58
Сообщения: 130
Откуда: Мядель беларусь
Тоже очень интересно посмотреть на фото. А почему сюда нельзя выложить фото замены трамблера ???

_________________
Эскорт мк5 1991гв
1.4 cvh (было cfi) уже Солекс-21083


Вернуться к началу
 Профиль  
 
СообщениеДобавлено: Пн фев 11, 2013 0:49 
Не в сети
ученик форума
ученик форума

Зарегистрирован: Ср дек 12, 2012 13:42
Сообщения: 33
Откуда: Кременчуг
Машина: Ford Escort
Pasha b1 писал(а):
Тоже очень интересно посмотреть на фото. А почему сюда нельзя выложить фото замены трамблера ???

Я в компах не силен,давай я скину тебе на почту,а ты решишь можна их сюда както добавить или нет.


Вернуться к началу
 Профиль  
 
СообщениеДобавлено: Пн фев 11, 2013 20:43 
Не в сети
чайник форума (знак 70)
чайник форума (знак 70)
Аватара пользователя

Зарегистрирован: Чт янв 26, 2012 12:58
Сообщения: 130
Откуда: Мядель беларусь
Я тоже с этими нанотехнологиями не дружу. Вот адрес почты bogytskiypasha@mail.ru. Вот еще интересно e-dis можно заменить тарамблером??????

_________________
Эскорт мк5 1991гв
1.4 cvh (было cfi) уже Солекс-21083


Вернуться к началу
 Профиль  
 
Показать сообщения за:  Поле сортировки  
Начать новую тему Ответить на тему  [ Сообщений: 7 ] 

Часовой пояс: UTC + 4 часа [ Летнее время ]


Кто сейчас на конференции

Сейчас этот форум просматривают: нет зарегистрированных пользователей и гости: 5


Вы не можете начинать темы
Вы не можете отвечать на сообщения
Вы не можете редактировать свои сообщения
Вы не можете удалять свои сообщения
Вы не можете добавлять вложения

Найти:
Перейти:  
POWERED_BY
Русская поддержка phpBB
[ Time : 0.053s | 15 Queries | GZIP : Off ]