Автомобильные Форумы POKATILI.RU

Форумы Добровольного Общества Взаимного Обеспечения на Дорогах
Текущее время: Чт апр 23, 2026 14:58

Часовой пояс: UTC + 4 часа [ Летнее время ]




Начать новую тему Ответить на тему  [ Сообщений: 98 ]  На страницу Пред.  1 ... 3, 4, 5, 6, 7  След.
Автор Сообщение
 Заголовок сообщения:
СообщениеДобавлено: Пт янв 15, 2010 22:02 
Не в сети
ученик форума
ученик форума

Зарегистрирован: Чт дек 25, 2008 23:27
Сообщения: 4
tsarik писал(а):
http://euro-escort.narod.ru/act.htm вот почитай

Я так понял, это датчик воздуха у инжекторов, а я про датчик температуры двигателя на карбюраторном HCS 1,3 с блоком зажикания ESC, или они одинаковые?

_________________
Ford Escort 1997 г.в.


Вернуться к началу
 Профиль  
 
 Заголовок сообщения:
СообщениеДобавлено: Вс ноя 14, 2010 16:32 
Не в сети
ученик форума
ученик форума
Аватара пользователя

Зарегистрирован: Сб окт 30, 2010 21:21
Сообщения: 38
Откуда: Екатеринбург
Не получается пока у меня дружбы с моей новой машиной. На днях попал в дтп. Сразу после него пропала искра напрочь. Порывшись по форуму понял, что видимо у машины "сотрясение мозга": удар пришелся как раз в левое крыло и на модуле зажигания (блоке управления двигателем/коммутаторе - как правильно?) 89FB-12A297-GA появилась трещина и некорректные формы корпуса (совсем маленькие но тем не менее). Вообщем теперь ищу новый и задаюсь вопросом:
Правильно ли я сделал вывод? Данный модуль идет исключительно на машины с двигателем 1.3? Просто уж слишком дорого выходит новый заказывать, а по разберке в нашем городе не нашел ничего.

_________________
Ford Escort 1998г, 1.3л, HCS, 63 л.с., карбюратор, хэчбек.


Вернуться к началу
 Профиль  
 
 Заголовок сообщения:
СообщениеДобавлено: Вс ноя 14, 2010 18:54 
Не в сети
Аналогопатаном форума
Аналогопатаном форума
Аватара пользователя

Зарегистрирован: Чт май 07, 2009 18:17
Сообщения: 13506
Откуда: SPb, finnban
Clarion обходные варианты - МПСЗ (МПСЗ фри) и СЕКУ-3

_________________
Ореон CVH 1.3 1987 + Нива моно миллениум
Изображение НЕ ХОЧЕШЬ БЫТЬ ОВОЩЕМ? - БУДЕШЬ МЯСОМ!


Вернуться к началу
 Профиль  
 
 Заголовок сообщения:
СообщениеДобавлено: Вс ноя 14, 2010 20:13 
Не в сети
ученик форума
ученик форума
Аватара пользователя

Зарегистрирован: Сб окт 30, 2010 21:21
Сообщения: 38
Откуда: Екатеринбург
Хе-Хемуль
Расшифровки в студию :smile70:

_________________
Ford Escort 1998г, 1.3л, HCS, 63 л.с., карбюратор, хэчбек.


Вернуться к началу
 Профиль  
 
 Заголовок сообщения:
СообщениеДобавлено: Вс ноя 14, 2010 21:39 
Не в сети
Аналогопатаном форума
Аналогопатаном форума
Аватара пользователя

Зарегистрирован: Чт май 07, 2009 18:17
Сообщения: 13506
Откуда: SPb, finnban
Clarion у вас гугль запрещен? :roll: :shpion:
http://mpsz.ru/forum/about.php
http://secu-3.narod.ru/
http://free.maya-auto.com/

_________________
Ореон CVH 1.3 1987 + Нива моно миллениум
Изображение НЕ ХОЧЕШЬ БЫТЬ ОВОЩЕМ? - БУДЕШЬ МЯСОМ!


Вернуться к началу
 Профиль  
 
 Заголовок сообщения:
СообщениеДобавлено: Вс ноя 14, 2010 23:36 
Не в сети
ученик форума
ученик форума
Аватара пользователя

Зарегистрирован: Сб окт 30, 2010 21:21
Сообщения: 38
Откуда: Екатеринбург
Хе-Хемуль, не запрещен, но так до сих пор и не привык чуть-что бежать туда - предпочитаю спрашивать у людей :oops:

По теме: искать сее чудо только в инете? Ориентировочная стоимость? Как я понимаю придется как минимум перепаивать "папку" под разьем МПСЗ?

_________________
Ford Escort 1998г, 1.3л, HCS, 63 л.с., карбюратор, хэчбек.


Вернуться к началу
 Профиль  
 
 Заголовок сообщения:
СообщениеДобавлено: Вс ноя 14, 2010 23:46 
Не в сети
Аналогопатаном форума
Аналогопатаном форума
Аватара пользователя

Зарегистрирован: Чт май 07, 2009 18:17
Сообщения: 13506
Откуда: SPb, finnban
Clarion писал(а):
Как я понимаю придется как минимум перепаивать "папку" под разьем МПСЗ?
:smile139: дядинька :smile139: ну почитайте вы по ссылкам :smile139: или вы хотите, чтоб я перечитала (а я это штудировала год назад) и изложила вам в свободной манере? Нет уж :???: . Тогда лучше купите оргинальчик.

_________________
Ореон CVH 1.3 1987 + Нива моно миллениум
Изображение НЕ ХОЧЕШЬ БЫТЬ ОВОЩЕМ? - БУДЕШЬ МЯСОМ!


Вернуться к началу
 Профиль  
 
 Заголовок сообщения:
СообщениеДобавлено: Вс ноя 14, 2010 23:53 
Не в сети
ученик форума
ученик форума
Аватара пользователя

Зарегистрирован: Сб окт 30, 2010 21:21
Сообщения: 38
Откуда: Екатеринбург
Хе-Хемуль, боюсь, что так будет и в самом деле прощще =\ А то в ссылках видел либо восторженные речи, либо какие-то технические символы непонятные. И про разьемы кстате так ничего и не увидел...
Был бы я кулибин - с удовольствием взялся за переделку, но я не такой и не зная - лезть не хочу :roll:

_________________
Ford Escort 1998г, 1.3л, HCS, 63 л.с., карбюратор, хэчбек.


Вернуться к началу
 Профиль  
 
 Заголовок сообщения:
СообщениеДобавлено: Вс ноя 14, 2010 23:56 
Не в сети
Аналогопатаном форума
Аналогопатаном форума
Аватара пользователя

Зарегистрирован: Чт май 07, 2009 18:17
Сообщения: 13506
Откуда: SPb, finnban
Clarion тогда оргинальчик. Был бы питерский - мог бы к Элу обратиться, например.

_________________
Ореон CVH 1.3 1987 + Нива моно миллениум
Изображение НЕ ХОЧЕШЬ БЫТЬ ОВОЩЕМ? - БУДЕШЬ МЯСОМ!


Вернуться к началу
 Профиль  
 
 Заголовок сообщения:
СообщениеДобавлено: Ср ноя 17, 2010 1:09 
Не в сети
чайник форума (знак 70)
чайник форума (знак 70)
Аватара пользователя

Зарегистрирован: Ср ноя 17, 2010 0:32
Сообщения: 156
Откуда: ПИТЕР
незаводить машина ,искра то есть то нет ,незнаю чего проверять ,коммутатор впорятке ,катушка целая но вот искра то есть то нет -начял проверять цепи ,все впорядке незнаю чего невпорядке ,если кто знает подскажите пожайлуста ,спасибо


Вернуться к началу
 Профиль  
 
 Заголовок сообщения:
СообщениеДобавлено: Ср ноя 17, 2010 1:10 
Не в сети
чайник форума (знак 70)
чайник форума (знак 70)
Аватара пользователя

Зарегистрирован: Ср ноя 17, 2010 0:32
Сообщения: 156
Откуда: ПИТЕР
форд эскорт 91г.в.CVH


Вернуться к началу
 Профиль  
 
 Заголовок сообщения:
СообщениеДобавлено: Ср ноя 17, 2010 4:16 
Не в сети
Аналогопатаном форума
Аналогопатаном форума
Аватара пользователя

Зарегистрирован: Чт май 07, 2009 18:17
Сообщения: 13506
Откуда: SPb, finnban
vovan999999 массы везде есть?

_________________
Ореон CVH 1.3 1987 + Нива моно миллениум
Изображение НЕ ХОЧЕШЬ БЫТЬ ОВОЩЕМ? - БУДЕШЬ МЯСОМ!


Вернуться к началу
 Профиль  
 
 Заголовок сообщения:
СообщениеДобавлено: Ср ноя 17, 2010 5:16 
Не в сети
чайник форума (знак 70)
чайник форума (знак 70)
Аватара пользователя

Зарегистрирован: Ср ноя 17, 2010 0:32
Сообщения: 156
Откуда: ПИТЕР
форд эскорт 1.4 CVH 91г.в. моно прыск ,все проверял массу ,каммутатор ,катушку ,все это впорядке .незнаю что еще может быть? по няпряжениям тоже .искра то есть то нет ,помогите решить проблему пожайлуйста ,спасибо .89211836973,володя.правда незнаю может ли?провод внутри обломался ?спасибо. мой эмайл vovan999999@mail.ru живу в питере


Вернуться к началу
 Профиль  
 
 Заголовок сообщения: Переделка блока зажигания(HCS 1.3)
СообщениеДобавлено: Чт фев 09, 2012 12:46 
Не в сети
ученик форума
ученик форума

Зарегистрирован: Пн фев 06, 2012 13:34
Сообщения: 2
Откуда: Санкт-Петербург
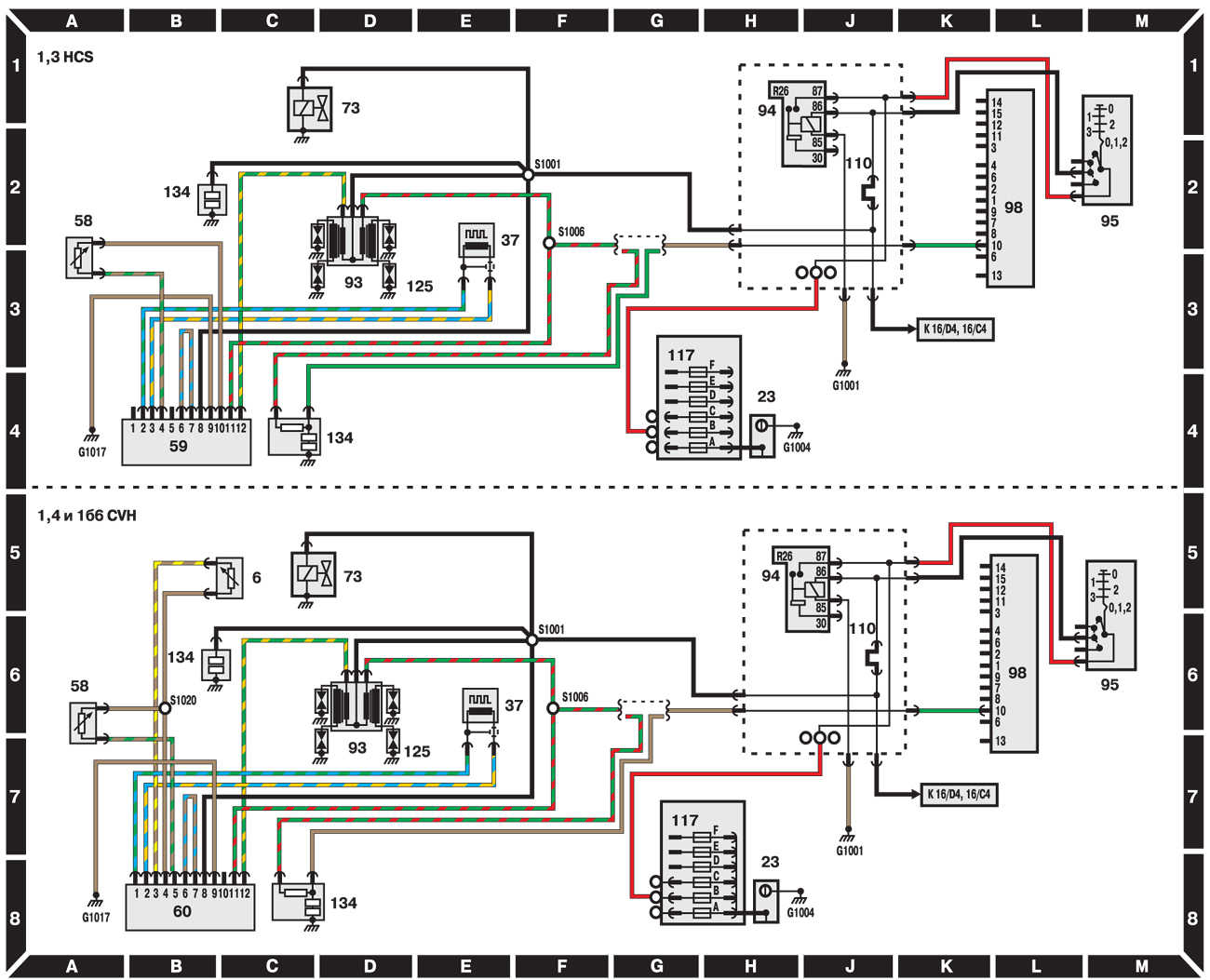
кто нибудь переделывал блок управления зажигания с HCS 1.3 блок управления зажигания 89FB-12A297-GA на блок управления зажигания 91AB-12A297-GA 1,6 CVH
оба блока вход на 12 клемный и с вакумной трубкой и схемы вроде похожи я думаю что можно поменять немного косу и добавить реле
ИНТЕРЕСНО ВАШЕ МНЕНИЕ


Вложения:
Комментарий к файлу: 91AB-12A297-GA
ABCD00208-300x225.jpg
ABCD00208-300x225.jpg [ 11.56 КБ | Просмотров: 6612 ]
Комментарий к файлу: 89FB-12A297-GA
27894493.jpg
27894493.jpg [ 24.11 КБ | Просмотров: 6612 ]
Комментарий к файлу: электро схема
sh3.jpg
sh3.jpg [ 138.13 КБ | Просмотров: 6479 ]
Вернуться к началу
 Профиль  
 
 Заголовок сообщения:
СообщениеДобавлено: Чт фев 09, 2012 21:17 
Не в сети
профессионал форума
профессионал форума
Аватара пользователя

Зарегистрирован: Пн сен 03, 2007 14:21
Сообщения: 1628
Откуда: Барановичи - РБ
Не знаю что там за реле, а вот без ДТВ CVH'ный блок рабутать будет плохо. Я так понял, разные карты опережений в данном случае до лампочки, абы ехало?

_________________
Escort [MkVII] '97 - 3 двери, PTE (CVH) 1.4i, ABS, ГУР - живчик. Нашел нового хозяина. Больше не требует внимания к своему ЛКП.


Вернуться к началу
 Профиль  
 
Показать сообщения за:  Поле сортировки  
Начать новую тему Ответить на тему  [ Сообщений: 98 ]  На страницу Пред.  1 ... 3, 4, 5, 6, 7  След.

Часовой пояс: UTC + 4 часа [ Летнее время ]


Кто сейчас на конференции

Сейчас этот форум просматривают: нет зарегистрированных пользователей и гости: 3


Вы не можете начинать темы
Вы не можете отвечать на сообщения
Вы не можете редактировать свои сообщения
Вы не можете удалять свои сообщения
Вы не можете добавлять вложения

Найти:
Перейти:  
POWERED_BY
Русская поддержка phpBB
[ Time : 0.033s | 15 Queries | GZIP : Off ]