Автомобильные Форумы POKATILI.RU

Форумы Добровольного Общества Взаимного Обеспечения на Дорогах
Текущее время: Сб мар 07, 2026 16:42

Часовой пояс: UTC + 4 часа [ Летнее время ]




Начать новую тему Ответить на тему  [ Сообщений: 64 ]  На страницу Пред.  1, 2, 3, 4, 5  След.
Автор Сообщение
 Заголовок сообщения:
СообщениеДобавлено: Пт мар 27, 2009 10:49 
Не в сети
ученик форума
ученик форума
Аватара пользователя

Зарегистрирован: Пт мар 27, 2009 10:22
Сообщения: 28
Откуда: донбасс
у меня на 1,4 CVH от таврии трамб стоит при переделки гемора с план-шайбой меньше


Вернуться к началу
 Профиль  
 
 Заголовок сообщения:
СообщениеДобавлено: Пт мар 27, 2009 19:24 
Не в сети
Специалист широкого профиля

Зарегистрирован: Ср мар 08, 2006 16:33
Сообщения: 3975
Откуда: Харьков
Алексей-II писал(а):
у меня на 1,4 CVH от таврии трамб стоит при переделки гемора с план-шайбой меньше
А нельзя ли выложить сюда подробности этой переделки. Может кому-нибудь пригодится.

_________________
Ford Escort хэтч, CVH 1,4 F6D (сейчас карб Pierburg 1B3 ), май 90г., красный, люк, ЦЗ.


Вернуться к началу
 Профиль  
 
 Заголовок сообщения:
СообщениеДобавлено: Пт мар 27, 2009 23:56 
Не в сети
Зеленый лихач форума
Зеленый лихач форума

Зарегистрирован: Вт дек 12, 2006 8:00
Сообщения: 458
Откуда: Мурманск
Машина: другой Ford
У меня такой вопрос на счет карбов солекс, есть 83, а есть 73(там камера вторая больше), какой лучше ставить на 1.6? По скольку я знаю 73 для моторов большего объема :?: Я уже проставку выточил, вот и думаю, какой лучше карб взять.


Вернуться к началу
 Профиль  
 
 Заголовок сообщения:
СообщениеДобавлено: Сб мар 28, 2009 4:19 
Не в сети
Специалист широкого профиля

Зарегистрирован: Ср мар 08, 2006 16:33
Сообщения: 3975
Откуда: Харьков
Родя писал(а):
У меня такой вопрос на счет карбов солекс, есть 83, а есть 73(там камера вторая больше), какой лучше ставить на 1.6? По скольку я знаю 73 для моторов большего объема :?: Я уже проставку выточил, вот и думаю, какой лучше карб взять.
Там не только смесительные камеры больше, но и диффузоры больше и производительность жиклеров другая.
Вот сходи по сЦылке, там есть таблица сравнительная и описание интересное http://www.faq.niva4x4.ru/tehnika/dviga ... lex/s2.htm

_________________
Ford Escort хэтч, CVH 1,4 F6D (сейчас карб Pierburg 1B3 ), май 90г., красный, люк, ЦЗ.


Вернуться к началу
 Профиль  
 
 Заголовок сообщения:
СообщениеДобавлено: Сб мар 28, 2009 21:09 
Не в сети
Зеленый лихач форума
Зеленый лихач форума

Зарегистрирован: Вт дек 12, 2006 8:00
Сообщения: 458
Откуда: Мурманск
Машина: другой Ford
Спасиб. Я так понял из статьи, что карбы взаимозаменяемы, можно ставить как 83, так и 73, но 73 самый производительный, и ставится на Ниву или классику. Но что-то я все равно не могу понять, что будет лучше для моей движки :)


Вернуться к началу
 Профиль  
 
 Заголовок сообщения:
СообщениеДобавлено: Вс мар 29, 2009 1:31 
Не в сети
Специалист широкого профиля

Зарегистрирован: Ср мар 08, 2006 16:33
Сообщения: 3975
Откуда: Харьков
Родя писал(а):
Спасиб. Я так понял из статьи, что карбы взаимозаменяемы, можно ставить как 83, так и 73, но 73 самый производительный, и ставится на Ниву или классику. Но что-то я все равно не могу понять, что будет лучше для моей движки :)
Тут надо выбирать из того, что тебе больше нравится: производительность карба и динамика машины или у тебя на первом месте экономия топлива.
73-й карб более усовершенствованный (типа, "продвинутый" :smile70: ), считается, что с ним реже всякие глюки приключаются.
Мне еще в конце 2005 года один уважаемый со стажем карбюраторщик рекомендовал именно 73-й поставить, хотя у меня всего лишь 1,4. Но я так и не поменял свой однокамерный Пирбург с полуавтоматом (стоит сейчас вместо моновпрыска).

::thinking:: Надо Guitaristа ждать, он прояснит ситуацию ::thinking::

_________________
Ford Escort хэтч, CVH 1,4 F6D (сейчас карб Pierburg 1B3 ), май 90г., красный, люк, ЦЗ.


Вернуться к началу
 Профиль  
 
 Заголовок сообщения:
СообщениеДобавлено: Вс мар 29, 2009 4:20 
Не в сети
Зеленый лихач форума
Зеленый лихач форума

Зарегистрирован: Вт дек 12, 2006 8:00
Сообщения: 458
Откуда: Мурманск
Машина: другой Ford
Я считаю, по болшьшому счету, даже с 73, машин будет кушать меньше чем с Вебером, который щас стоит. Мне тоже знакомые говорили, лучше для 1.6 ставить 73. Но у знакомых Вольвы, не Форды. Я боюсь, что куплю 73, как советовали, а он будет "слишком" :smile70: ! Так вот поэтому и хочу узнать, чтобы не ошибиться, какой будет лучше.


Вернуться к началу
 Профиль  
 
 Заголовок сообщения:
СообщениеДобавлено: Вс мар 29, 2009 16:37 
Не в сети
Модератор раздела
Модератор раздела
Аватара пользователя

Зарегистрирован: Вс авг 20, 2006 17:59
Сообщения: 14895
Откуда: Питер,м.Нарвская,м.В.О.
Я именно и ставил 73ий на Вульву 440ую.
На 1,6 лучше его и ставить.Но можно и 83,его производительности хватит,даже без замены жиклёров.
Брать Солекс только оригинал с клеймом ДААЗ!

_________________
BMW e36/M44 319is/93-98/синий седан/
были: БТР,Урал375,Ваз21061,Orion1,4CVH(carb21083)Green Metal 1986(продан...скучаю...)
Моя музыка Изображение


Вернуться к началу
 Профиль  
 
 Заголовок сообщения:
СообщениеДобавлено: Вс мар 29, 2009 17:04 
Не в сети
Зеленый лихач форума
Зеленый лихач форума

Зарегистрирован: Вт дек 12, 2006 8:00
Сообщения: 458
Откуда: Мурманск
Машина: другой Ford
Спасибо, буду делать! :smile70:


Вернуться к началу
 Профиль  
 
 Заголовок сообщения:
СообщениеДобавлено: Вс мар 29, 2009 23:29 
Не в сети
Специалист широкого профиля

Зарегистрирован: Ср мар 08, 2006 16:33
Сообщения: 3975
Откуда: Харьков
То Guitarist,
Олег, а мне на 1,4 можно 73-й Солекс поставить без переделки самого карба (жиклеров там и т.д.). ? Не много ли будет ?

ЗЫ: Проставка-переходник не в счет.

_________________
Ford Escort хэтч, CVH 1,4 F6D (сейчас карб Pierburg 1B3 ), май 90г., красный, люк, ЦЗ.


Вернуться к началу
 Профиль  
 
 Заголовок сообщения:
СообщениеДобавлено: Вс мар 29, 2009 23:37 
Не в сети
ученик форума
ученик форума
Аватара пользователя

Зарегистрирован: Пт мар 27, 2009 10:22
Сообщения: 28
Откуда: донбасс
Bryking писал(а):
Алексей-II писал(а):
у меня на 1,4 CVH от таврии трамб стоит при переделки гемора с план-шайбой меньше
А нельзя ли выложить сюда подробности этой переделки. Может кому-нибудь пригодится.

буду в гараже сфоткаю выложу

_________________
Я Добрый,у меня даже документ есть


Вернуться к началу
 Профиль  
 
 Заголовок сообщения:
СообщениеДобавлено: Пн мар 30, 2009 18:42 
Не в сети
Модератор раздела
Модератор раздела
Аватара пользователя

Зарегистрирован: Вс авг 20, 2006 17:59
Сообщения: 14895
Откуда: Питер,м.Нарвская,м.В.О.
Bryking писал(а):
То Guitarist,
Олег, а мне на 1,4 можно 73-й Солекс поставить без переделки самого карба (жиклеров там и т.д.). ? Не много ли будет ?

ЗЫ: Проставка-переходник не в счет.

Миша,тебе лучше всё ж 21083 ставить,73ий многовато будет.Машинка конечно попрёт и можно отрегулировать качество смеси,без замены жиклёров,но расход будет большим.А 83ий будет рвать и метать и при этом расход приемлимым останется.

_________________
BMW e36/M44 319is/93-98/синий седан/
были: БТР,Урал375,Ваз21061,Orion1,4CVH(carb21083)Green Metal 1986(продан...скучаю...)
Моя музыка Изображение


Вернуться к началу
 Профиль  
 
 Заголовок сообщения:
СообщениеДобавлено: Ср апр 01, 2009 18:12 
Не в сети
ученик форума
ученик форума
Аватара пользователя

Зарегистрирован: Пт мар 27, 2009 10:22
Сообщения: 28
Откуда: донбасс
вродь разобрался с прикреплением картинок.
трамб 5301.3706(СДЕЛАНО В РОССИИ)
бензонасос "ПЕКАР" от зубил


Вложения:
01042009(001).jpg [355.24 КБ]
Скачиваний: 83
01042009(009).jpg [197.17 КБ]
Скачиваний: 73

_________________
Я Добрый,у меня даже документ есть


Последний раз редактировалось Алексей-II Ср апр 01, 2009 23:14, всего редактировалось 1 раз.
Вернуться к началу
 Профиль  
 
 Заголовок сообщения:
СообщениеДобавлено: Ср апр 01, 2009 23:23 
Не в сети
ученик форума
ученик форума
Аватара пользователя

Зарегистрирован: Пт мар 27, 2009 10:22
Сообщения: 28
Откуда: донбасс
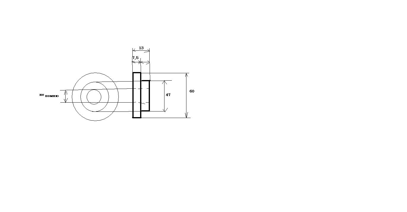
планшайба. внутренний диаметр не ошибётесь когда посмотрите на тавриевский тамб,


Вложения:
планшайба.JPG [28.44 КБ]
Скачиваний: 65

_________________
Я Добрый,у меня даже документ есть
Вернуться к началу
 Профиль  
 
 Заголовок сообщения:
СообщениеДобавлено: Ср апр 01, 2009 23:55 
Не в сети
беспечный ездок форума
беспечный ездок форума
Аватара пользователя

Зарегистрирован: Пн янв 14, 2008 16:58
Сообщения: 609
Откуда: Днепр
Алексей Второй! Бензошланг от насоса переломан. Не есть гуд!

_________________
Escort 1.3 CVH Solex 5-door hatch...81


Вернуться к началу
 Профиль  
 
Показать сообщения за:  Поле сортировки  
Начать новую тему Ответить на тему  [ Сообщений: 64 ]  На страницу Пред.  1, 2, 3, 4, 5  След.

Часовой пояс: UTC + 4 часа [ Летнее время ]


Кто сейчас на конференции

Сейчас этот форум просматривают: нет зарегистрированных пользователей и гости: 3


Вы не можете начинать темы
Вы не можете отвечать на сообщения
Вы не можете редактировать свои сообщения
Вы не можете удалять свои сообщения
Вы не можете добавлять вложения

Найти:
Перейти:  
POWERED_BY
Русская поддержка phpBB
[ Time : 0.037s | 15 Queries | GZIP : Off ]