Автомобильные Форумы POKATILI.RU

Форумы Добровольного Общества Взаимного Обеспечения на Дорогах
Текущее время: Сб мар 07, 2026 13:04

Часовой пояс: UTC + 4 часа [ Летнее время ]




Начать новую тему Ответить на тему  [ Сообщений: 24 ]  На страницу Пред.  1, 2
Автор Сообщение
 Заголовок сообщения:
СообщениеДобавлено: Вт май 31, 2011 14:01 
Не в сети
чайник форума (знак 70)
чайник форума (знак 70)
Аватара пользователя

Зарегистрирован: Пн июн 29, 2009 19:26
Сообщения: 64
Откуда: Пенза
Провал происходит как раз в момент включения вентилятора, потом либо обороты востановятся либо заглохнет, а если включены фары и отопитель (работающий как охлаждение), то наверняка заглохнет обороты просаживает так что у движка просто нет шансов и все это на горячую. Да и вообще обороты просаживаются при включении потребителя помощнее.

_________________
FORD eskort 1991г 1,6дв,СVН, EFI,LJF, хетч


Вернуться к началу
 Профиль  
 
 Заголовок сообщения:
СообщениеДобавлено: Вт май 31, 2011 14:06 
Не в сети
чайник форума (знак 70)
чайник форума (знак 70)
Аватара пользователя

Зарегистрирован: Пн июн 29, 2009 19:26
Сообщения: 64
Откуда: Пенза
SinclairLtd . У меня не тоже самое, еще пару месяцев назад все было прекрасно, Я мог незадумываясь выкручивать саб на всю не боясь заглохнуть на перекрестке, сейчас его даже не включаю.

_________________
FORD eskort 1991г 1,6дв,СVН, EFI,LJF, хетч


Вернуться к началу
 Профиль  
 
 Заголовок сообщения:
СообщениеДобавлено: Вт май 31, 2011 16:43 
Не в сети
Модератор форума
Модератор форума
Аватара пользователя

Зарегистрирован: Ср сен 01, 2010 13:53
Сообщения: 1979
Откуда: Россия, Питер, центральный р-н
Машина: другой Ford
KorDen писал(а):
Провал происходит как раз в момент включения вентилятора


Тести вентилятор есть шанс что он у тя подгорелый и на пуске жрет афигенный ток ( смори фишки контакты в общем вся электро часть)
попробуй покрутить рукой, может подклинивает или просто тяжко вращается.
Попробуй напрямую через предохранитель к акб присоединить.
Пред бери по номиналу питания флюгера, если пред спалит значит косяк во флюгере

_________________
С уважением, Антон.
-------------------------------------
Ford Focus 2006 универсал TDCI 1,8
был Ford Escort 1997 универсал Zetec 1.6 16v


Вернуться к началу
 Профиль  
 
 Заголовок сообщения:
СообщениеДобавлено: Вт май 31, 2011 20:40 
Не в сети
Модератор раздела
Модератор раздела
Аватара пользователя

Зарегистрирован: Пт дек 05, 2008 0:10
Сообщения: 8793
Откуда: г Обнинск Калужская обл
угу это точно,ищи косяк в карлосоне ::thinking::

_________________
.Был:FORD eskort 1991г 1,4дв,СVН, EFI,хетч
сейчас Хонда CR-V 2000г.американка
Несправедливо не ответить на несправедливость!
Жестоко не ответить на жестокость!


Вернуться к началу
 Профиль  
 
 Заголовок сообщения:
СообщениеДобавлено: Ср июн 01, 2011 0:39 
Не в сети
бомбила форума
бомбила форума
Аватара пользователя

Зарегистрирован: Пт окт 30, 2009 1:52
Сообщения: 1064
Откуда: Великий Новгород
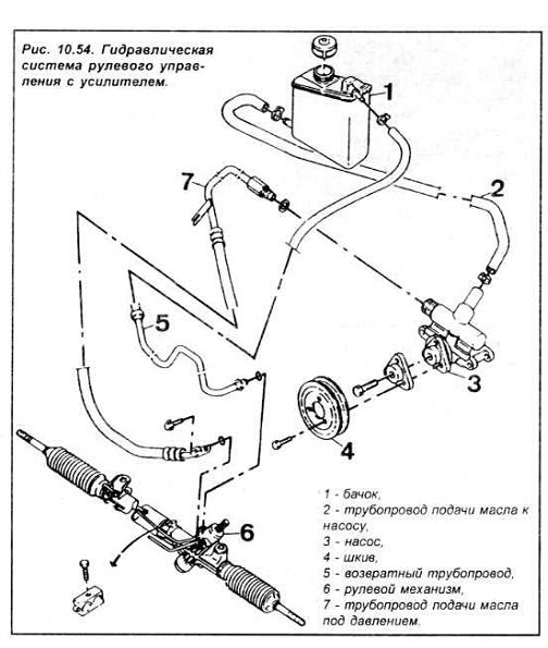
Вот ещё что. У меня обороты просаживаются ещё тогда, когда руль сильно выкручиваю в стоячем положении (нагрузка на насос ГУР - двигателю тяжелее крутить). Тут уж вообще электроника и просаживание напряжения не при делах. Знаю, что около насоса ГУРа есть датчик, который включает повышенные обороты, когда давление в системе ГУР растёт. Но либо обороты не мгновенно увеличиваются, либо датчик не работает. Но дело-то не в этом, а в том, что причина та же, что и с генератором - двигателю очень сложно прокрутить увеличившуюся нагрузку при данном режиме впрыска. Когда мозги понимают, что обороты низкие, то подачу топлива они увеличивают. Но вот вопрос - почему так происходит, что двигатель на ХХ не может преодолеть нагрузку на генераторе или ГУРе...

_________________
Ford Escort Hatchback 1993; 1,4 CVH - F6F; моновпрыск CFI


Вернуться к началу
 Профиль  
 
 Заголовок сообщения:
СообщениеДобавлено: Ср июн 01, 2011 1:05 
Не в сети
Модератор форума
Модератор форума
Аватара пользователя

Зарегистрирован: Ср сен 01, 2010 13:53
Сообщения: 1979
Откуда: Россия, Питер, центральный р-н
Машина: другой Ford
SinclairLtd писал(а):
Знаю, что около насоса ГУРа есть датчик, который включает повышенные обороты, когда давление в системе ГУР растёт

Эт чет новенькое, не видал я такого в мануалах, да и по схемам нету
описание и схему с датчиком в студию, хочу увидить сей датчик!!!

SinclairLtd писал(а):
Но либо обороты не мгновенно увеличиваются, либо датчик не работает. Но дело-то не в этом, а в том, что причина та же, что и с генератором - двигателю очень сложно прокрутить увеличившуюся нагрузку при данном режиме впрыска. Когда мозги понимают, что обороты низкие, то подачу топлива они увеличивают. Но вот вопрос - почему так происходит, что двигатель на ХХ не может преодолеть нагрузку на генераторе или ГУРе...


Блок управления регулирует по отмеренному количеству воздуха и данным о частоте оборотов двигателя от системы зажигания момент и количество впрыска. Чем дольше открыта форсунка, тем больше количество впрыскиваемого топлива.
Дополнительные датчики отвечают за правильно отмеренное количество топлива в разных режимах движения.
Потенциометр дроссельной заслонки сообщает блоку управления о положении дроссельной заслонки на холостом ходу.
Блок управления приоткрывает или прикрывает через серводвигатель, дроссельную заслонку и таким образом поддерживает стабильные обороты холостого хода.


Вложения:
gur.jpg
gur.jpg [ 49.11 КБ | Просмотров: 2435 ]

_________________
С уважением, Антон.
-------------------------------------
Ford Focus 2006 универсал TDCI 1,8
был Ford Escort 1997 универсал Zetec 1.6 16v
Вернуться к началу
 Профиль  
 
 Заголовок сообщения:
СообщениеДобавлено: Ср июн 01, 2011 19:29 
Не в сети
бомбила форума
бомбила форума
Аватара пользователя

Зарегистрирован: Пт окт 30, 2009 1:52
Сообщения: 1064
Откуда: Великий Новгород
CSpirit, у вас разве такого нет?


Вложения:
Комментарий к файлу: Датчик давления в системе ГУР
61.jpg
61.jpg [ 48.5 КБ | Просмотров: 2607 ]

_________________
Ford Escort Hatchback 1993; 1,4 CVH - F6F; моновпрыск CFI
Вернуться к началу
 Профиль  
 
 Заголовок сообщения:
СообщениеДобавлено: Ср июн 01, 2011 19:50 
Не в сети
Модератор раздела
Модератор раздела
Аватара пользователя

Зарегистрирован: Пт дек 05, 2008 0:10
Сообщения: 8793
Откуда: г Обнинск Калужская обл
Ребята по ГУРу в другую тему пожалуйста :smile139:

_________________
.Был:FORD eskort 1991г 1,4дв,СVН, EFI,хетч
сейчас Хонда CR-V 2000г.американка
Несправедливо не ответить на несправедливость!
Жестоко не ответить на жестокость!


Вернуться к началу
 Профиль  
 
 Заголовок сообщения:
СообщениеДобавлено: Ср июн 01, 2011 21:37 
Не в сети
Модератор форума
Модератор форума
Аватара пользователя

Зарегистрирован: Ср сен 01, 2010 13:53
Сообщения: 1979
Откуда: Россия, Питер, центральный р-н
Машина: другой Ford
нету и по схемам нету
нашел тока упоминание в микрокате что это реле высокого давления

_________________
С уважением, Антон.
-------------------------------------
Ford Focus 2006 универсал TDCI 1,8
был Ford Escort 1997 универсал Zetec 1.6 16v


Вернуться к началу
 Профиль  
 
Показать сообщения за:  Поле сортировки  
Начать новую тему Ответить на тему  [ Сообщений: 24 ]  На страницу Пред.  1, 2

Часовой пояс: UTC + 4 часа [ Летнее время ]


Кто сейчас на конференции

Сейчас этот форум просматривают: нет зарегистрированных пользователей и гости: 1


Вы не можете начинать темы
Вы не можете отвечать на сообщения
Вы не можете редактировать свои сообщения
Вы не можете удалять свои сообщения
Вы не можете добавлять вложения

Найти:
Перейти:  
POWERED_BY
Русская поддержка phpBB
[ Time : 0.024s | 16 Queries | GZIP : Off ]