Автомобильные Форумы POKATILI.RU

Форумы Добровольного Общества Взаимного Обеспечения на Дорогах
Текущее время: Сб мар 07, 2026 14:41

Часовой пояс: UTC + 4 часа [ Летнее время ]




Начать новую тему Ответить на тему  [ Сообщений: 8 ] 
Автор Сообщение
 Заголовок сообщения: Нид хелп в настройке VV
СообщениеДобавлено: Чт дек 31, 2009 1:27 
Не в сети
ученик форума
ученик форума

Зарегистрирован: Чт дек 31, 2009 1:05
Сообщения: 11
Машина: другой Ford
Всем привет. Есть небольшой трабл с карбом.
После покупки моего эскорта больше полугода назад я настроил карб, т.к был расход под 11л. Добился расхода 8-9 л. Недавно в связи с холодами решил поднастроить его под холодную погоду. Настроил так, что сбил регулировку и не могу вернуть обратно. Проблема в том, что после выключения зажигания двигатель продолжает колбасить. Если я правильно понимаю, это калильное зажигание. Свечи бархатно черные, сухие. Расход не мерил пока, но думаю, что литров под 13 будет. У кого такой же карб, поделитесь конкретными настройками - сколько оборотов назад от завинченного до упора винта качества и количества топлива.
В сервис не посылайте, в моем городе никто не хочет заниматься таким непопсовым карбом. Да и лажа в том, что ни тахометра, ни газоанализатора нет у меня.
Поиском пользовался, ничего толкового не нашел.

Подпись не могу сохранить, у меня Escort IV, июль '86, 1.3 OHV Motorkraft VV.
Спасибо большое за помощь.


Вернуться к началу
 Профиль  
 
 Заголовок сообщения:
СообщениеДобавлено: Чт дек 31, 2009 10:25 
Не в сети
профессионал форума
профессионал форума
Аватара пользователя

Зарегистрирован: Вс июн 12, 2005 0:52
Сообщения: 1772
Откуда: Питер
вы бы лучше сюда http://pokatili.ru/forum/ftopic29368-225.php постили...там много чего написано и есть ссылка на статью по настройке карбюратора. Будучи так же обладателем оного дивного гаджета в своё время ни чего лучше по технологии настройки не нашел. Да и плодить посты не стоит По поводу колбаса - попробуйте после глушения нажать на газ до упора. Она газанет и заглохнет. У меня такое тоже случалось пару раз на полностью исправном карбюраторе но не регулярно и самопроизвольно...

_________________
Escort IV 1.3 OHV 1988


Вернуться к началу
 Профиль  
 
 Заголовок сообщения:
СообщениеДобавлено: Чт дек 31, 2009 11:48 
Не в сети
беспечный ездок форума
беспечный ездок форума
Аватара пользователя

Зарегистрирован: Пн мар 23, 2009 21:38
Сообщения: 753
Откуда: г. Донецк
С наступающим Новым годом всех.
Колбасит при любом положении винта качества? Тогда это не в нем причина.
Я настраиваю так. Прогреваю до рабочей температуры. Выкручиваю винт качества почти до упора на работающей или до того момента, когда получается устойчивая работа двигла без дерганий. Начинаю закручивать. Закручиваю дальше до появления легкого потряхивания. Откручиваю назад на 1/2 или один оборот, чтобы убрать потряхивание. Винтом количества выставляю на 900, 950 оборотов в зависимости от времени года. После поездки на 30 км пробую еще дозакрутить винт качества.

_________________
Был: Ford Escort 1.6 CVH LPA 79 л.с. хэтч, апрель 1983, Motorkraft VV
Škoda Octavia A5 FL Ambiente 2011 беж капучино, 1.6 BSE 102 л.с., МКПП-5


Вернуться к началу
 Профиль  
 
 Заголовок сообщения:
СообщениеДобавлено: Чт дек 31, 2009 13:08 
Не в сети
ученик форума
ученик форума

Зарегистрирован: Чт дек 31, 2009 1:05
Сообщения: 11
Машина: другой Ford
_Robert_ , спасибо за советы.
Винт качества перекрывает воздушные каналы? То есть при полном закручивании его, воздуха поступает минимум, а бенза максимум и смесь получается слишком богатая. Верно?
При разном положении винта поведение двига разное, так что поломку я исключаю. Всё дело в том, что я сбил нормальную настройку. Да, и зачем в мануалах рекомендують держать 30 сек обороты 3000 при настройке карба?


Вернуться к началу
 Профиль  
 
 Заголовок сообщения:
СообщениеДобавлено: Чт дек 31, 2009 13:39 
Не в сети
беспечный ездок форума
беспечный ездок форума
Аватара пользователя

Зарегистрирован: Пн мар 23, 2009 21:38
Сообщения: 753
Откуда: г. Донецк
Stas_escort_UA писал(а):
Винт качества перекрывает воздушные каналы? То есть при полном закручивании его, воздуха поступает минимум, а бенза максимум и смесь получается слишком богатая. Верно?
При разном положении винта поведение двига разное, так что поломку я исключаю. Всё дело в том, что я сбил нормальную настройку. Да, и зачем в мануалах рекомендують держать 30 сек обороты 3000 при настройке карба?

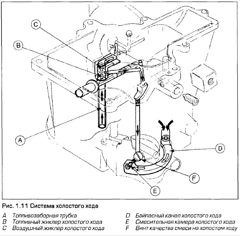
Нет, наоборот, при закручивании смесь обедняется. Рисунок неважный, но общий смысл такой. Винт качества при закручивании перекрывает подачу смеси для ХХ, тем самым обедняя итоговую смесь в смесительной камере. 3000 обороты держать надо 30 сек чтобы свечи просрались и восстановился нормальный состав смеси в камере. Я предпочитаю проехаться немного.


Вложения:
Комментарий к файлу: Система ХХ
Система ХХ.jpg
Система ХХ.jpg [ 124.4 КБ | Просмотров: 2428 ]

_________________
Был: Ford Escort 1.6 CVH LPA 79 л.с. хэтч, апрель 1983, Motorkraft VV
Škoda Octavia A5 FL Ambiente 2011 беж капучино, 1.6 BSE 102 л.с., МКПП-5
Вернуться к началу
 Профиль  
 
 Заголовок сообщения:
СообщениеДобавлено: Чт дек 31, 2009 17:20 
Не в сети
ученик форума
ученик форума

Зарегистрирован: Чт дек 31, 2009 1:05
Сообщения: 11
Машина: другой Ford
Настроил. Вроде лучше стало. Калильное осталось, правда слабее, чем раньше. Грешу на свечи, которые стоят вроде еще с 86 года. Купил Бош-Платинум, авось поможет.


Вернуться к началу
 Профиль  
 
 Заголовок сообщения:
СообщениеДобавлено: Чт дек 31, 2009 18:38 
Не в сети
ученик форума
ученик форума

Зарегистрирован: Чт дек 31, 2009 1:05
Сообщения: 11
Машина: другой Ford
Еще разок настроил - калильное исчезло, заводится отлично, глушится тоже.
Хотел подзакрутить дозирующую иглу, дабы обеднить смесь немного и не нашел пробку, которая открывает доступ к концу иглы со шлицом под отвертку. Отверстие, которое по идее должно быть заглушено пробкой, на моем карбе заглушено металлической вставкой. В общем это не резиновая пробка 100%. Кто-то встречал такие варианты? и как в этом случае подкрутить дозирующую иглу?


Вернуться к началу
 Профиль  
 
 Заголовок сообщения:
СообщениеДобавлено: Чт дек 31, 2009 18:57 
Не в сети
беспечный ездок форума
беспечный ездок форума
Аватара пользователя

Зарегистрирован: Пн мар 23, 2009 21:38
Сообщения: 753
Откуда: г. Донецк
Не вздумай откупоривать заглушку. Снимаешь верхнюю крышку карба, сверху возможно и так добраться. Можно гвоздь согнуть и расплющить под отвертку. А перед тем как снимать, там и так можно проверить правильно ли она закручена.
У тебя калильное когда зажигание выключаешь? Проверь электромагнитный запорный клапан, может его в открытом состоянии заклинило. Если нет, проверь зажигание, от позднего может быть детонация. Свечи менять немедленно, а то если они такие древние, кусок изолятора от старой упадет в цилиндр и тода пипец.

_________________
Был: Ford Escort 1.6 CVH LPA 79 л.с. хэтч, апрель 1983, Motorkraft VV
Škoda Octavia A5 FL Ambiente 2011 беж капучино, 1.6 BSE 102 л.с., МКПП-5


Вернуться к началу
 Профиль  
 
Показать сообщения за:  Поле сортировки  
Начать новую тему Ответить на тему  [ Сообщений: 8 ] 

Часовой пояс: UTC + 4 часа [ Летнее время ]


Кто сейчас на конференции

Сейчас этот форум просматривают: нет зарегистрированных пользователей и гости: 4


Вы не можете начинать темы
Вы не можете отвечать на сообщения
Вы не можете редактировать свои сообщения
Вы не можете удалять свои сообщения
Вы не можете добавлять вложения

Найти:
Перейти:  
POWERED_BY
Русская поддержка phpBB
[ Time : 0.026s | 16 Queries | GZIP : Off ]