Автомобильные Форумы POKATILI.RU

Форумы Добровольного Общества Взаимного Обеспечения на Дорогах
Текущее время: Пн дек 08, 2025 17:26

Часовой пояс: UTC + 4 часа [ Летнее время ]




Начать новую тему Ответить на тему  [ Сообщений: 3 ] 
Автор Сообщение
 Заголовок сообщения: Тестер ДПДЗ
СообщениеДобавлено: Чт янв 14, 2010 22:39 
Не в сети
Специалист по электрике
Аватара пользователя

Зарегистрирован: Вт сен 20, 2005 4:06
Сообщения: 6562
Откуда: сКольский п-ов
Вот на что наткнулся. Всё просто до безобразия и не надо никаких осцилографофф. Только бы желательно, чтобы мишка по ухам не топтался... :lol:
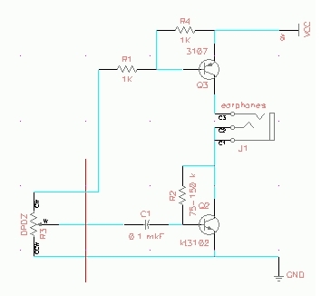
Тестер ДПДЗ.

Назначение:
Устройство предназначено для экспресс-оценки износа датчика положения дроссельной заслонки (ДПДЗ) на слух. Работает только с контактными (резистивными) ДПДЗ.

Работа с устройством:
Устройство подцепляется (при помощи стандартного разъёма купленного на рынке) к ДПДЗ (его можно не снимать с корпуса ДЗ). При этом автоматически включается питание. Наушники надеваются на голову (засовываются в уши). При повороте оси дроссельной заслонки должно быть слышно равномерное шуршание. Если при определённых положениях ДЗ (обычно в начале) слышны щелчки, громкое потрескивание или пропадание звука – ДПДЗ изношен. На снятом ДПДЗ в начале и в конце есть «мёртвые зоны» где шуршания нет. Это нормально.
Для тренировки слуха желательно иметь новый (рабочий) ДПДЗ.
Питание – 9В крона VCC – плюс, GND – минус. Наушники – какие-то древние с двумя телефонными динамичками. Вероятно подойдут и обычные китайские. На разъёме контакт С1 (земля) никуда не подключен! Транзисторы – любые маломощные. Возможно, понадобится подбор резистора R2 . Между плюсом «кроны» и тестером можно включить светодиод для индикации включения.

(С) Уваров Сергей (Zerg). 2004. Все вопросы по мылу: usv(вот где собака то порылася)icmm.ru


Вложения:
Схема.jpg
Схема.jpg [ 31.81 КБ | Просмотров: 4527 ]

_________________
Мир всем...
Escort''95 mk6, CLX, hatchback five-door , CFI, J6A, HCS 1.3
...имеющие уши да услышат...
...у быстро бегущей маленькой мышки лапок не видно - отрицать невидимое есть очевидная ересь...
Вернуться к началу
 Профиль  
 
 Заголовок сообщения:
СообщениеДобавлено: Пт янв 15, 2010 0:59 
Не в сети
Ученик форума.
Аватара пользователя

Зарегистрирован: Пт мар 18, 2005 0:21
Сообщения: 8462
Откуда: Москва, СВАО
Кость, спс, задумка интересная..)

_________________

Есть: Nissan Almera, 2005, 1.5 QG15, МКПП, серый. СиБи связь в авто, 15й канал.
Есть: Daewoo Matiz II (M150) 2002 0.8 MКПП , зеленый.
Было: Ford Escort CL, 1991, 1.4 mono, CVH, F6F, МКПП 5-В, белый, хэтч, 5 дв.
Было: ВАЗ 2101, 1980, дв 1200, красный

На форуме не хулиганить... Я всё вижу. Ваши данные:

Изображение


Вернуться к началу
 Профиль  
 
 Заголовок сообщения:
СообщениеДобавлено: Пт янв 15, 2010 3:01 
Не в сети
Аналогопатаном форума
Аналогопатаном форума
Аватара пользователя

Зарегистрирован: Чт май 07, 2009 18:17
Сообщения: 13506
Откуда: SPb, finnban
Нет чтоб генератор зч, регулируемый резистивным участком :P :bye:

_________________
Ореон CVH 1.3 1987 + Нива моно миллениум
Изображение НЕ ХОЧЕШЬ БЫТЬ ОВОЩЕМ? - БУДЕШЬ МЯСОМ!


Вернуться к началу
 Профиль  
 
Показать сообщения за:  Поле сортировки  
Начать новую тему Ответить на тему  [ Сообщений: 3 ] 

Часовой пояс: UTC + 4 часа [ Летнее время ]


Кто сейчас на конференции

Сейчас этот форум просматривают: нет зарегистрированных пользователей и гости: 3


Вы не можете начинать темы
Вы не можете отвечать на сообщения
Вы не можете редактировать свои сообщения
Вы не можете удалять свои сообщения
Вы не можете добавлять вложения

Найти:
Перейти:  
cron
POWERED_BY
Русская поддержка phpBB
[ Time : 0.021s | 16 Queries | GZIP : Off ]