Автомобильные Форумы POKATILI.RU

Форумы Добровольного Общества Взаимного Обеспечения на Дорогах
Текущее время: Ср дек 10, 2025 22:41

Часовой пояс: UTC + 4 часа [ Летнее время ]




Начать новую тему Ответить на тему  [ Сообщений: 6 ] 
Автор Сообщение
СообщениеДобавлено: Чт окт 31, 2013 0:09 
Не в сети
профессионал форума
профессионал форума
Аватара пользователя

Зарегистрирован: Пт окт 01, 2010 23:34
Сообщения: 1805
Откуда: Москва
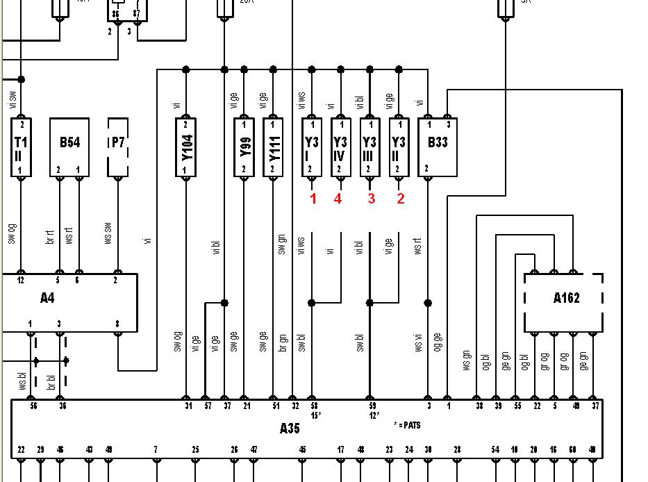
выкладываю схему по RS2000
минус идет на форсунки по-парно с ЭБУ, а плюс идет с модуля зажигания.

A4 - модуль зажигания
1 2 3 4 - форсунки

правильно?


Вложения:
Схема RS.JPG
Схема RS.JPG [ 83.78 КБ | Просмотров: 3344 ]

_________________
RS2000 92 г, Немец
http://www.drive2.ru/cars/ford/escort/e ... iger199/2/

RS2000 92 г, Немец
Вернуться к началу
 Профиль  
 
СообщениеДобавлено: Чт окт 31, 2013 0:21 
Не в сети
чайник форума (знак 70)
чайник форума (знак 70)

Зарегистрирован: Вс дек 18, 2011 20:34
Сообщения: 180
Откуда: Киев
Машина: Ford Escort
Tiger199 писал(а):
минус идет на форсунки по-парно с ЭБУ, а плюс идет с модуля зажигания. правильно?

Нет, не правильно. Плюс идёт попарно с ЭБУ. Минус идёт с ЭБУ с пинов 57, 37.

_________________
Ford Escort CVH 1,4 CFi, хетчбэк 3-х дверный, 1991 год
http://www.drive2.ru/cars/ford/escort/e ... 5/burakov/


Вернуться к началу
 Профиль  
 
СообщениеДобавлено: Чт окт 31, 2013 0:52 
Не в сети
профессионал форума
профессионал форума
Аватара пользователя

Зарегистрирован: Пт окт 01, 2010 23:34
Сообщения: 1805
Откуда: Москва
Почему?

_________________
RS2000 92 г, Немец
http://www.drive2.ru/cars/ford/escort/e ... iger199/2/

RS2000 92 г, Немец


Вернуться к началу
 Профиль  
 
СообщениеДобавлено: Чт окт 31, 2013 1:17 
Не в сети
чайник форума (знак 70)
чайник форума (знак 70)

Зарегистрирован: Вс дек 18, 2011 20:34
Сообщения: 180
Откуда: Киев
Машина: Ford Escort
Tiger199 писал(а):
Почему?

Так по схеме видно.
Там, где много эллементов параллельно подключены на одну цепь - это всегда минус.

_________________
Ford Escort CVH 1,4 CFi, хетчбэк 3-х дверный, 1991 год
http://www.drive2.ru/cars/ford/escort/e ... 5/burakov/


Вернуться к началу
 Профиль  
 
СообщениеДобавлено: Чт окт 31, 2013 4:04 
Не в сети
Специалист по электрике
Аватара пользователя

Зарегистрирован: Вт окт 11, 2011 11:02
Сообщения: 1132
Откуда: г.Вязники Владимирской обл.
Машина: Ford Escort
Схему пополнее бы. Что там сверху стоит на проводе от контакта 57. Похоже на предохранитель... А кто же ставит предохранители на минус?

_________________
Escort Ghia 5d 1995 - Zetec 1.8 16v
был купе 1993 - 1.6 16v - разобрал на запчасти

Глаза боятся - руки делают...


Вернуться к началу
 Профиль  
 
СообщениеДобавлено: Чт окт 31, 2013 10:37 
Не в сети
чайник форума (знак 70)
чайник форума (знак 70)

Зарегистрирован: Вс дек 18, 2011 20:34
Сообщения: 180
Откуда: Киев
Машина: Ford Escort
Да, схему полнее не мешало бы.

_________________
Ford Escort CVH 1,4 CFi, хетчбэк 3-х дверный, 1991 год
http://www.drive2.ru/cars/ford/escort/e ... 5/burakov/


Вернуться к началу
 Профиль  
 
Показать сообщения за:  Поле сортировки  
Начать новую тему Ответить на тему  [ Сообщений: 6 ] 

Часовой пояс: UTC + 4 часа [ Летнее время ]


Кто сейчас на конференции

Сейчас этот форум просматривают: нет зарегистрированных пользователей и гости: 11


Вы не можете начинать темы
Вы не можете отвечать на сообщения
Вы не можете редактировать свои сообщения
Вы не можете удалять свои сообщения
Вы не можете добавлять вложения

Найти:
Перейти:  
cron
POWERED_BY
Русская поддержка phpBB
[ Time : 0.021s | 16 Queries | GZIP : Off ]