Автомобильные Форумы POKATILI.RU

Форумы Добровольного Общества Взаимного Обеспечения на Дорогах
Текущее время: Ср дек 10, 2025 22:41

Часовой пояс: UTC + 4 часа [ Летнее время ]




Начать новую тему Ответить на тему  [ Сообщений: 10 ] 
Автор Сообщение
 Заголовок сообщения: Сгорает 11 предохранитель
СообщениеДобавлено: Пт апр 12, 2013 1:26 
Не в сети
чайник форума (знак 70)
чайник форума (знак 70)
Аватара пользователя

Зарегистрирован: Пт июн 29, 2012 17:54
Сообщения: 68
Откуда: Санкт-Петербург
Машина: Ford Escort
По уставу положено 10А, предохранитель под 11 номером, когда он сгорает то на приборке кроме спидометра ничего не работает, так же не работает дальний свет(без этого предохра).

Если ставить 10А сгорает сразу при зажигании.
Если поставить 15А то хватает до первой ямы.
Если поставить 20А то вроде держит, но блин страшно.

Подскажите может у кого чего было. Относится ко второй машине из подписи 1999 г.в.

_________________
Ford Escort GLX 1991г. 1.4 CVH CFI F6F EECIV универсал - бедняжка спасал хозяина, когда тот неумело им пользовался.

Теперь Ford Escort GLX 1999г. 1.8ZETEC 115PS Универсал.
Изображение


Вернуться к началу
 Профиль  
 
 Заголовок сообщения: Re: Сгорает 11 предохранитель
СообщениеДобавлено: Пт апр 12, 2013 2:05 
Не в сети
Модератор форума
Модератор форума
Аватара пользователя

Зарегистрирован: Ср сен 01, 2010 13:53
Сообщения: 1979
Откуда: Россия, Питер, центральный р-н
Машина: другой Ford
11 пред 10А освещение и лампы аварийной сигнализации ищи КЗ 90%, левый порог смотри в районе ноги.
Отключай по очереди пред\зад косами и тряси
проверь хлопушку заднюю, точнее контактную группу внизу двери. возможно хреновый контакт на БП проверяй косы раз ямы значит контакт.
уточни конкретнее что не работает

_________________
С уважением, Антон.
-------------------------------------
Ford Focus 2006 универсал TDCI 1,8
был Ford Escort 1997 универсал Zetec 1.6 16v


Вернуться к началу
 Профиль  
 
 Заголовок сообщения: Re: Сгорает 11 предохранитель
СообщениеДобавлено: Пт апр 12, 2013 3:45 
Не в сети
чайник форума (знак 70)
чайник форума (знак 70)
Аватара пользователя

Зарегистрирован: Пт июн 29, 2012 17:54
Сообщения: 68
Откуда: Санкт-Петербург
Машина: Ford Escort
Когда сгорает этот предохр, перестает работать:
1) Тахометр
2) Стрелка Градусник на двигло
3) Стрелка уровень топлива
4) Не включается дальний свет(ни на себя ни от себя = )) )
5) Все лампочки на приборной панели (масла, акб, подушки, и бла бла)

Когда случайно по забывчивости вставлял при включенном двигле предохр то пошла дикая искра и предохранитель расплавился весь целиком у меня в руках = ( (в смысле совсем расплавился, даже контакты) удивлен, что еще в блоке особо ничего страшного на разъеме нет, слегка опалился только.

надо думать че)
может и блок в принципе = (

_________________
Ford Escort GLX 1991г. 1.4 CVH CFI F6F EECIV универсал - бедняжка спасал хозяина, когда тот неумело им пользовался.

Теперь Ford Escort GLX 1999г. 1.8ZETEC 115PS Универсал.
Изображение


Вернуться к началу
 Профиль  
 
 Заголовок сообщения: Re: Сгорает 11 предохранитель
СообщениеДобавлено: Пт апр 12, 2013 12:38 
Не в сети
Модератор форума
Модератор форума
Аватара пользователя

Зарегистрирован: Ср сен 01, 2010 13:53
Сообщения: 1979
Откуда: Россия, Питер, центральный р-н
Машина: другой Ford
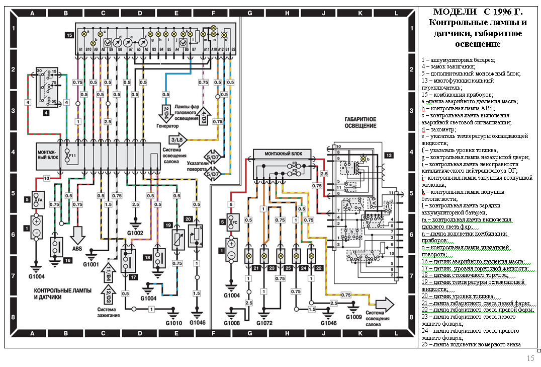
с блоком это к Юре
схема 11 всю приборку питает
Вложение:
shema.png
shema.png [ 463.73 КБ | Просмотров: 3862 ]


у тебя схема монтажа 1997 года. в 99 за это отвечает 12ф

_________________
С уважением, Антон.
-------------------------------------
Ford Focus 2006 универсал TDCI 1,8
был Ford Escort 1997 универсал Zetec 1.6 16v


Вернуться к началу
 Профиль  
 
 Заголовок сообщения: Re: Сгорает 11 предохранитель
СообщениеДобавлено: Пт апр 12, 2013 12:59 
Не в сети
чайник форума (знак 70)
чайник форума (знак 70)
Аватара пользователя

Зарегистрирован: Пт июн 29, 2012 17:54
Сообщения: 68
Откуда: Санкт-Петербург
Машина: Ford Escort
Спасибки чамс потрясем, но скорее всего надо в монтажный блок лезть((( Да я чего сам разберусь с ним = )

_________________
Ford Escort GLX 1991г. 1.4 CVH CFI F6F EECIV универсал - бедняжка спасал хозяина, когда тот неумело им пользовался.

Теперь Ford Escort GLX 1999г. 1.8ZETEC 115PS Универсал.
Изображение


Вернуться к началу
 Профиль  
 
 Заголовок сообщения: Re: Сгорает 11 предохранитель
СообщениеДобавлено: Пт апр 12, 2013 13:39 
Не в сети
чайник форума (знак 70)
чайник форума (знак 70)
Аватара пользователя

Зарегистрирован: Пт июн 29, 2012 17:54
Сообщения: 68
Откуда: Санкт-Петербург
Машина: Ford Escort
А где находится все заземления, некоторые интуитивно понятно некоторые нет, собственно все которые с буквой G можете подсказать?!

второй вопрос при чем тут генератор?!

еще вопрос вот на какую тему легко ли вытаскивается коса из под крыла, которая к монтажному блоку, а то там какая то грязь под изолентой и вообще она слегка заболевшей выглядит, надо бы ее прочесать!

в принципе есть не так много вариков
1) Что там именно делает генератор там где синий провод из приборки выходит, при чем он там вообще?
2) Нет земли Gхххх
3) Где-то коротыш в косе перед 11 - м предохром

Когда брал машину были проблемы с генератором, поменяли щетки, но самое что интересное они и так нормальные были, в чем может быть трабл?
т.е. генератор не давал ничего, но потом поменяли предохры и все заработало замечательно, и вот вроде до вчерашнего дня признаков зла не подавала, прошло 2 месяца можно сказать, потеплее стало, влажнее.(с геной вроде все ок пока что тьфу тьфу !!1)

_________________
Ford Escort GLX 1991г. 1.4 CVH CFI F6F EECIV универсал - бедняжка спасал хозяина, когда тот неумело им пользовался.

Теперь Ford Escort GLX 1999г. 1.8ZETEC 115PS Универсал.
Изображение


Вернуться к началу
 Профиль  
 
 Заголовок сообщения: Re: Сгорает 11 предохранитель
СообщениеДобавлено: Пт апр 12, 2013 17:22 
Не в сети
Модератор форума
Модератор форума
Аватара пользователя

Зарегистрирован: Ср сен 01, 2010 13:53
Сообщения: 1979
Откуда: Россия, Питер, центральный р-н
Машина: другой Ford
Natsik писал(а):
А где находится все заземления, некоторые интуитивно понятно некоторые нет, собственно все которые с буквой G можете подсказать?!

второй вопрос при чем тут генератор?!

еще вопрос вот на какую тему легко ли вытаскивается коса из под крыла, которая к монтажному блоку, а то там какая то грязь под изолентой и вообще она слегка заболевшей выглядит, надо бы ее прочесать!

в принципе есть не так много вариков
1) Что там именно делает генератор там где синий провод из приборки выходит, при чем он там вообще?
2) Нет земли Gхххх
3) Где-то коротыш в косе перед 11 - м предохром

Когда брал машину были проблемы с генератором, поменяли щетки, но самое что интересное они и так нормальные были, в чем может быть трабл?
т.е. генератор не давал ничего, но потом поменяли предохры и все заработало замечательно, и вот вроде до вчерашнего дня признаков зла не подавала, прошло 2 месяца можно сказать, потеплее стало, влажнее.(с геной вроде все ок пока что тьфу тьфу !!1)

земли и точки
Вложение:
ground.png
ground.png [ 74.6 КБ | Просмотров: 3857 ]


А по твоему как реализован индикатор? лампа загорается как раз из-за разности потенциалов между обмоткой и аккумулятором. Питание обмотки идет через лампу и резистор в приборке без них гена работать не будет.
может и плохой контакт быть

_________________
С уважением, Антон.
-------------------------------------
Ford Focus 2006 универсал TDCI 1,8
был Ford Escort 1997 универсал Zetec 1.6 16v


Вернуться к началу
 Профиль  
 
 Заголовок сообщения: Re: Сгорает 11 предохранитель
СообщениеДобавлено: Сб апр 13, 2013 2:24 
Не в сети
чайник форума (знак 70)
чайник форума (знак 70)
Аватара пользователя

Зарегистрирован: Пт июн 29, 2012 17:54
Сообщения: 68
Откуда: Санкт-Петербург
Машина: Ford Escort
Час за всем слежу, появился еще один симптом, не всегда работает датчик температуры охлаждающей жидкости, а перед тем как он начнет работать движок не держит холостые ровно. А когда начинает датчик работать, то с оборотами все ок становится

_________________
Ford Escort GLX 1991г. 1.4 CVH CFI F6F EECIV универсал - бедняжка спасал хозяина, когда тот неумело им пользовался.

Теперь Ford Escort GLX 1999г. 1.8ZETEC 115PS Универсал.
Изображение


Вернуться к началу
 Профиль  
 
 Заголовок сообщения: Re: Сгорает 11 предохранитель
СообщениеДобавлено: Чт май 16, 2013 22:23 
Не в сети
чайник форума (знак 70)
чайник форума (знак 70)
Аватара пользователя

Зарегистрирован: Пт июн 29, 2012 17:54
Сообщения: 68
Откуда: Санкт-Петербург
Машина: Ford Escort
Теперь не горит лампочка давления масла, когда завожусь, страшно, она когда работала, сразу вырубалась, так что врядли словлюсь на чем то, но на всякий подскажите, где находится тот датчик = )

И еще если не сложно, то схему отопителя салона и схема с датчиком подушки безопасности, если не трудно, а то найти не могу(

_________________
Ford Escort GLX 1991г. 1.4 CVH CFI F6F EECIV универсал - бедняжка спасал хозяина, когда тот неумело им пользовался.

Теперь Ford Escort GLX 1999г. 1.8ZETEC 115PS Универсал.
Изображение


Вернуться к началу
 Профиль  
 
 Заголовок сообщения: Re: Сгорает 11 предохранитель
СообщениеДобавлено: Чт май 16, 2013 22:37 
Не в сети
Модератор форума
Модератор форума
Аватара пользователя

Зарегистрирован: Ср сен 01, 2010 13:53
Сообщения: 1979
Откуда: Россия, Питер, центральный р-н
Машина: другой Ford
Даня скачай ТИС там все есть все под рукой будет

_________________
С уважением, Антон.
-------------------------------------
Ford Focus 2006 универсал TDCI 1,8
был Ford Escort 1997 универсал Zetec 1.6 16v


Вернуться к началу
 Профиль  
 
Показать сообщения за:  Поле сортировки  
Начать новую тему Ответить на тему  [ Сообщений: 10 ] 

Часовой пояс: UTC + 4 часа [ Летнее время ]


Кто сейчас на конференции

Сейчас этот форум просматривают: нет зарегистрированных пользователей и гости: 11


Вы не можете начинать темы
Вы не можете отвечать на сообщения
Вы не можете редактировать свои сообщения
Вы не можете удалять свои сообщения
Вы не можете добавлять вложения

Найти:
Перейти:  
cron
POWERED_BY
Русская поддержка phpBB
[ Time : 0.024s | 16 Queries | GZIP : Off ]