Автомобильные Форумы POKATILI.RU

Форумы Добровольного Общества Взаимного Обеспечения на Дорогах
Текущее время: Ср дек 10, 2025 22:41

Часовой пояс: UTC + 4 часа [ Летнее время ]




Начать новую тему Ответить на тему  [ Сообщений: 10 ] 
Автор Сообщение
СообщениеДобавлено: Пн янв 21, 2008 21:49 
Не в сети
чайник форума (знак 70)
чайник форума (знак 70)
Аватара пользователя

Зарегистрирован: Пн ноя 12, 2007 20:30
Сообщения: 93
Откуда: удмуртия
Пожалуйста выложите схему электрическую для CVH ,карб с шаговым и управление EDIS.Если можно то в цвете или хотя бы ссылку киньте

_________________
Ford Escort 97г.в.CVH LUK 1,6L
win WF0AXXGCAAVA05359


Вернуться к началу
 Профиль  
 
 Заголовок сообщения:
СообщениеДобавлено: Пн янв 21, 2008 22:41 
Не в сети
Специалист широкого профиля

Зарегистрирован: Ср мар 08, 2006 16:33
Сообщения: 3975
Откуда: Харьков
Украинский Форд-клуб http://ford-club.org.ua/board/index.php ... 319698fb41
Там в файловом архиве когдато было. Искать надо. Сходи туда.
А вообще, в любом мануале есть электросхемы. Ссылки на мануалы у нас на форуме гдето есть.
Удачи !

_________________
Ford Escort хэтч, CVH 1,4 F6D (сейчас карб Pierburg 1B3 ), май 90г., красный, люк, ЦЗ.


Вернуться к началу
 Профиль  
 
 Заголовок сообщения:
СообщениеДобавлено: Вт янв 22, 2008 16:55 
Не в сети
чайник форума (знак 70)
чайник форума (знак 70)
Аватара пользователя

Зарегистрирован: Пн ноя 19, 2007 20:13
Сообщения: 76
Откуда: Чернигов, Украина
Вот схема. Описание можно найти в гугле по запросу "edis 4"


Вложения:
Комментарий к файлу: edis-4
edis4ew.gif
edis4ew.gif [ 9.68 КБ | Просмотров: 5476 ]

_________________
Ford Escort V (GAL) 91' 1.6i CVH EFI LJF 1990г.
Вернуться к началу
 Профиль  
 
 Заголовок сообщения:
СообщениеДобавлено: Вт янв 22, 2008 18:50 
Не в сети
чайник форума (знак 70)
чайник форума (знак 70)

Зарегистрирован: Чт апр 28, 2005 23:37
Сообщения: 150
Откуда: Киев
это не тот EDIS - это инжекторный а у нас карбюраторный :(

по инжекторному, да, полно в инете, а по карбовому нету таки...

_________________
Escort'95 CVH 1.6karb (седан)


Вернуться к началу
 Профиль  
 
 Заголовок сообщения:
СообщениеДобавлено: Вт янв 22, 2008 23:43 
Не в сети
чайник форума (знак 70)
чайник форума (знак 70)
Аватара пользователя

Зарегистрирован: Пн ноя 12, 2007 20:30
Сообщения: 93
Откуда: удмуртия
полностью поддерживаю habib у меня в EDIS около 28 контактов,а схемы нету -ЛЮДИ ДОБРЫЕ У КОГО ЕСТЬ В БУМАЖНОМ ВАРИАНТЕ ОТСКАНТЕ ПЛЗ И ВЫЛОЖТЕ :cry:

_________________
Ford Escort 97г.в.CVH LUK 1,6L
win WF0AXXGCAAVA05359


Вернуться к началу
 Профиль  
 
 Заголовок сообщения:
СообщениеДобавлено: Ср янв 23, 2008 0:08 
Не в сети
чайник форума (знак 70)
чайник форума (знак 70)

Зарегистрирован: Чт апр 28, 2005 23:37
Сообщения: 150
Откуда: Киев
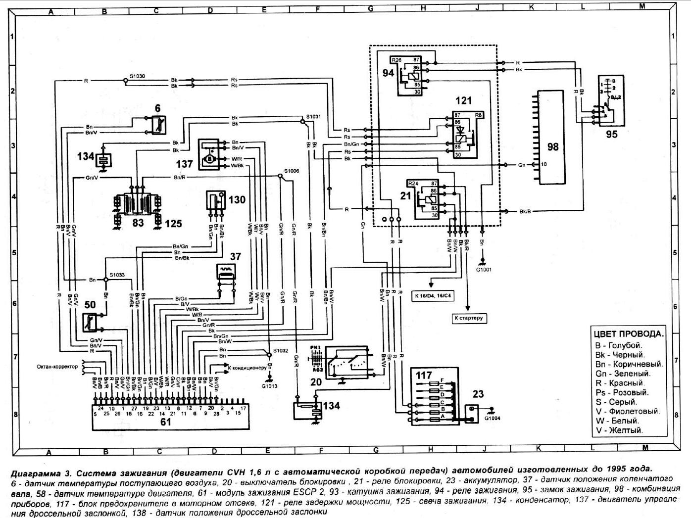
Дык вот тебе схема - в мануале по ремонту она находится

Цвета проводов совпадают хотя машина у меня уже после рестайлинга, т.е. Мк7...


Вложения:
Комментарий к файлу: Из мануала по Эскортам 90-97
EDIS2.JPG [234.17 КБ]
Скачиваний: 115

_________________
Escort'95 CVH 1.6karb (седан)
Вернуться к началу
 Профиль  
 
 Заголовок сообщения:
СообщениеДобавлено: Чт янв 24, 2008 0:42 
Не в сети
чайник форума (знак 70)
чайник форума (знак 70)
Аватара пользователя

Зарегистрирован: Пн ноя 12, 2007 20:30
Сообщения: 93
Откуда: удмуртия
получается ,что на шаговый 12 В должно идти с блока с контактов 13 и 14 так?Агде оно тогда у меня?нет там ничего :cry:

_________________
Ford Escort 97г.в.CVH LUK 1,6L
win WF0AXXGCAAVA05359


Вернуться к началу
 Профиль  
 
 Заголовок сообщения:
СообщениеДобавлено: Чт янв 24, 2008 23:46 
Не в сети
чайник форума (знак 70)
чайник форума (знак 70)

Зарегистрирован: Чт апр 28, 2005 23:37
Сообщения: 150
Откуда: Киев
что "оно" у тебя где?

12 или -12 (обратная полярность) идет только тогда когда моторчик надо двигать. И ты не смотри как контакты нарисованы на схеме, ты ищи сами номера контактов - там в жизни последовательность не та - смотри номера на разъеме.

_________________
Escort'95 CVH 1.6karb (седан)


Вернуться к началу
 Профиль  
 
 Заголовок сообщения:
СообщениеДобавлено: Пн фев 06, 2012 23:59 
Не в сети
ученик форума
ученик форума

Зарегистрирован: Пн май 02, 2011 1:06
Сообщения: 28
Откуда: Мос обл Пушкино
Ищу свою схему на CVH 1.6 карбюратоp вот с таким модулем Изображение
ЭТО может быть EDIS2 ???

_________________
Ford Escort VII 1996, двигатель CVH 1.6
МКПП B5
WEBER TLDM 28/32


Вернуться к началу
 Профиль  
 
 Заголовок сообщения:
СообщениеДобавлено: Ср мар 07, 2012 1:35 
Не в сети
ученик форума
ученик форума

Зарегистрирован: Ср янв 28, 2009 0:57
Сообщения: 9
Откуда: москва
Электросхемы в мануалах не всегда точно соответствуют авто (они скорее усредненные). Поставь себе FORD TIS и бери информацию оттуда конкретно к своей машине. К сожалению знаю только где взять версию 2004 года http://rutracker.org/forum/viewtopic.php?t=271931 :-(

_________________
Escort 96 1.6CVH


Вернуться к началу
 Профиль  
 
Показать сообщения за:  Поле сортировки  
Начать новую тему Ответить на тему  [ Сообщений: 10 ] 

Часовой пояс: UTC + 4 часа [ Летнее время ]


Кто сейчас на конференции

Сейчас этот форум просматривают: нет зарегистрированных пользователей и гости: 11


Вы не можете начинать темы
Вы не можете отвечать на сообщения
Вы не можете редактировать свои сообщения
Вы не можете удалять свои сообщения
Вы не можете добавлять вложения

Найти:
Перейти:  
cron
POWERED_BY
Русская поддержка phpBB
[ Time : 0.028s | 16 Queries | GZIP : Off ]