Автомобильные Форумы POKATILI.RU

Форумы Добровольного Общества Взаимного Обеспечения на Дорогах
Текущее время: Чт дек 11, 2025 22:24

Часовой пояс: UTC + 4 часа [ Летнее время ]




Начать новую тему Ответить на тему  [ Сообщений: 296 ]  На страницу Пред.  1 ... 14, 15, 16, 17, 18, 19, 20  След.
Автор Сообщение
 Заголовок сообщения: Re:
СообщениеДобавлено: Чт май 02, 2013 1:22 
Не в сети
чайник форума (знак 70)
чайник форума (знак 70)

Зарегистрирован: Чт фев 14, 2013 3:55
Сообщения: 75
Откуда: Гусь-хрустальный
Машина: Ford Escort
aleksand-b писал(а):
MozgoveD, а что это за блок тогда такой неведомый? при выдергивании из которого проводов перестает работать ЦЗ и кнопка открытия багажника?

Этот блок у кого есть функция инфракрасного открытия дверей.
На днях устанавливал сигналку,подключил к фишки с толстыми проводами двери,а вот с багажником сложнее,там с кнопки выходит - на вторую фишку с тонкими проводами (их там много),а с первой уже пошёл + на багажник.Пришлось ставить релюху,чтобы вытащить блок и багажник открывался.
Если кому интересно,могу сфоткать этот блок.

_________________
Ford Escort 98г универсал 1.6L Zetec-E EFI


Вернуться к началу
 Профиль  
 
 Заголовок сообщения: центральный замок
СообщениеДобавлено: Пт июн 28, 2013 1:02 
Не в сети
ученик форума
ученик форума
Аватара пользователя

Зарегистрирован: Вс дек 04, 2011 18:48
Сообщения: 5
Машина: Ford Escort
http://h.a.d-cd.net/cdf4e7u-480.jpg

пробовал ли кто поставить фордовские трех проводовйе замки на китайский Ц/З с пультом.

там к замкам идут 2 дротика, а на передние 5. а у фордовских 3 дротика, а на передние 4 штучки.

как подключит ? может ктото делал или пробовал — поделитесь опытом
центральный замок
http://auto-evo.com.ua/catalog/avtosign ... iem_rs_20/
он как и все китайские ,авто у меня Ford Escort HCS 1,3 мк4 1988г.
суть вопроса в том что возможно ли к ним присоеденить фордовские замки те что на фото


Вложения:
cdf4e7u-960.jpg
cdf4e7u-960.jpg [ 248.61 КБ | Просмотров: 10273 ]


Последний раз редактировалось udut Пт июн 28, 2013 16:17, всего редактировалось 1 раз.
Вернуться к началу
 Профиль  
 
 Заголовок сообщения: Re: центральный замок
СообщениеДобавлено: Пт июн 28, 2013 11:17 
Не в сети
Специалист по электрике
Аватара пользователя

Зарегистрирован: Вт сен 20, 2005 4:06
Сообщения: 6562
Откуда: сКольский п-ов
Уважаемый udut!
Экстрасексов тут немаэ...
Что за чудоюдо китайский Ц/З с пультом? что за аффто? От чего активаторы замков? И вааще какая цель преследуется?

_________________
Мир всем...
Escort''95 mk6, CLX, hatchback five-door , CFI, J6A, HCS 1.3
...имеющие уши да услышат...
...у быстро бегущей маленькой мышки лапок не видно - отрицать невидимое есть очевидная ересь...


Вернуться к началу
 Профиль  
 
 Заголовок сообщения: Re: Центральный замок
СообщениеДобавлено: Вт июл 09, 2013 0:44 
Не в сети
беспечный ездок форума
беспечный ездок форума
Аватара пользователя

Зарегистрирован: Сб июн 28, 2008 11:26
Сообщения: 699
Откуда: Минск
Люди, очень прошу помощи!
Ситуация такая: перестал работать штатный центральный замок(вообще перестал работать, то есть даже не пытается щелкать)! С сигналки когда закрываю машину, тоже даже не щелкает!
СРОЧНО ! Помогите где копать!

_________________
Ford ESCORT 94 год хэтч 5 дверей 1,6 16v 90лс
Мнений может быть много, но решение принимает кто-то один!
Я спокоен как слоник!


Вернуться к началу
 Профиль  
 
 Заголовок сообщения: Re: Центральный замок
СообщениеДобавлено: Вт июл 09, 2013 0:50 
Не в сети
чайник форума (знак 70)
чайник форума (знак 70)

Зарегистрирован: Вс дек 18, 2011 20:34
Сообщения: 180
Откуда: Киев
Машина: Ford Escort
wolkarthyr писал(а):
Люди, очень прошу помощи!
Ситуация такая: перестал работать штатный центральный замок(вообще перестал работать, то есть даже не пытается щелкать)! С сигналки когда закрываю машину, тоже даже не щелкает!
СРОЧНО ! Помогите где копать!

А если из машины ручкой или снаружи ключём, то срабатывает?

_________________
Ford Escort CVH 1,4 CFi, хетчбэк 3-х дверный, 1991 год
http://www.drive2.ru/cars/ford/escort/e ... 5/burakov/


Вернуться к началу
 Профиль  
 
 Заголовок сообщения: Re: Центральный замок
СообщениеДобавлено: Вт июл 09, 2013 0:52 
Не в сети
беспечный ездок форума
беспечный ездок форума
Аватара пользователя

Зарегистрирован: Сб июн 28, 2008 11:26
Сообщения: 699
Откуда: Минск
ничего абсолютно не срабатывает!

_________________
Ford ESCORT 94 год хэтч 5 дверей 1,6 16v 90лс
Мнений может быть много, но решение принимает кто-то один!
Я спокоен как слоник!


Вернуться к началу
 Профиль  
 
 Заголовок сообщения: Re: Центральный замок
СообщениеДобавлено: Вт июл 09, 2013 1:05 
Не в сети
чайник форума (знак 70)
чайник форума (знак 70)

Зарегистрирован: Вс дек 18, 2011 20:34
Сообщения: 180
Откуда: Киев
Машина: Ford Escort
wolkarthyr писал(а):
ничего абсолютно не срабатывает!

Тогда проверять, или приходит на ЦЗ минус. Минус по схеме идёт из блока предохранителей, провод коричневого цвета. Если бы не было плюса из блока предохранителей а минус был, то постановке на охрану плюс пришёл бы от блока сигнализации и ЦЗ должен был бы сработать.

_________________
Ford Escort CVH 1,4 CFi, хетчбэк 3-х дверный, 1991 год
http://www.drive2.ru/cars/ford/escort/e ... 5/burakov/


Вернуться к началу
 Профиль  
 
 Заголовок сообщения: Re: Центральный замок
СообщениеДобавлено: Ср июл 10, 2013 1:45 
Не в сети
беспечный ездок форума
беспечный ездок форума
Аватара пользователя

Зарегистрирован: Сб июн 28, 2008 11:26
Сообщения: 699
Откуда: Минск
Поподробнее расскажите где что находится и с чего начинать!
Спасибо!

_________________
Ford ESCORT 94 год хэтч 5 дверей 1,6 16v 90лс
Мнений может быть много, но решение принимает кто-то один!
Я спокоен как слоник!


Вернуться к началу
 Профиль  
 
 Заголовок сообщения: Re: Центральный замок
СообщениеДобавлено: Ср июл 10, 2013 9:46 
Не в сети
чайник форума (знак 70)
чайник форума (знак 70)

Зарегистрирован: Вс дек 18, 2011 20:34
Сообщения: 180
Откуда: Киев
Машина: Ford Escort
wolkarthyr писал(а):
Поподробнее расскажите где что находится и с чего начинать!
Спасибо!

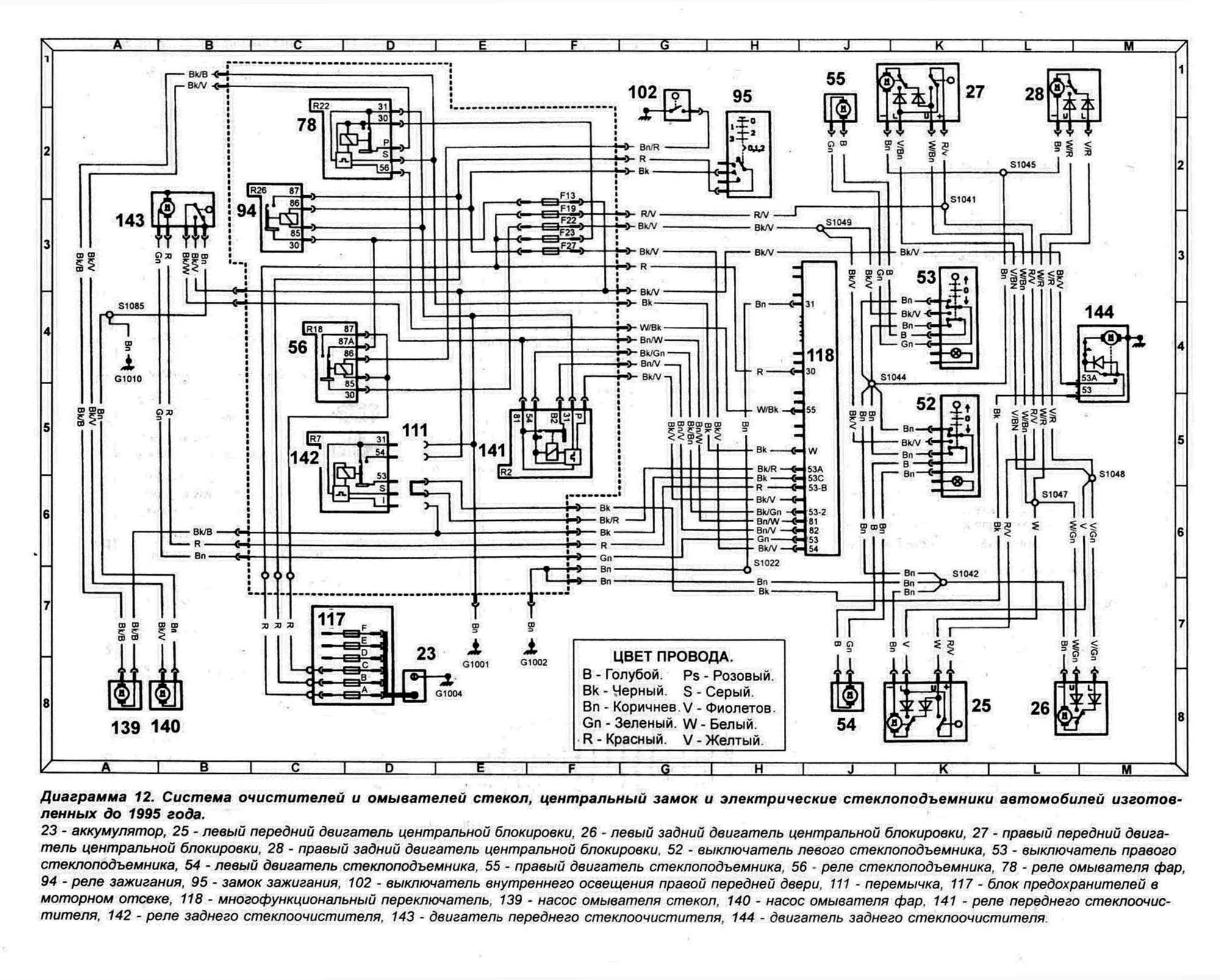
Если ЦЗ не работает ни от замков дверей ни от ручек, то логично предположить, что в цепи ЦЗ нет управляющего напряжения. Плюс и минус в цепь ЦЗ приходят от блока предахранителей. Я бы сначала проверил предохранитель F19. Если он исправен, то измерил бы напряжение в цепи ЦЗ. Я бы снял любую переднюю дверную карту, отсоединил от ЦЗ разъём и измерил бы напряжение непосредственно на нём. 12В должно быть между коричневым и красно-жёлтым или красно-фиолетовым проводами (точно не помню). Если напряжения нет, то определиться, что отсутствует - плюс или минус. Определив неисправность устранить её причину.
Вложение:
ЦЗ.jpg
ЦЗ.jpg [ 420.63 КБ | Просмотров: 10249 ]

_________________
Ford Escort CVH 1,4 CFi, хетчбэк 3-х дверный, 1991 год
http://www.drive2.ru/cars/ford/escort/e ... 5/burakov/


Вернуться к началу
 Профиль  
 
 Заголовок сообщения: Re: Центральный замок
СообщениеДобавлено: Ср июл 10, 2013 12:09 
Не в сети
Модератор форума
Модератор форума
Аватара пользователя

Зарегистрирован: Ср сен 01, 2010 13:53
Сообщения: 1979
Откуда: Россия, Питер, центральный р-н
Машина: другой Ford
viewtopic.php?f=130&t=9796&start=225#p434353 тут в цветах

_________________
С уважением, Антон.
-------------------------------------
Ford Focus 2006 универсал TDCI 1,8
был Ford Escort 1997 универсал Zetec 1.6 16v


Вернуться к началу
 Профиль  
 
 Заголовок сообщения: Re: Центральный замок
СообщениеДобавлено: Ср июл 10, 2013 12:16 
Не в сети
чайник форума (знак 70)
чайник форума (знак 70)

Зарегистрирован: Вс дек 18, 2011 20:34
Сообщения: 180
Откуда: Киев
Машина: Ford Escort
Во, таки плюс красно-жёлтый. Цветная схема наглядней.

_________________
Ford Escort CVH 1,4 CFi, хетчбэк 3-х дверный, 1991 год
http://www.drive2.ru/cars/ford/escort/e ... 5/burakov/


Вернуться к началу
 Профиль  
 
 Заголовок сообщения: Re: центральный замок
СообщениеДобавлено: Вс сен 22, 2013 19:13 
Не в сети
Специалист по электрике
Аватара пользователя

Зарегистрирован: Пн фев 28, 2005 12:31
Сообщения: 1021
Откуда: Санкт - Петербург. Колпино / Купчино ( Малая Балканская \ Купчинская )
Машина: другой Ford
Цель видимо сэкономит на сигнализации, поскольку нужно только управление замками. Приколхозить можно, только вместо штатных активаторов придётся использовать два реле и пару диодов. Обычные китайские ЦЗ управляются импульсами противоположной полярности, одна полярность - закрылись, обртатная - открылись. Контроля за исполнением нет. Включаем вместо активаторов пару реле в параллель, в цепь одного диод в одной полярности, в цепь другого - в обратной. Таким образом у нас будет при закрытии срабатывать одно, а при открытии другое. Контакты ( НР ) включаем стандартно, подавая на жёлтый и белый провод штатного ЦЗ или землю ( на ранних типах блоков ) или "плюс" на поздних.

_________________
Ford Granada 2.3 Ghia V-6 АКПП. 1982 г. Ford Focus C-Max 2.0 GHIA 2005 г. Ford Fiesta ( было три штуки - все проданы ) Занимаюсь ремонтом автоэлектрики. Метро "Купчино". viewtopic.php?f=133&t=5972&p=42357#p42357


Вернуться к началу
 Профиль  
 
 Заголовок сообщения: Re: центральный замок
СообщениеДобавлено: Вс сен 22, 2013 19:21 
Не в сети
ученик форума
ученик форума
Аватара пользователя

Зарегистрирован: Вс дек 04, 2011 18:48
Сообщения: 5
Машина: Ford Escort
большое вам спасибо


Вернуться к началу
 Профиль  
 
 Заголовок сообщения: Re: центральный замок
СообщениеДобавлено: Вс сен 22, 2013 21:12 
Не в сети
Специалист по электрике
Аватара пользователя

Зарегистрирован: Пн фев 28, 2005 12:31
Сообщения: 1021
Откуда: Санкт - Петербург. Колпино / Купчино ( Малая Балканская \ Купчинская )
Машина: другой Ford
Всегда пожалуйста. :)

_________________
Ford Granada 2.3 Ghia V-6 АКПП. 1982 г. Ford Focus C-Max 2.0 GHIA 2005 г. Ford Fiesta ( было три штуки - все проданы ) Занимаюсь ремонтом автоэлектрики. Метро "Купчино". viewtopic.php?f=133&t=5972&p=42357#p42357


Вернуться к началу
 Профиль  
 
 Заголовок сообщения: Re: Центральный замок
СообщениеДобавлено: Сб дек 21, 2013 21:38 
Не в сети
чайник форума (знак 70)
чайник форума (знак 70)
Аватара пользователя

Зарегистрирован: Чт май 22, 2008 13:06
Сообщения: 67
Откуда: Санкт_Петербург, м. Техноложка
Приключилась та же беда, что описана в стартовом посте. Машина закрывается и тут же отрывается снова. Ясно, что проблема в проводке, скорее всего, в точке соединения проводов всех активаторов - S1048. Только не ясно, где же эта точка. После длительных поисков, точка была найдена. Под накладкой порога водительской двери, в самом толстом жгуте проводов, примерно по середине проема, слева от точки разделения жгутов назад и под сидение.. Замотана тряпочной изолентой и абсолютно сгнившая. Для восстановления, надо снять накладку, снять стяжку, крепящую жгут к внутреннему порогу,подвыдернуть жгут, размотать стягивающую изоленту. И среди проводов найти 2 скрутки. Лучше перемонтировать сразу оба соединения. И чудо!! Все заработало.

_________________
escort mk-VII, 98г, zetek-e 1,6_16v, универсал
Ford Focus II 2009, 1,8 TDCI


Вернуться к началу
 Профиль  
 
Показать сообщения за:  Поле сортировки  
Начать новую тему Ответить на тему  [ Сообщений: 296 ]  На страницу Пред.  1 ... 14, 15, 16, 17, 18, 19, 20  След.

Часовой пояс: UTC + 4 часа [ Летнее время ]


Кто сейчас на конференции

Сейчас этот форум просматривают: нет зарегистрированных пользователей и гости: 3


Вы не можете начинать темы
Вы не можете отвечать на сообщения
Вы не можете редактировать свои сообщения
Вы не можете удалять свои сообщения
Вы не можете добавлять вложения

Найти:
Перейти:  
cron
POWERED_BY
Русская поддержка phpBB
[ Time : 0.039s | 16 Queries | GZIP : Off ]