Автомобильные Форумы POKATILI.RU

Форумы Добровольного Общества Взаимного Обеспечения на Дорогах
Текущее время: Ср окт 22, 2025 12:19

Часовой пояс: UTC + 4 часа [ Летнее время ]




Начать новую тему Ответить на тему  [ Сообщений: 26 ]  На страницу Пред.  1, 2
Автор Сообщение
 Заголовок сообщения:
СообщениеДобавлено: Пн июл 12, 2010 21:41 
Не в сети
чайник форума (знак 70)
чайник форума (знак 70)

Зарегистрирован: Ср июн 04, 2008 22:22
Сообщения: 249
Откуда: Латвия Рига
Valdemar писал(а):
А что с реле может быть? Как его проверить?

С реле скорее всего все в порядке, скорее всего пропадает либо масса или + на ногах управления реле.Щелчки говорят говорят о том что реле постоянно включается и выключается. Я не знаю как выглядит блок предохранителей 1992 года и его реле. На моей на реле четыре ноги, две тонкие и две толстые. Одна тонкая это масса а вторая + при ВКЛ зажигании. На одной толстой постоянный + с АКБ со второй + уходит при срабатывании реле.

_________________
Escort 1.8 Zetek 1996


Вернуться к началу
 Профиль  
 
 Заголовок сообщения:
СообщениеДобавлено: Пн июл 12, 2010 21:52 
Не в сети
чайник форума (знак 70)
чайник форума (знак 70)

Зарегистрирован: Ср июн 04, 2008 22:22
Сообщения: 249
Откуда: Латвия Рига
Valdemar писал(а):
На счет щелкающего - по схеме, вроде реле бензонасоса.

Ноги управления (Тонкие) реле бензонасоса НА МОЕМ АВТО связаны с блоком управления двигателя по массе и с реле питания блока управления двигателем по +. Поэтому если у тебя не работает реле питания блока управления двигателя то реле питания бензонасоса ДОЛЖНО щелкать. Все что я написал действенно применительно моего авто и подойдет ли тебе я не знаю.

_________________
Escort 1.8 Zetek 1996


Вернуться к началу
 Профиль  
 
 Заголовок сообщения:
СообщениеДобавлено: Пн июл 12, 2010 22:01 
Не в сети
чайник форума (знак 70)
чайник форума (знак 70)

Зарегистрирован: Ср июн 04, 2008 22:22
Сообщения: 249
Откуда: Латвия Рига
В принципе самое простое отсоединить блок управления двигателем и посмотреть приходит ли 12В на ноги 37 и 57 при включенном зажигании

_________________
Escort 1.8 Zetek 1996


Вернуться к началу
 Профиль  
 
 Заголовок сообщения:
СообщениеДобавлено: Вт июл 13, 2010 5:17 
Не в сети
Специалист по электрике
Аватара пользователя

Зарегистрирован: Вт сен 20, 2005 4:06
Сообщения: 6562
Откуда: сКольский п-ов
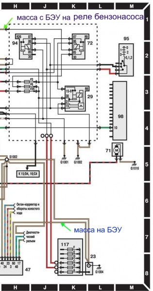
Лови схему блока реле.

Я ещё раз рекомендую проверить хороший контакт массы БЭУ на "-" клемме АКБ, а также на самом разъеме БЭУ. Из-за пропадающего контакта массы возможны перечисленные тобой траблы.


Вложения:
Комментарий к файлу: 72 - реле топливного насоса
29 – реле питания сиситемы впрыска
топлива CFI
94 – реле питания системы зажигания

sh5.jpg
sh5.jpg [ 214.46 КБ | Просмотров: 2906 ]

_________________
Мир всем...
Escort''95 mk6, CLX, hatchback five-door , CFI, J6A, HCS 1.3
...имеющие уши да услышат...
...у быстро бегущей маленькой мышки лапок не видно - отрицать невидимое есть очевидная ересь...
Вернуться к началу
 Профиль  
 
 Заголовок сообщения:
СообщениеДобавлено: Вт июл 13, 2010 22:15 
Не в сети
ученик форума
ученик форума

Зарегистрирован: Пт окт 24, 2008 11:09
Сообщения: 30
Откуда: Ставрополь
В общем ситуация плохая. Ничего не нашли. Потянули на тросе к электрику. Пока тянули решил включить скорость. Машина завелась. Реле щелкало, глохла. Потом заработала. Поехал своим ходом. Поковырялись у электрика. Поскольку все в тот момент работало проверил все что мог. Единственное что еще нашел - от генератора на аккумулятор доходит 13 В.
Сам генератор дает 13,5 - посоветовал разобрать и почитстить.
Отогнал в гаражи чтобы почистили знакомые пока сам на работе. Сделали. Осталось без изменений. Щетки стоят новые, менял 4 мес. назад.
Приехал забирать машину - завелась, пока выкатывался - заглохла. История та же самая. Реле щелкает, машина не заводится. Потащили к гаражу, с толкача опять завелась. Но забирать не стал, по скольку не ясно когда еще она может заглохнуть.
Подскажите пжлста, что еще может быть?!!!!!!!!!!

_________________
Эскорт 1,3 CFI, 1992 г.в., 5МКПП
------------------------------------------
Если взять кусок бумаги, ручку, ножницы и клей
И есче чуть-чуть отваги........
Можно сделать 100 рублей


Вернуться к началу
 Профиль  
 
 Заголовок сообщения:
СообщениеДобавлено: Вт июл 13, 2010 22:29 
Не в сети
Специалист по электрике
Аватара пользователя

Зарегистрирован: Вт сен 20, 2005 4:06
Сообщения: 6562
Откуда: сКольский п-ов
Valdemar писал(а):
Приехал забирать машину - завелась, пока выкатывался - заглохла. История та же самая. Реле щелкает, машина не заводится. Потащили к гаражу, с толкача опять завелась.

Померяй напряжение на клеммах АКБ в момент маслания стартером. Сколько?


Если щелкает реле бензонасоса, то тому 2 причины(при наличии хороших контактов в колодке самого реле):
1. Пропадает масса с БЭУ(или на БЭУ).
2. Пропадает +12В на само реле.

_________________
Мир всем...
Escort''95 mk6, CLX, hatchback five-door , CFI, J6A, HCS 1.3
...имеющие уши да услышат...
...у быстро бегущей маленькой мышки лапок не видно - отрицать невидимое есть очевидная ересь...


Вернуться к началу
 Профиль  
 
 Заголовок сообщения:
СообщениеДобавлено: Ср июл 14, 2010 1:35 
Не в сети
чайник форума (знак 70)
чайник форума (знак 70)

Зарегистрирован: Ср июн 04, 2008 22:22
Сообщения: 249
Откуда: Латвия Рига
Valdemar писал(а):
Подскажите пжлста, что еще может быть?!!!!!!!!!!

Блин ну ты хоть напиши у тебя только реле бензонасоса щелкает или нет??? 12В на ногах 37 и 57 есть ??? По логике у тебя проблемы в питании БЭУ поскольку реле бензонасоса никак не влияет на отсутствие искры.

_________________
Escort 1.8 Zetek 1996


Вернуться к началу
 Профиль  
 
 Заголовок сообщения:
СообщениеДобавлено: Ср июл 14, 2010 1:53 
Не в сети
чайник форума (знак 70)
чайник форума (знак 70)

Зарегистрирован: Ср июн 04, 2008 22:22
Сообщения: 249
Откуда: Латвия Рига
Взято из книги .за достоверность информации не ручаюсь.
НУМЕРАЦИЯ И НАЗНАЧЕНИЕ ВЫВОДОВ РАЗЪЕМА КОНТРОЛЛЕРА КСУД CFi
1 питание контроллера . + бортовой сети ( оперативное ЗУ )
5 + после З.З. ????????
16 минус АКБ
20 масса

22 + ПОСЛЕ З,З, НА РЕЛЕ ВКЛ ТОПЛИВНОГО НАСОСА . ???????? ::doh::

26 масса
37 масса ???????
40 минус АКБ
57 + после З.З.
59 масса
60 минус АКБ

_________________
Escort 1.8 Zetek 1996


Вернуться к началу
 Профиль  
 
 Заголовок сообщения:
СообщениеДобавлено: Чт июл 15, 2010 10:39 
Не в сети
ученик форума
ученик форума

Зарегистрирован: Пт окт 24, 2008 11:09
Сообщения: 30
Откуда: Ставрополь
Спасибо за помощь. Нашел еще массу рядом с мозгами в салоне, снял разьем с ЭБУ, и все обработал WD40. Вроде пока пашет. Пару раз были похожие симптомы: реле пощелкало, машина заглохла, но потом завелась. Искать когда все работает я так понимаю бесполезно. Подскажите еще что может быть с генератором?? (На генераторе - 13,5В, на аккумулятор приходит 13,2В. Когда включаю свет или есче что-нить падает до 13)....

_________________
Эскорт 1,3 CFI, 1992 г.в., 5МКПП
------------------------------------------
Если взять кусок бумаги, ручку, ножницы и клей
И есче чуть-чуть отваги........
Можно сделать 100 рублей


Вернуться к началу
 Профиль  
 
 Заголовок сообщения:
СообщениеДобавлено: Чт июл 15, 2010 11:37 
Не в сети
профессионал форума
профессионал форума
Аватара пользователя

Зарегистрирован: Пт ноя 21, 2008 0:19
Сообщения: 2158
Откуда: Брест, Беларусь
Valdemar писал(а):
снял разьем с ЭБУ, и все обработал WD40.
В мозги ВДшку хоть долил? А то может уровень упал?

Сколько можно писать, что нельзя ВДшку в электрику лить? :evil: :evil:

_________________
Escort Mk7 '96 1.6i Zetec 4LPG универсал
Mondeo Mk3 '02 2.0i DuraTec 4LPG универсал
Белорусский Ford Клуб


Вернуться к началу
 Профиль  
 
 Заголовок сообщения:
СообщениеДобавлено: Чт июл 15, 2010 13:22 
Не в сети
Специалист по электрике
Аватара пользователя

Зарегистрирован: Вт сен 20, 2005 4:06
Сообщения: 6562
Откуда: сКольский п-ов
Valdemar писал(а):
Подскажите еще что может быть с генератором?? (На генераторе - 13,5В, на аккумулятор приходит 13,2В. Когда включаю свет или есче что-нить падает до 13)....

Генератор какой?
Такие симптомы как правило при плохой массе между регулятором напряжения генератора и корпусом генератора.
Ну и контакты в цепи "+" до АКБ.

_________________
Мир всем...
Escort''95 mk6, CLX, hatchback five-door , CFI, J6A, HCS 1.3
...имеющие уши да услышат...
...у быстро бегущей маленькой мышки лапок не видно - отрицать невидимое есть очевидная ересь...


Вернуться к началу
 Профиль  
 
Показать сообщения за:  Поле сортировки  
Начать новую тему Ответить на тему  [ Сообщений: 26 ]  На страницу Пред.  1, 2

Часовой пояс: UTC + 4 часа [ Летнее время ]


Кто сейчас на конференции

Сейчас этот форум просматривают: нет зарегистрированных пользователей и гости: 2


Вы не можете начинать темы
Вы не можете отвечать на сообщения
Вы не можете редактировать свои сообщения
Вы не можете удалять свои сообщения
Вы не можете добавлять вложения

Найти:
Перейти:  
cron
POWERED_BY
Русская поддержка phpBB
[ Time : 0.043s | 16 Queries | GZIP : Off ]