Автомобильные Форумы POKATILI.RU

Форумы Добровольного Общества Взаимного Обеспечения на Дорогах
Текущее время: Чт дек 11, 2025 22:08

Часовой пояс: UTC + 4 часа [ Летнее время ]




Начать новую тему Ответить на тему  [ Сообщений: 8 ] 
Автор Сообщение
 Заголовок сообщения: Блок штатной сигнализации.
СообщениеДобавлено: Вс мар 15, 2009 21:35 
Не в сети
ученик форума
ученик форума

Зарегистрирован: Сб янв 10, 2009 19:41
Сообщения: 2
Откуда: Питер
в общем сабж.
машинка универсал 98 год турнир 7ой не могу найти блог цз. Дверь водительскую разобрал и не нашел(


Вернуться к началу
 Профиль  
 
 Заголовок сообщения:
СообщениеДобавлено: Вс мар 15, 2009 23:01 
Не в сети
Зеленый лихач форума
Зеленый лихач форума
Аватара пользователя

Зарегистрирован: Пн дек 31, 2007 15:47
Сообщения: 307
Откуда: Брянская обл. г.Новозыбков
А с чего ты взял, что блок будет в двери? Он скорей всего будет под панелью приборов.

_________________
FORD ESCORT 1.6D 1982г. 3-дверка,БУДЕТ ЖИТЬ!!! Но в других руках...
Сейчас TOYOTA COROLLA 1.6i 4A-FE 1991г.


Вернуться к началу
 Профиль  
 
 Заголовок сообщения:
СообщениеДобавлено: Пн мар 16, 2009 0:24 
Не в сети
OHV гуру
Аватара пользователя

Зарегистрирован: Вт июн 10, 2008 1:02
Сообщения: 473
Откуда: Родом с Тульской обл.Сейчас живу Ленинградская обл.г.Кириши
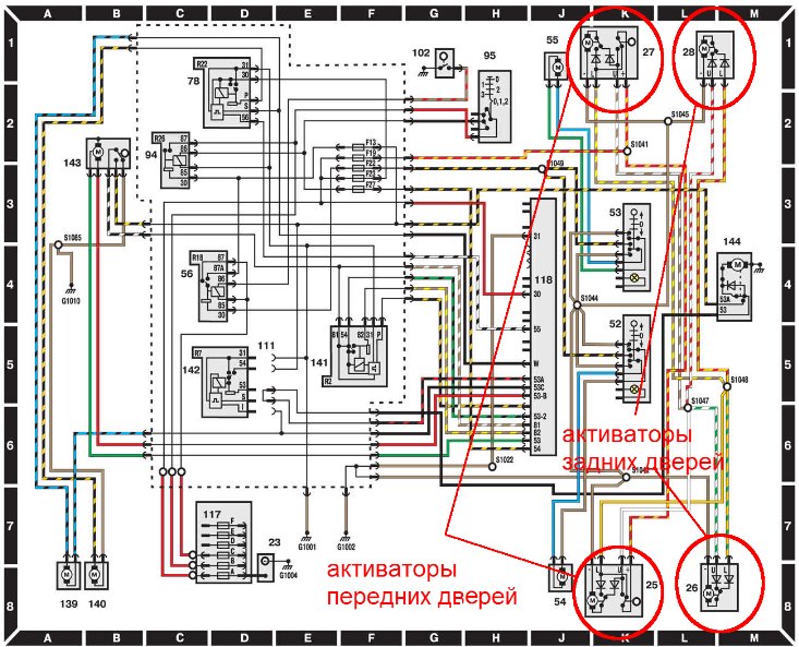
Вобше то двери открываються и закрываються активаторами дверей.Которые соеденены между собой.Основного блока центральных замков просто напросто НЕТ.Покрайней мере до 1995года выпуска машин.Я думаю в твоей 1998года измениться схема цетральных замков не должна.Смотри ниже схему.А какая неисправность у тебя что ты ищешь блок?


Вложения:
sh13у1.JPG
sh13у1.JPG [ 142.06 КБ | Просмотров: 2652 ]

_________________
Был 10 лет. Москвич 2140 1984г. До сих пор ездит у другого хозяина.
В 2007г. приобрёл Ford Escort-декабрь93г.5-дверн хечбек.серебристый-металик.карб-1.3L.
Вернуться к началу
 Профиль  
 
 Заголовок сообщения:
СообщениеДобавлено: Пн мар 16, 2009 0:27 
Не в сети
профессионал форума
профессионал форума
Аватара пользователя

Зарегистрирован: Пт ноя 21, 2008 0:19
Сообщения: 2158
Откуда: Брест, Беларусь
Андрей06 писал(а):
Основного блока центральных замков просто напросто НЕТ
+1 !

_________________
Escort Mk7 '96 1.6i Zetec 4LPG универсал
Mondeo Mk3 '02 2.0i DuraTec 4LPG универсал
Белорусский Ford Клуб


Вернуться к началу
 Профиль  
 
 Заголовок сообщения:
СообщениеДобавлено: Пн мар 16, 2009 2:36 
Не в сети
Специалист широкого профиля

Зарегистрирован: Ср мар 08, 2006 16:33
Сообщения: 3975
Откуда: Харьков
Если учесть, что активаторы ЦЗ срабатывают от сигнала брелка, то надо предположить, что автор ищет блок сигналки внутри автомобиля :wink:

_________________
Ford Escort хэтч, CVH 1,4 F6D (сейчас карб Pierburg 1B3 ), май 90г., красный, люк, ЦЗ.


Вернуться к началу
 Профиль  
 
 Заголовок сообщения:
СообщениеДобавлено: Ср мар 18, 2009 5:20 
Не в сети
ученик форума
ученик форума

Зарегистрирован: Сб янв 10, 2009 19:41
Сообщения: 2
Откуда: Питер
bo. именно этот блок. просто ставлю шерхан 5ый с автозапуском на нее и вот блок искал.
Кстати вот еще вопросик. Как узнать есть ли у меня иммобилайзер? Всего у меня 3 ключа. на основном 2 кнопки. Первая как клавиша play а вторая как пеенремотка выглядит) Прост если у меня иммо есть то придется покуапть ключ заготовку и модул обхода иммобилайзера что весьма не айс(((
P.S. чтоб не создавать новой темы:
когда разбирал дверь нашел провод ведущий из зеркала. там типа желтый штекер такой. + когда снял водительское сиденье нашел аналогичный желтый штекер идущий из сидения. предполагаю что это обогрев зеркал и сидения. но вроде в комплектации у меня этого не было....


Вернуться к началу
 Профиль  
 
 Заголовок сообщения:
СообщениеДобавлено: Ср мар 18, 2009 13:21 
Не в сети
профессионал форума
профессионал форума
Аватара пользователя

Зарегистрирован: Пт ноя 21, 2008 0:19
Сообщения: 2158
Откуда: Брест, Беларусь
Dimka_Chudra писал(а):
когда разбирал дверь нашел провод ведущий из зеркала. там типа желтый штекер такой. + когда снял водительское сиденье нашел аналогичный желтый штекер идущий из сидения. предполагаю что это обогрев зеркал и сидения.

А я предполагаю, что это SRS.
Правда, что ему в зеркале делать? Может датчик?
Укажите в подписи машину, так удобнее, чтобы ветку не рыть...

_________________
Escort Mk7 '96 1.6i Zetec 4LPG универсал
Mondeo Mk3 '02 2.0i DuraTec 4LPG универсал
Белорусский Ford Клуб


Вернуться к началу
 Профиль  
 
 Заголовок сообщения:
СообщениеДобавлено: Ср мар 18, 2009 14:59 
Не в сети
Специалист по электрике
Аватара пользователя

Зарегистрирован: Вт сен 20, 2005 4:06
Сообщения: 6562
Откуда: сКольский п-ов
Под сидением с желтыми проводами осторожней - это SRS. Идут на датчик ремня натяжения - от него она и срабатывает. Особенно не рекомендую в них тыкать тестером... :lol:
Если чип есть в ключе - есть и иммо.

_________________
Мир всем...
Escort''95 mk6, CLX, hatchback five-door , CFI, J6A, HCS 1.3
...имеющие уши да услышат...
...у быстро бегущей маленькой мышки лапок не видно - отрицать невидимое есть очевидная ересь...


Вернуться к началу
 Профиль  
 
Показать сообщения за:  Поле сортировки  
Начать новую тему Ответить на тему  [ Сообщений: 8 ] 

Часовой пояс: UTC + 4 часа [ Летнее время ]


Кто сейчас на конференции

Сейчас этот форум просматривают: нет зарегистрированных пользователей и гости: 2


Вы не можете начинать темы
Вы не можете отвечать на сообщения
Вы не можете редактировать свои сообщения
Вы не можете удалять свои сообщения
Вы не можете добавлять вложения

Найти:
Перейти:  
POWERED_BY
Русская поддержка phpBB
[ Time : 0.023s | 16 Queries | GZIP : Off ]