Автомобильные Форумы POKATILI.RU

Форумы Добровольного Общества Взаимного Обеспечения на Дорогах
Текущее время: Вс янв 18, 2026 15:39

Часовой пояс: UTC + 4 часа [ Летнее время ]




Начать новую тему Ответить на тему  [ Сообщений: 63 ]  На страницу Пред.  1, 2, 3, 4, 5  След.
Автор Сообщение
 Заголовок сообщения:
СообщениеДобавлено: Сб май 22, 2010 19:41 
Не в сети
ученик форума
ученик форума
Аватара пользователя

Зарегистрирован: Чт окт 22, 2009 15:21
Сообщения: 43
Откуда: Казахстан, Павлодар
А можно ли установить стеклоподъёмнеики с Mondeo или с какой-нибудь другой машины этого семейства? А то новые в наших краях дорогое удовольствие, а на авто разборах всё можно "за копейки" найти.

_________________
Ford Escort CLX 1992г.в V 1,6 Zetec SEFI с системой впрыска. 90 л.с. 5-дверный хэтчбэк
Постоянный адрес Escort'a http://www.drive2.ru/cars/ford/escort/e ... 5/vitas91/


Вернуться к началу
 Профиль  
 
 Заголовок сообщения:
СообщениеДобавлено: Сб сен 18, 2010 13:06 
Не в сети
чайник форума (знак 70)
чайник форума (знак 70)
Аватара пользователя

Зарегистрирован: Вс ноя 01, 2009 3:32
Сообщения: 111
Откуда: КУРСК
Машина: Ford Escort
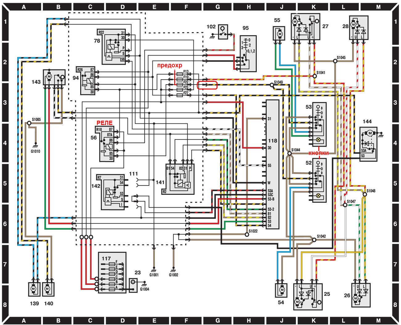
Народ прошу помощи, восстанавливаю свой Форд, переварил, покрасил, протянул акустические провода поставил универсальные стеклоподъемники на 4 двери, протянул проводку. Проблема вот в чем: хочу подключить питание стеклоподъемников через родной предохранитель и реле. которые имеются в монтажном блоке, но проблема в том, что не знаю откуда выходит +провод питания на кнопки, судя по схеме должен быть черно-желтого цвета, но найти не могу. Часть разъемов в монтажном блоке отсутствуют (ввиду бюджетной версии автомобиля), подскажите откуда выходит этот +провод (обведен красным овалом), из какого разъема монтажного блока, Заранее спасибо. схему прилагаю


Вложения:
12.JPG
12.JPG [ 229.05 КБ | Просмотров: 4786 ]

_________________
Ford Escort MK-V 1991 г.в. "CVH 1.4, CFI" заменен на DOCH (Zetec) 1.6 16V SEFI
Вернуться к началу
 Профиль  
 
 Заголовок сообщения:
СообщениеДобавлено: Сб сен 18, 2010 13:13 
Не в сети
чайник форума (знак 70)
чайник форума (знак 70)
Аватара пользователя

Зарегистрирован: Вс ноя 01, 2009 3:32
Сообщения: 111
Откуда: КУРСК
Машина: Ford Escort
таким образом установил


Вложения:
IMG_0034.jpg
IMG_0034.jpg [ 124.96 КБ | Просмотров: 4773 ]
IMG_0032.jpg
IMG_0032.jpg [ 132.04 КБ | Просмотров: 4775 ]

_________________
Ford Escort MK-V 1991 г.в. "CVH 1.4, CFI" заменен на DOCH (Zetec) 1.6 16V SEFI
Вернуться к началу
 Профиль  
 
 Заголовок сообщения:
СообщениеДобавлено: Сб сен 18, 2010 14:37 
Не в сети
профессионал форума
профессионал форума
Аватара пользователя

Зарегистрирован: Пт ноя 21, 2008 0:19
Сообщения: 2158
Откуда: Брест, Беларусь
cooper писал(а):
подскажите откуда выходит этот +провод (обведен красным овалом), из какого разъема монтажного блока
Имхо, проще тестером вызвонить...

_________________
Escort Mk7 '96 1.6i Zetec 4LPG универсал
Mondeo Mk3 '02 2.0i DuraTec 4LPG универсал
Белорусский Ford Клуб


Вернуться к началу
 Профиль  
 
 Заголовок сообщения:
СообщениеДобавлено: Сб сен 18, 2010 21:19 
Не в сети
чайник форума (знак 70)
чайник форума (знак 70)
Аватара пользователя

Зарегистрирован: Вс ноя 01, 2009 3:32
Сообщения: 111
Откуда: КУРСК
Машина: Ford Escort
Возможно, но монтажный блок очень неудобно расположен, отсутствует вроде 3 или 4 комбинированных разъема, предположительно (судя по рисунку и обозначению в книге по ремонту) это разъем М9-снизу(проводка идущая в двери), состоящий в свою очередь из 2-х разъемов, но могу ошибаться.
Народ, если не трудно, у кого стоят родные стеклоподъемники на моделях до 1995 года, посмотрите откуда идет черно-желтый провод, по схеме их два, так что пригодится откуда и второй выходит. Заранее благодарен.


Вложения:
Комментарий к файлу: так выглядит после покраски
IMG_0003.jpg
IMG_0003.jpg [ 120.08 КБ | Просмотров: 4766 ]

_________________
Ford Escort MK-V 1991 г.в. "CVH 1.4, CFI" заменен на DOCH (Zetec) 1.6 16V SEFI
Вернуться к началу
 Профиль  
 
 Заголовок сообщения:
СообщениеДобавлено: Сб сен 18, 2010 21:59 
Не в сети
чайник форума (знак 70)
чайник форума (знак 70)
Аватара пользователя

Зарегистрирован: Вс ноя 01, 2009 3:32
Сообщения: 111
Откуда: КУРСК
Машина: Ford Escort
предположительно этот разъем


Вложения:
t_0817101840a__198.jpg
t_0817101840a__198.jpg [ 31.15 КБ | Просмотров: 5374 ]

_________________
Ford Escort MK-V 1991 г.в. "CVH 1.4, CFI" заменен на DOCH (Zetec) 1.6 16V SEFI
Вернуться к началу
 Профиль  
 
 Заголовок сообщения:
СообщениеДобавлено: Пн сен 20, 2010 21:15 
Не в сети
беспечный ездок форума
беспечный ездок форума
Аватара пользователя

Зарегистрирован: Сб июн 28, 2008 11:26
Сообщения: 699
Откуда: Минск
cooper
акрилом красилась ?
-----
Люди к чему запитывать эсп ?

_________________
Ford ESCORT 94 год хэтч 5 дверей 1,6 16v 90лс
Мнений может быть много, но решение принимает кто-то один!
Я спокоен как слоник!


Вернуться к началу
 Профиль  
 
 Заголовок сообщения:
СообщениеДобавлено: Пн сен 20, 2010 22:54 
Не в сети
Модератор раздела
Модератор раздела

Зарегистрирован: Чт авг 18, 2005 0:02
Сообщения: 4139
Откуда: Великий Новогород
cooper писал(а):
поставил универсальные стеклоподъемники на 4 двери, протянул проводку.
Слушай, а у тебя нету чтоли штатной проводки для передних стеклоподъемников?

У меня была - под центральной консолью между ручником и ручкой КПП 2 таких разъемчика десятиконтактных болтались. Там же точки S1049 и S1044 живут.

Если они есть, то все намного легче реализуется...

_________________
Ford Escort MkV 5-Door Hatchback 1991 CVH F6F (1,4 CFI)


Последний раз редактировалось dsa Пн сен 20, 2010 23:13, всего редактировалось 2 раз(а).

Вернуться к началу
 Профиль  
 
 Заголовок сообщения:
СообщениеДобавлено: Пн сен 20, 2010 23:01 
Не в сети
Модератор раздела
Модератор раздела

Зарегистрирован: Чт авг 18, 2005 0:02
Сообщения: 4139
Откуда: Великий Новогород
Омметром то отщупай все контакты, если примерно представляешь какой разъем должен быть (от одного из контактов этого предохранителя, до ножки). Так проще всего будет найти.

_________________
Ford Escort MkV 5-Door Hatchback 1991 CVH F6F (1,4 CFI)


Вернуться к началу
 Профиль  
 
 Заголовок сообщения:
СообщениеДобавлено: Сб сен 25, 2010 18:12 
Не в сети
чайник форума (знак 70)
чайник форума (знак 70)
Аватара пользователя

Зарегистрирован: Вс ноя 01, 2009 3:32
Сообщения: 111
Откуда: КУРСК
Машина: Ford Escort
Да красилась акрилом, цвет Гренадер, с последующей полировкой, в настоящее время для пущей надежности пол изнутри, днище проемы арки, лонжероны, пороги и все что попадало на глаза пролито дикой смесью из пушечного сала, мастики, отработки и нигрола.
К сожалению, как я уже говорил версия автомобиля бюджетная, провода были под поликом только для концевиков салонного света для задних дверей (которых также не было, но все было поставлено).
Да я думаю самый быстрый вариант звонить от предохранителя тестером, пока не попадешь на нужную ногу.
Кстати нашел еще одну схему черно-белую для штатных ЭСП моей модели, есть отличия от приведенной выше, несмотря на то что цвета проводов совпадают (судя по маркировке), на черно-белой схеме реле ЭСП 4-х контакное, а на приведенной выше 5-ти контактное. Вот и думай тут....

_________________
Ford Escort MK-V 1991 г.в. "CVH 1.4, CFI" заменен на DOCH (Zetec) 1.6 16V SEFI


Вернуться к началу
 Профиль  
 
 Заголовок сообщения:
СообщениеДобавлено: Ср окт 13, 2010 22:35 
Не в сети
чайник форума (знак 70)
чайник форума (знак 70)
Аватара пользователя

Зарегистрирован: Вс ноя 01, 2009 3:32
Сообщения: 111
Откуда: КУРСК
Машина: Ford Escort
Народ помогите, трабл выскочил, все провел по родной схеме, нашел эту долбанную ногу (кому нужно спрашивайте), то есть пустил все через реле и предохранитель в блоке предохранителей...НО при открытой водительской двери включил зажигание и в одну секунду сгорел водительский концевик двери (причем так быстро что даже испугаться не успел). По схеме действительно минус реле (86 нога) запитан на концевик (при открытой двери), а при закрытой плюс идет с реле зажигания (для чего это сделано прочитал в форумах (по мне дебилизм полный)) Так вот теперь я не вкурю, что! при включенном зажигании водительскую дверь открывать нельзя?????
За любые разъяснения огромное спасибо. Машину почти собрал, фото выложу

_________________
Ford Escort MK-V 1991 г.в. "CVH 1.4, CFI" заменен на DOCH (Zetec) 1.6 16V SEFI


Вернуться к началу
 Профиль  
 
 Заголовок сообщения:
СообщениеДобавлено: Чт окт 14, 2010 4:55 
Не в сети
Специалист по электрике
Аватара пользователя

Зарегистрирован: Вт сен 20, 2005 4:06
Сообщения: 6562
Откуда: сКольский п-ов
cooper писал(а):
НО при открытой водительской двери включил зажигание и в одну секунду сгорел водительский концевик двери (причем так быстро что даже испугаться не успел).

Это коротыш! Ты +12В через концевик посадил на массу. Поэтому он и сгорел моментом. Ищи косяк в схеме подключения.

_________________
Мир всем...
Escort''95 mk6, CLX, hatchback five-door , CFI, J6A, HCS 1.3
...имеющие уши да услышат...
...у быстро бегущей маленькой мышки лапок не видно - отрицать невидимое есть очевидная ересь...


Вернуться к началу
 Профиль  
 
 Заголовок сообщения:
СообщениеДобавлено: Чт окт 14, 2010 18:15 
Не в сети
чайник форума (знак 70)
чайник форума (знак 70)
Аватара пользователя

Зарегистрирован: Вс ноя 01, 2009 3:32
Сообщения: 111
Откуда: КУРСК
Машина: Ford Escort
Ну то что замыкание я то понял, НО я забыл самое главное описать "при всем этом провода ЭСП не были подключены к блоку предохранителей, просто проверял приходил ли на ногу +" я вставил реле R18 и предохранитель 22, при открытой водительской двери включил зажигание и БАХ - концевика водительской двери больше нет с нами. Пока больше не пробовал, других дел хватает, и концевик на замену еще не достал. Но внутренний голос мне подсказывает, что проблема была в реле, поскольку по книги оно обычное 5-контактное,я и вставил 1-е что попалось под руку, точнее лежало в гараже

_________________
Ford Escort MK-V 1991 г.в. "CVH 1.4, CFI" заменен на DOCH (Zetec) 1.6 16V SEFI


Вернуться к началу
 Профиль  
 
 Заголовок сообщения:
СообщениеДобавлено: Пн окт 18, 2010 3:35 
Не в сети
чайник форума (знак 70)
чайник форума (знак 70)
Аватара пользователя

Зарегистрирован: Вс ноя 01, 2009 3:32
Сообщения: 111
Откуда: КУРСК
Машина: Ford Escort
Достал концевик с мандео (длиннее оказался, пришлось укоротить), новое реле, проделал туже операцию, все повторилось, точнее я не стал уничтожать концевик двери, а как только стал греться провод все вырубил. ТЕПЕРЬ ГЛАВНОЕ, взял тестер вкл. на прозвон вставил в 30 разъем реле R18 (по схеме плюс ЭСП) и погнал звонить все ноги со всех разъемов блока предохранителей и о чудо нашел уже 2 ноги на которую по идее должен приходить + с 30 ноги реле R18 (рис.1 и рис.2), но дальше самое интересное 30 нога реле R18 звонится на концевик водительской двери (вот оно КЗ), оказывается на рис.2 нога свободна от разъема (куда я и собирался подключить +ЭСП), а вот на рис.1 данная нога занята и вы думаете чем...Правильно проводом концевика двери (цвет провода совпадает и звонится на концевик).
А ТЕПЕРЬ ВНИМАНИЕ ВОПРОС!!!
Что это за хреновень такая и что теперь со всем этим всем делать?!?!?
Ноги 85, 86, 87 реле R18 работают в нормальном режиме, плюс там где должен быть.


Вложения:
Комментарий к файлу: красная стрелка - нога свободна
.2.JPG
.2.JPG [ 90.34 КБ | Просмотров: 4771 ]
Комментарий к файлу: красная стрелка - нога занята концевик двери
.1.JPG
.1.JPG [ 31.56 КБ | Просмотров: 5185 ]

_________________
Ford Escort MK-V 1991 г.в. "CVH 1.4, CFI" заменен на DOCH (Zetec) 1.6 16V SEFI
Вернуться к началу
 Профиль  
 
 Заголовок сообщения:
СообщениеДобавлено: Пн окт 18, 2010 3:38 
Не в сети
чайник форума (знак 70)
чайник форума (знак 70)
Аватара пользователя

Зарегистрирован: Вс ноя 01, 2009 3:32
Сообщения: 111
Откуда: КУРСК
Машина: Ford Escort
я вот подумал, то ли у меня перемычки какойнить не хватает, толи реле R18 не совсем обычное. Прошу помогите, весь форд уже собрал, только этот геммор остался

_________________
Ford Escort MK-V 1991 г.в. "CVH 1.4, CFI" заменен на DOCH (Zetec) 1.6 16V SEFI


Вернуться к началу
 Профиль  
 
Показать сообщения за:  Поле сортировки  
Начать новую тему Ответить на тему  [ Сообщений: 63 ]  На страницу Пред.  1, 2, 3, 4, 5  След.

Часовой пояс: UTC + 4 часа [ Летнее время ]


Кто сейчас на конференции

Сейчас этот форум просматривают: нет зарегистрированных пользователей и гости: 2


Вы не можете начинать темы
Вы не можете отвечать на сообщения
Вы не можете редактировать свои сообщения
Вы не можете удалять свои сообщения
Вы не можете добавлять вложения

Найти:
Перейти:  
cron
POWERED_BY
Русская поддержка phpBB
[ Time : 0.036s | 14 Queries | GZIP : Off ]