Автомобильные Форумы POKATILI.RU

Форумы Добровольного Общества Взаимного Обеспечения на Дорогах
Текущее время: Сб дек 13, 2025 21:16

Часовой пояс: UTC + 4 часа [ Летнее время ]




Начать новую тему Ответить на тему  [ Сообщений: 641 ]  На страницу Пред.  1 ... 28, 29, 30, 31, 32, 33, 34 ... 43  След.
Автор Сообщение
 Заголовок сообщения:
СообщениеДобавлено: Вт июл 20, 2010 19:46 
Не в сети
Модератор раздела
Модератор раздела
Аватара пользователя

Зарегистрирован: Пт дек 05, 2008 0:10
Сообщения: 8793
Откуда: г Обнинск Калужская обл
Altsandr
Здесь много чего может быть,ну раз в подвеске уверен то глянь подушки двигателя и коробки,подшипник ::thinking:: не знаю может конечно и из за него,а посадочные места в поворотном кулаке нормальные ,элипсов нет?

_________________
.Был:FORD eskort 1991г 1,4дв,СVН, EFI,хетч
сейчас Хонда CR-V 2000г.американка
Несправедливо не ответить на несправедливость!
Жестоко не ответить на жестокость!


Вернуться к началу
 Профиль  
 
 Заголовок сообщения:
СообщениеДобавлено: Вт июл 20, 2010 22:37 
Не в сети
ученик форума
ученик форума

Зарегистрирован: Ср май 12, 2010 15:44
Сообщения: 42
Откуда: Харьков
Домкратили сегодня на яме задние колеса, сайленты балки вроде бы в порядке, сайленты стойки тоже. Проверяли просовывая ломик и рячагом создавая усилия на них.
Лонжероны новые, осенью варили.
Подшипники не люфтят.
Пружины вроде тоже не поломаны, да и загружал в машину дня два назад (ее уже тогда водило) 6 человек + набитый багажник, не проседала.
Похоже на то, что и правда аммортизаторы накрылись, но тогда откуда звук "стреляющий резины" при езде по неровностям?
Еще, аммо тестировал следующим образом, раскачивал машину, в нижней точке отпускал - подпрыгивала вверх-вниз-вверх и на этом колебания заканчивались.
Так что скажите, задние стойки менять или дальше искать причину?

_________________
Escort mk5 1.8 Zetec


Вернуться к началу
 Профиль  
 
 Заголовок сообщения:
СообщениеДобавлено: Вт июл 20, 2010 23:41 
Не в сети
Модератор раздела
Модератор раздела
Аватара пользователя

Зарегистрирован: Пт дек 05, 2008 0:10
Сообщения: 8793
Откуда: г Обнинск Калужская обл
Да похоже стойки работают ::thinking:: хотя бывает одна не работает,а за счёт другой колебания от руки гасятся,а на дороге нет.Кстати проблема может быть не обязательно сзади,может и дефект спереди давать эфект виляющей запдницы.
Цитата:
, но тогда откуда звук "стреляющий резины" при езде по неровностям?
а это как?

_________________
.Был:FORD eskort 1991г 1,4дв,СVН, EFI,хетч
сейчас Хонда CR-V 2000г.американка
Несправедливо не ответить на несправедливость!
Жестоко не ответить на жестокость!


Вернуться к началу
 Профиль  
 
 Заголовок сообщения:
СообщениеДобавлено: Ср июл 21, 2010 0:14 
Не в сети
Зеленый лихач форума
Зеленый лихач форума
Аватара пользователя

Зарегистрирован: Чт янв 28, 2010 3:55
Сообщения: 424
Откуда: г.Елец
tsarik писал(а):
Здесь много чего может быть,ну раз в подвеске уверен то глянь подушки двигателя и коробки,подшипник не знаю может конечно и из за него,а посадочные места в поворотном кулаке нормальные ,элипсов нет?

Как раз сегодня приехали мои запчасти, новый подшипник ступицы и подушка двигателя. Всё подготовил, машину поддомкратил. Разобрал переднюю повеску и поменял подшипник. Но заметил еще одну проблему, то что внутрь подшипника вбивает, типа баробан со шпильками проворачивается в подшипнике и тот вообще не вращается. На Екзисте ничего подобного не нашел. Что это? Может быть кто знает номер? На нем еще колько АБС стоит. Собрал всё так, колесо конечно бить перестало. Проехался и опять это стук при разгоне, торможении, поворотах. Приехал в гараж, стал менять подушку. Кстати старая в ней очень мягкая резина была, в новой жесткая. Поменял. Заметил большой плюс, двигатель перестало колбасить. Поехал проверять, отца взял, тот в машинах профессионал. Стук пропал. Всё нормально. Непонятно только одно. Если движок стукался об чего то, то об чего? я ничего не нашел. Ладно, ну ее. Сижу пью пиво, типа Победа!!!

_________________
Ford Escort 1998г 1.6 Zetec SEFi хетчбек 90 л/с (900 лисих сил)


Вернуться к началу
 Профиль  
 
 Заголовок сообщения:
СообщениеДобавлено: Ср июл 21, 2010 0:51 
Не в сети
профессионал форума
профессионал форума
Аватара пользователя

Зарегистрирован: Пн сен 03, 2007 14:21
Сообщения: 1628
Откуда: Барановичи - РБ
Речь не о ступице случайно? Если так то разбирай и ставь нормальную. Иначе приговоришь подшипник.

_________________
Escort [MkVII] '97 - 3 двери, PTE (CVH) 1.4i, ABS, ГУР - живчик. Нашел нового хозяина. Больше не требует внимания к своему ЛКП.


Вернуться к началу
 Профиль  
 
 Заголовок сообщения:
СообщениеДобавлено: Ср июл 21, 2010 0:58 
Не в сети
ученик форума
ученик форума

Зарегистрирован: Ср май 12, 2010 15:44
Сообщения: 42
Откуда: Харьков
tsarik писал(а):
Да похоже стойки работают ::thinking:: хотя бывает одна не работает,а за счёт другой колебания от руки гасятся,а на дороге нет.Кстати проблема может быть не обязательно сзади,может и дефект спереди давать эфект виляющей запдницы.
Цитата:
, но тогда откуда звук "стреляющий резины" при езде по неровностям?
а это как?

Со стороны заднего левого колеса, особенно если качусь на нейтралке с открытым окном, по плохой дороге, слышны нерегулярные глухие стуки, похожие, как будто, только что покрышку на диск натянули и накачивают воздухом, и резина выпрямляется "стреляет", даже не знаю как еще этот звук описать :)

_________________
Escort mk5 1.8 Zetec


Вернуться к началу
 Профиль  
 
 Заголовок сообщения:
СообщениеДобавлено: Ср июл 21, 2010 20:40 
Не в сети
Модератор раздела
Модератор раздела
Аватара пользователя

Зарегистрирован: Пт дек 05, 2008 0:10
Сообщения: 8793
Откуда: г Обнинск Калужская обл
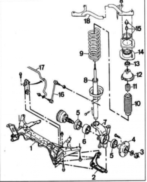
Altsandr если под номером 4 то это ступица


Вложения:
111.png
111.png [ 50.41 КБ | Просмотров: 2080 ]

_________________
.Был:FORD eskort 1991г 1,4дв,СVН, EFI,хетч
сейчас Хонда CR-V 2000г.американка
Несправедливо не ответить на несправедливость!
Жестоко не ответить на жестокость!
Вернуться к началу
 Профиль  
 
 Заголовок сообщения:
СообщениеДобавлено: Ср июл 21, 2010 20:43 
Не в сети
Модератор раздела
Модератор раздела
Аватара пользователя

Зарегистрирован: Пт дек 05, 2008 0:10
Сообщения: 8793
Откуда: г Обнинск Калужская обл
Цитата:
Если движок стукался об чего то, то об чего? я ничего не нашел.
Не движок стукался,а через плохую резину подушки звук проходил на кузов,кстати слишком твёрдая резина подушек так же передаёт все вибрации движка на кузов.

_________________
.Был:FORD eskort 1991г 1,4дв,СVН, EFI,хетч
сейчас Хонда CR-V 2000г.американка
Несправедливо не ответить на несправедливость!
Жестоко не ответить на жестокость!


Вернуться к началу
 Профиль  
 
 Заголовок сообщения:
СообщениеДобавлено: Ср июл 21, 2010 20:48 
Не в сети
Модератор раздела
Модератор раздела
Аватара пользователя

Зарегистрирован: Пт дек 05, 2008 0:10
Сообщения: 8793
Откуда: г Обнинск Калужская обл
rrv
А у тебя за подкрылки пружинки ни где не цепляют,уж больно похоже по описанию ::thinking::

_________________
.Был:FORD eskort 1991г 1,4дв,СVН, EFI,хетч
сейчас Хонда CR-V 2000г.американка
Несправедливо не ответить на несправедливость!
Жестоко не ответить на жестокость!


Вернуться к началу
 Профиль  
 
 Заголовок сообщения:
СообщениеДобавлено: Чт июл 22, 2010 10:48 
Не в сети
ученик форума
ученик форума

Зарегистрирован: Ср май 12, 2010 15:44
Сообщения: 42
Откуда: Харьков
Когда домкратил ничего не видел.
Вчера знакомому механику показывал, расшатывал машинку вверх за арку, сказал, что аммортизаторы надо менять, а хлопки эти вероятно из клапанов амортизатора

_________________
Escort mk5 1.8 Zetec


Вернуться к началу
 Профиль  
 
 Заголовок сообщения:
СообщениеДобавлено: Пт июл 23, 2010 19:56 
Не в сети
Модератор раздела
Модератор раздела
Аватара пользователя

Зарегистрирован: Пт дек 05, 2008 0:10
Сообщения: 8793
Откуда: г Обнинск Калужская обл
Я бы не спешил покупать новые аморты,сначала снял старые и проверил,а там видно будет. ::thinking::

_________________
.Был:FORD eskort 1991г 1,4дв,СVН, EFI,хетч
сейчас Хонда CR-V 2000г.американка
Несправедливо не ответить на несправедливость!
Жестоко не ответить на жестокость!


Вернуться к началу
 Профиль  
 
 Заголовок сообщения:
СообщениеДобавлено: Пт июл 23, 2010 23:37 
Не в сети
Специалист широкого профиля

Зарегистрирован: Ср мар 08, 2006 16:33
Сообщения: 3975
Откуда: Харьков
rrv писал(а):
а хлопки эти вероятно из клапанов амортизатора

::doh:: :shock: Ничего подобного я никогда не слышал даже от бывалых "кулибыных". Это ж надо .... придумать такое.
Хотя..., ::thinking:: , всякое может быть.
Но, ИМХО, это просто резина такой звук издает (лопотит) на мелких неровностях дороги при достаточной скорости и открытом окне.
Сегодня я ехал с достаточной скоростью между трамвайными рельсами по уложенным плитам (жара, окно открыто) и слышал такой же шлепающий звук , казалось, что он доносится сзади ;)

_________________
Ford Escort хэтч, CVH 1,4 F6D (сейчас карб Pierburg 1B3 ), май 90г., красный, люк, ЦЗ.


Вернуться к началу
 Профиль  
 
 Заголовок сообщения:
СообщениеДобавлено: Сб июл 24, 2010 0:04 
Не в сети
ученик форума
ученик форума

Зарегистрирован: Ср май 12, 2010 15:44
Сообщения: 42
Откуда: Харьков
Тоже кажется что резина, не представляю как клапана могут такой звук издавать ::thinking::
Хотя, месяца два назад зад начал сильно тарахтеть, думал ляда, покатался в багажнике, и причину не понял, мож таки амортизаторы?

_________________
Escort mk5 1.8 Zetec


Вернуться к началу
 Профиль  
 
 Заголовок сообщения:
СообщениеДобавлено: Сб июл 24, 2010 2:39 
Не в сети
Зеленый лихач форума
Зеленый лихач форума
Аватара пользователя

Зарегистрирован: Чт янв 28, 2010 3:55
Сообщения: 424
Откуда: г.Елец
tsarik писал(а):
Altsandr если под номером 4 то это ступица

Да верно это ступица. Лазил на Екзист но такой как у меня не нашел. У меня на ней стоит кольцо АБС а там все без кольца. Ладно, потерпим некоторое время, а то и так на запчасти много денег улетело, да еще сегодня блин лобовиком камушек словил. Скол. Завтра придется ехать засверливать.

_________________
Ford Escort 1998г 1.6 Zetec SEFi хетчбек 90 л/с (900 лисих сил)


Вернуться к началу
 Профиль  
 
 Заголовок сообщения:
СообщениеДобавлено: Сб июл 24, 2010 21:31 
Не в сети
Модератор раздела
Модератор раздела
Аватара пользователя

Зарегистрирован: Пт дек 05, 2008 0:10
Сообщения: 8793
Откуда: г Обнинск Калужская обл
Цитата:
типа баробан со шпильками проворачивается в подшипнике и тот вообще не вращается
это хреновый дефект,во первых люфт в колесе остаётся,ни один нормальный мастер делать схождение не возьмётся,во вторых прокручивание внутренней обоймы на валу чревато нагревом подшипника и соответствено выходом его из строя.Так что ищи разборку,новая стоит всё таки дороговато.

_________________
.Был:FORD eskort 1991г 1,4дв,СVН, EFI,хетч
сейчас Хонда CR-V 2000г.американка
Несправедливо не ответить на несправедливость!
Жестоко не ответить на жестокость!


Вернуться к началу
 Профиль  
 
Показать сообщения за:  Поле сортировки  
Начать новую тему Ответить на тему  [ Сообщений: 641 ]  На страницу Пред.  1 ... 28, 29, 30, 31, 32, 33, 34 ... 43  След.

Часовой пояс: UTC + 4 часа [ Летнее время ]


Кто сейчас на конференции

Сейчас этот форум просматривают: нет зарегистрированных пользователей и гости: 2


Вы не можете начинать темы
Вы не можете отвечать на сообщения
Вы не можете редактировать свои сообщения
Вы не можете удалять свои сообщения
Вы не можете добавлять вложения

Найти:
Перейти:  
cron
POWERED_BY
Русская поддержка phpBB
[ Time : 0.048s | 16 Queries | GZIP : Off ]